Right rear turn signal not working

2007 FORD EXPLORER
140,000 MILES • 4.6L • V8 • 4WD • AUTOMATIC
Avatar
BMELCHERT2001
  • MEMBER
  • 3 POSTS
Right rear turn signal fuse, which number controls it? Left rear signal works.
Mar 15, 2022 at 9:35 AM
Advertisement
Avatar
AL514
  • CERTIFIED EXPERT
  • 5,465 POSTS
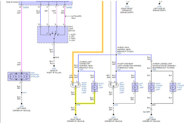
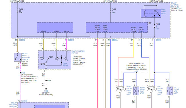
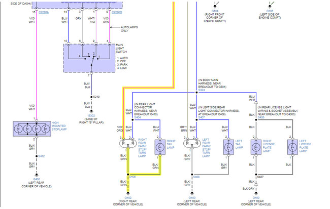
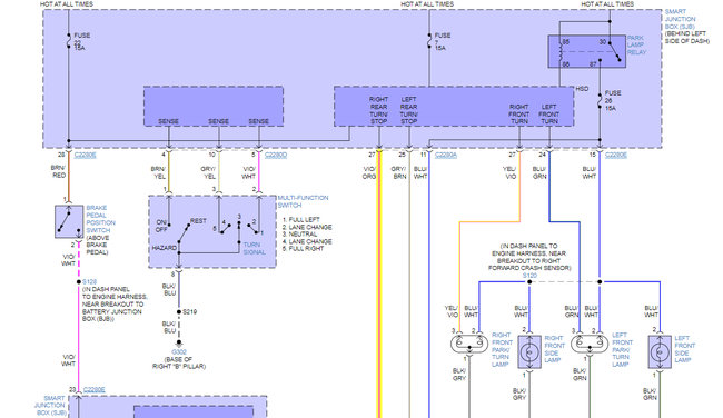
Hello, there is no fuse separate fuse for the turn signals, they're all on Fuse #7 15Amp.
Power for the Turn signals and Stop lamps comes from a Smart Junction box, meaning the Junction/Fuse Box has a circuit board in it that controls which lamp is turned on.
The Right Rear Brake Lamp and Turn Signal lamp are on the same circuit, so if the turn signal is not working then the brake lamp is not working either.
If there is a short circuit or a problem on that wire, the smart junction box will turn the circuit off to protect the internal transistor that turns the signal lamps and brake lamps on and off. I'll put the diagrams below, the circuit you're concerned with is highlighted in yellow.

So, there can be a problem with the smart Junction Box, or a problem with that wire running to the back of the vehicle. If the Smart Junction box has turned off the circuit, it will store a diagnostic trouble code in the Body Control Module or in the Smart Junction Box if that module is on the vehicles network.
You can test the circuit with an automotive test light, I'll put a guide for that also. But see if your Brake lights work on that side, if they do, then there may be a problem with the multi-Function switch (turn signal switch). Let us know if the brake lights work on that side. If you have a test light we can run you through the testing of the turn signal switch, which you will see to the left on the first diagram below.

https://www.2carpros.com/articles/how-to-use-a-test-light-circuit-tester

https://www.2carpros.com/articles/how-to-check-wiring
Mar 15, 2022 at 11:59 AM