Engine overheating

2007 FORD EDGE
70,000 MILES
Avatar
JSTARNES
  • MEMBER
  • 1 POST
My 2007 Ford Edge has started to overheat, this occurred while in a traffic jam where traffic was moving very slow. The water boiled out, refilled with water and it performed normally for the remainder of the trip. The next day I drove the vehicle on Interstate for approx. 75 miles, all was normal. Later the same day I drove the car 20 miles and was in drive thru line and it overheated again, boiled over. Refilled with water and let it idle for about 30 minutes , temp stayed normal range until the very end and all at once started rising rapidly. The cooling fans did not come on. Is there a way of determining what is the cause of the fans not coming on, short of replacing parts until a remedy is lucked upon?
Oct 19, 2013 at 8:47 AM
Advertisement
Avatar
HMAC300
  • CERTIFIED EXPERT
  • 48,601 POSTS
There is a fuse #5 and 6 in the panel that must be checked first. Here is a guide to help you see where you are losing power.

https://www.2carpros.com/articles/how-to-use-a-test-light-circuit-tester

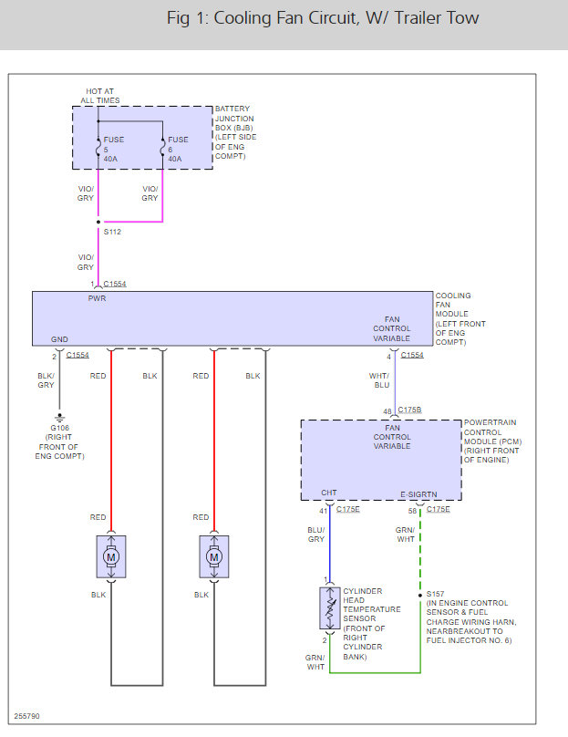
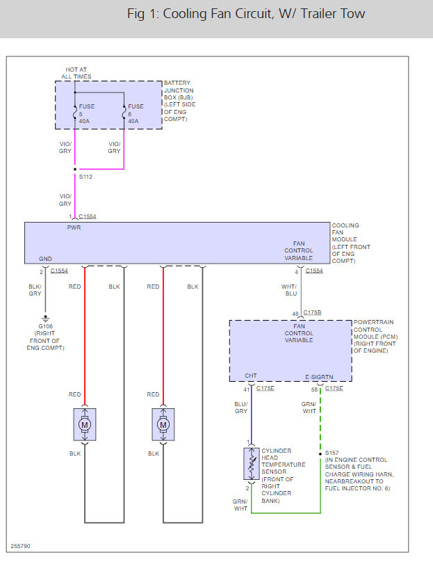
There is a fan module I would check if the fuse is good. Here is a wiring diagram to help you see how the fans work?

Check out the diagrams (Below). Please let us know what you find.

Cheers,
Oct 19, 2013 at 8:52 AM
Avatar
REBNKTB
  • MEMBER
  • 1 POST
During idling of car, after about 15 minutes the engine starts to overheat with or without air conditioner on. If I start moving in traffic it will come down sometimes but if I turn the engine off for 10 minutes it is okay. It will not overheat under normal use and appears that fans work when compressor comes on. I have seen both fans operate but not together. During the 15 minutes of idle before overheating the fans do not come on and the temperature gauge stays in the same area. All of a sudden the overheating starts like a stuck thermostat. I have noticed that the A/C will not work until I get on the road and air starts to move through the radiator. When I turn on the A/C the upper fan will come on but the compressor stops and the fan goes off. Is there a switch that could be causing this? I have not leaks in the radiator and all seems well with coolant level so I am presuming that the head gasket is good.
Oct 11, 2018 at 6:04 PM (Merged)
Advertisement
Avatar
HMAC300
  • CERTIFIED EXPERT
  • 48,601 POSTS
Hello,

This sounds like the radiator is plugged or you have a blown head gasket to confirm the issue klets run down these two guides.

https://www.2carpros.com/articles/head-gasket-blown-test

and

https://www.2carpros.com/articles/engine-overheating-or-running-hot

Please run down these guides and report back

Cheers
Oct 11, 2018 at 6:04 PM (Merged)
Avatar
BOOPERIII
  • MEMBER
  • 1 POST
Thank you for this post I checked out the guides and found it was the head gasket. I had them replaced for $1500.00 on fixed! I love this site
Oct 11, 2018 at 6:04 PM (Merged)