☰
Login
Join
×
Home
Answered Questions
Repair Topics
Repair & Service Guides
Popular Questions
Warning Lights
Trouble Codes
How It Works
Testing / Diagnostics
Symptoms
Videos
Login
Become a Member
Home
Ford
E-Series Van
Climate Control
Blower Fan
Fuse
2007 FORD E-SERIES VAN
ANONYMOUS
MEMBER
1 POST
FOLLOW
Heater fan will not function; replaced fuse, still nothing
Jan 2, 2013 at 11:28 PM
Advertisement
ASEMASTER6371
CERTIFIED EXPERT
52,796 POSTS
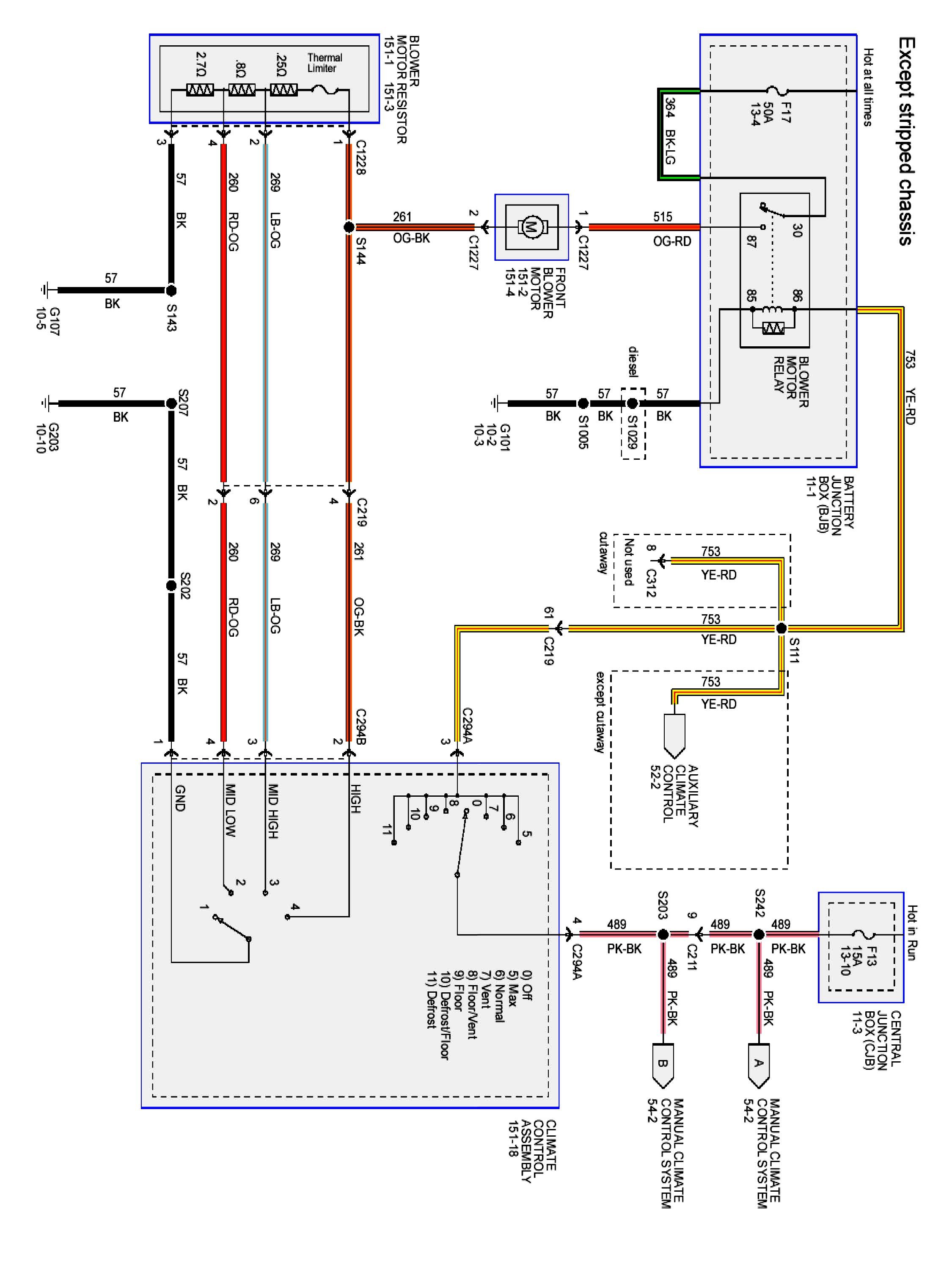
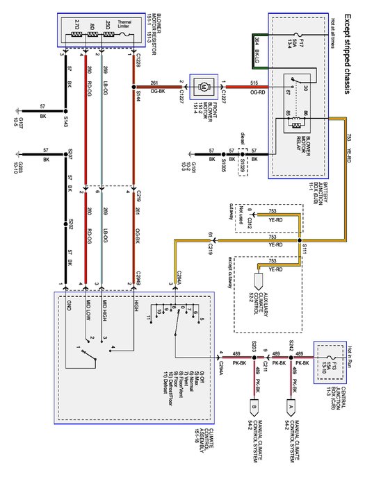
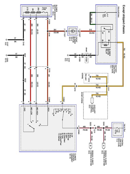
check the wiring diagram
Roy
Image (Click to enlarge)
Jan 3, 2013 at 2:50 AM