license plate light and back left light fuse keeps blowing?

2007 DODGE NITRO
80,000 MILES • 4WD • AUTOMATIC
Avatar
BRADLEYSALLEN
  • MEMBER
  • 1 POST
The license plate light and back left light fuse keeps blowing. I have replaced twice and it lasts for about 30 seconds before blowing again.
Jan 24, 2015 at 10:37 AM
Advertisement
Avatar
SQM
  • CERTIFIED EXPERT
  • 6,383 POSTS
Hello,

If the light and the fuses keep blowing it could be due to a short in the circuit.
Best way to go about it is to trace the wires and find the issue. It could be that you have two uninsulated wires touching or has corrosion in the connectors.

In order to check the wirings you will need to use a multimeter. This will allow you to check voltage as well as resistance for the wires.

Here are couple of helpful articles:

https://www.2carpros.com/articles/how-to-use-a-voltmeter
https://www.2carpros.com/articles/how-to-check-wiring

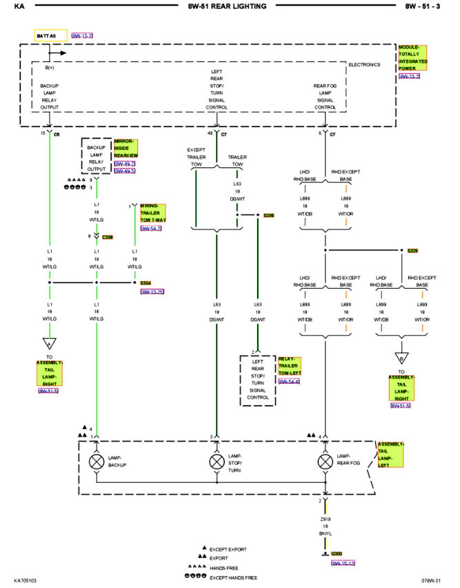
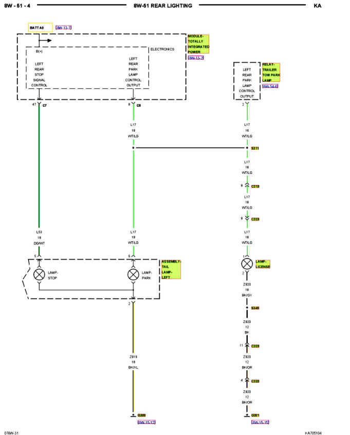
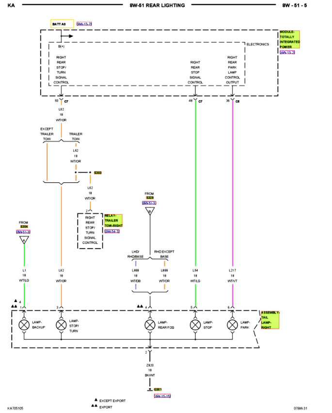
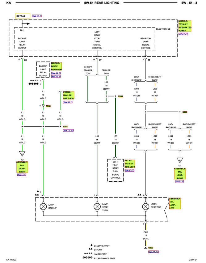
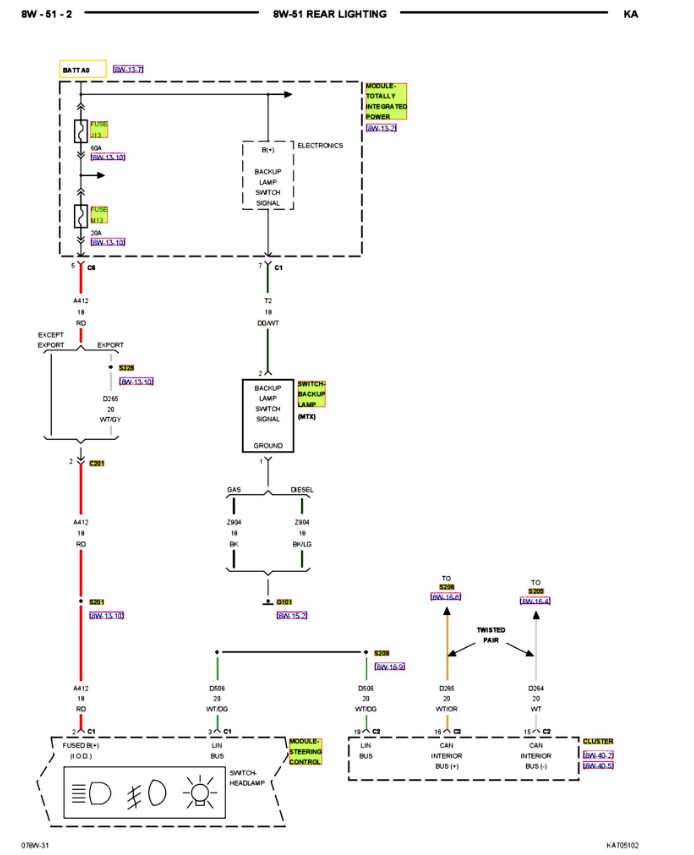
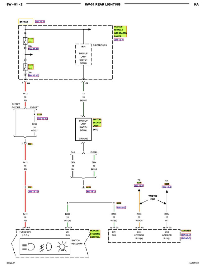
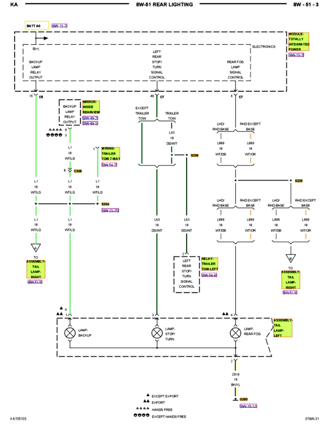
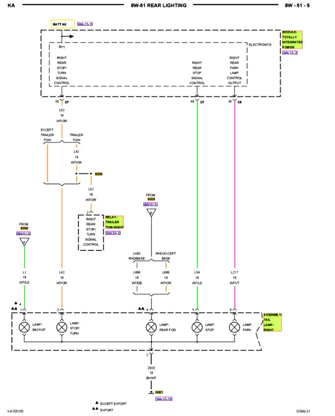
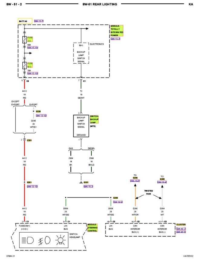
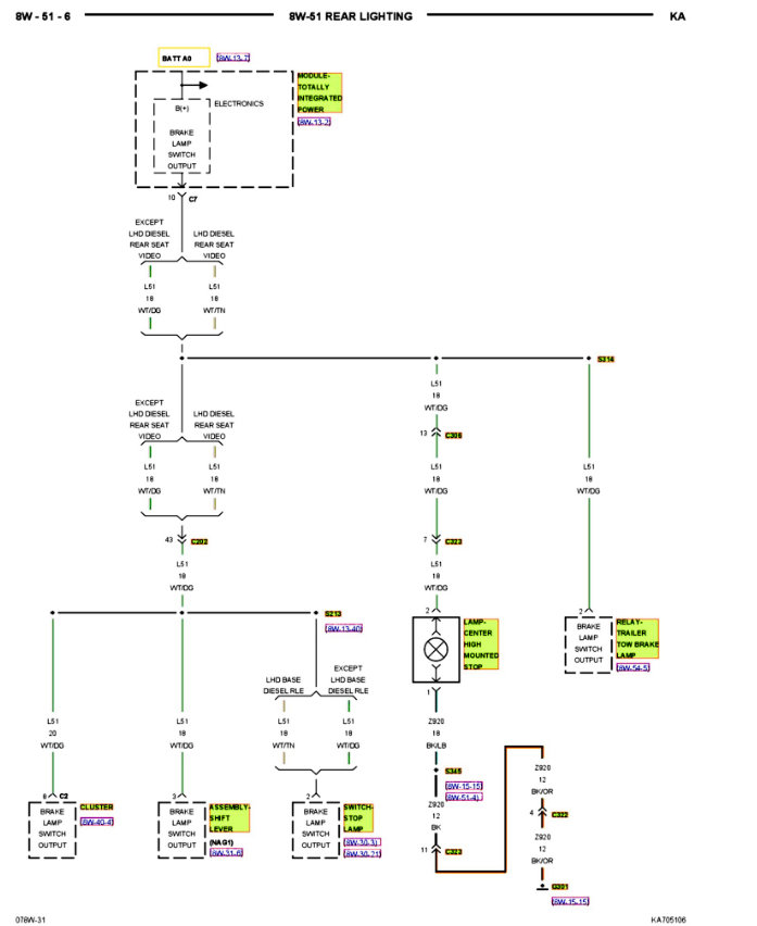
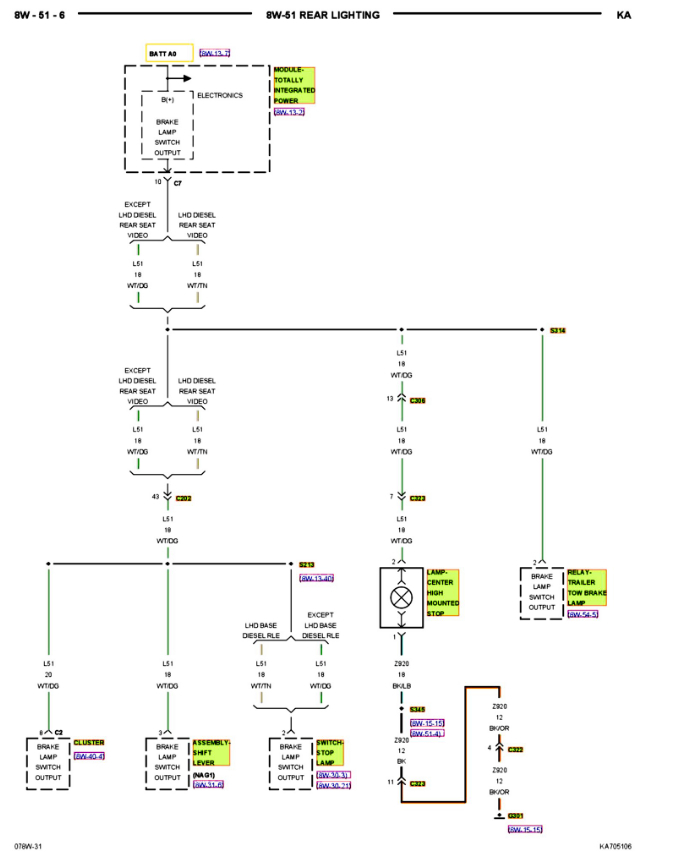
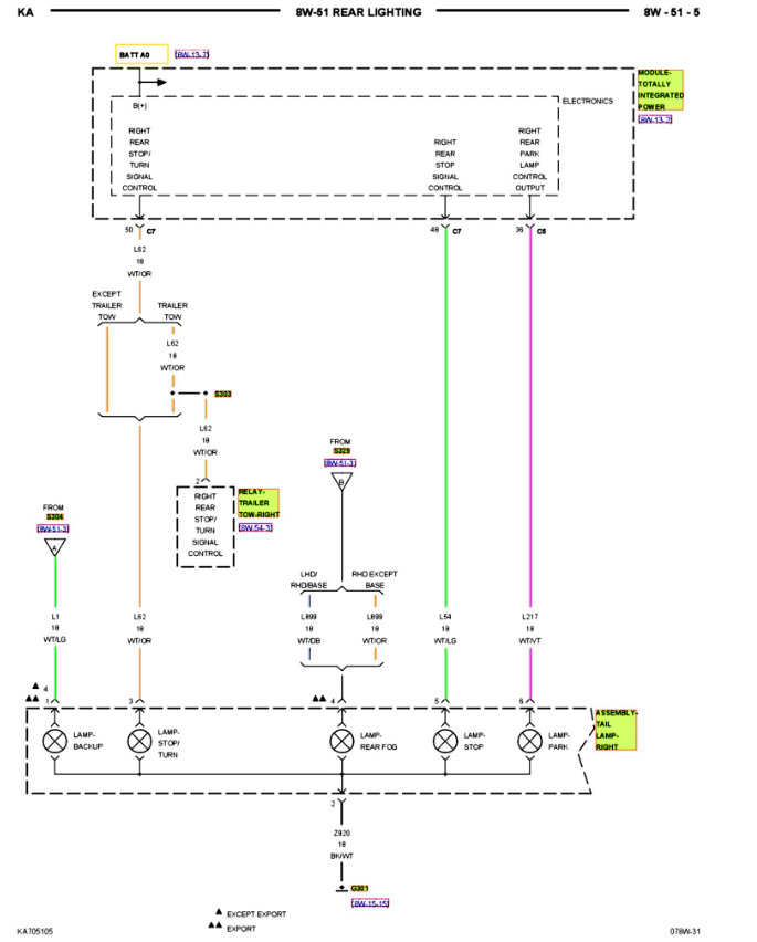
I have attached the rear light wiring harness schematics for your reference.

Please let me know of any questions.
Sep 10, 2021 at 2:05 PM