dash lights not working

2007 DODGE CALIBER
84,000 MILES • 4 CYL • 2WD • AUTOMATIC
Avatar
MRSHACKWORTH
  • MEMBER
  • 1 POST
No dash lights but others still work maybe its a bad fuse or semething
Feb 16, 2014 at 10:29 AM
Advertisement
Avatar
HMAC300
  • CERTIFIED EXPERT
  • 48,601 POSTS
Hello,

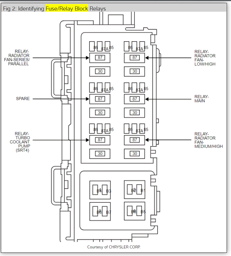
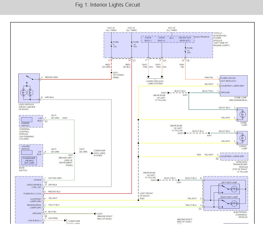
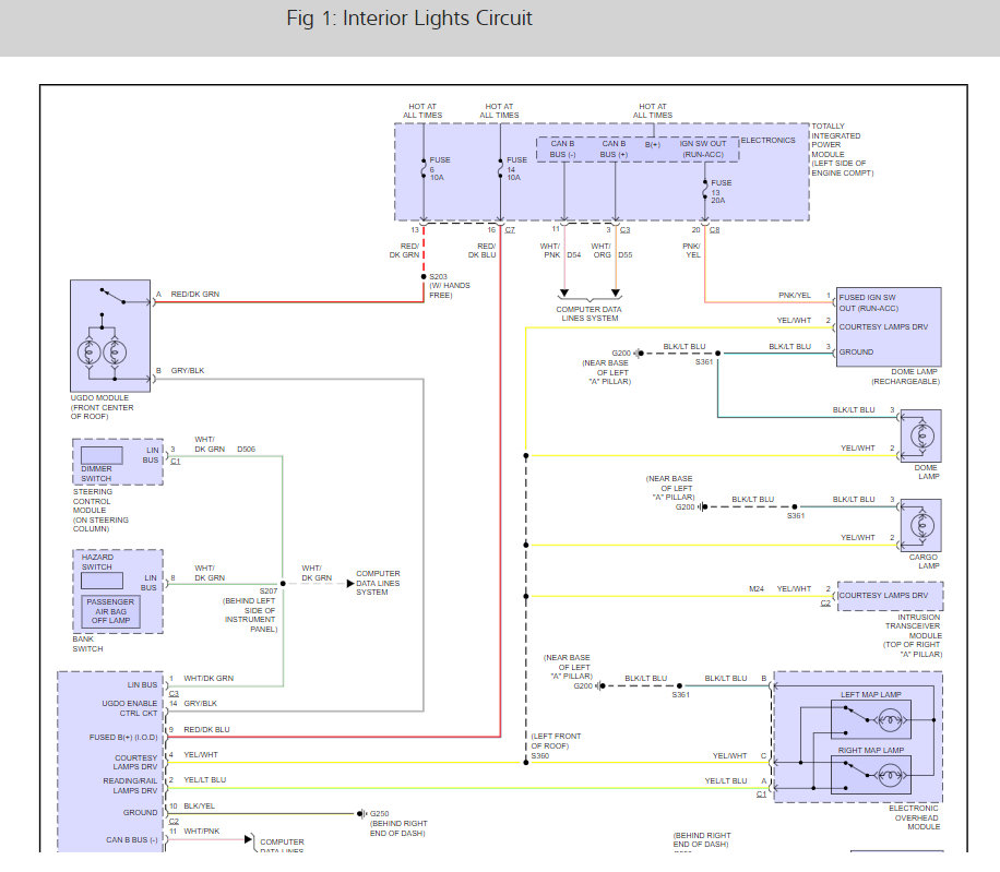
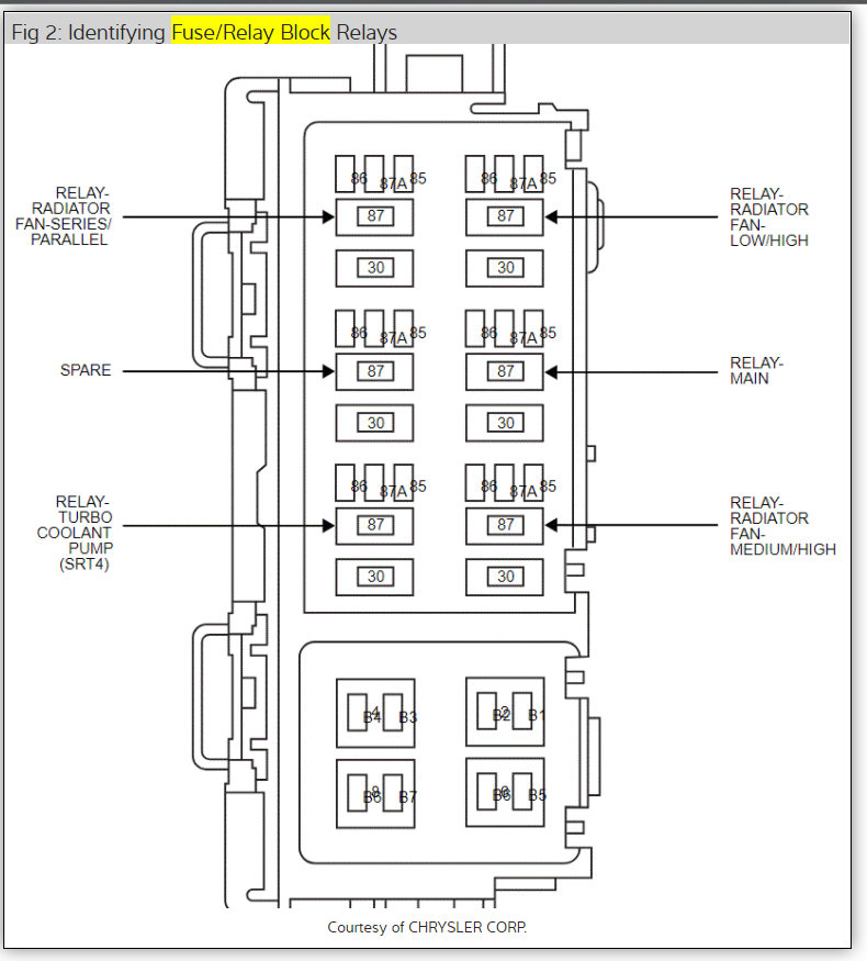
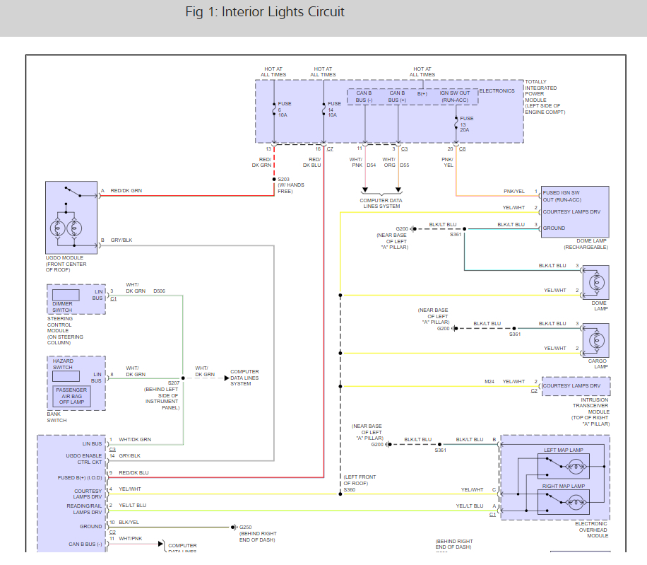
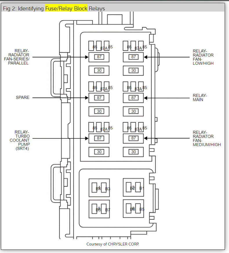
We need to check fuse #14 in the under hood fuse box. Here is a guide to help you step by step with the fuse location and dash wiring diagrams below so you can see how the system works.

https://www.2carpros.com/articles/how-to-check-a-car-fuse


Check out the diagrams (Below). Please let us know what you find. We are interested to see what it is.
Feb 16, 2014 at 10:35 AM
Avatar
BOOPERIII
  • MEMBER
  • 1 POST
Thank you for this post I had the same problem and had to replace the fuse all fixed!
Jan 2, 2019 at 2:00 PM
Advertisement
Avatar
BKUKMAN
  • MEMBER
  • 1 POST
Two of my dash lights have gone out. The rest of the interior lights work. I have been told be several people that it isn't a fuse issue. What could it be? The dealership wants to charge me to look at the issue because my basic warranty is up on the car. I don't want to pay to have them look at it to find out it's something that my husband can fix.
Jan 2, 2019 at 2:00 PM (Merged)
Avatar
JACOBANDNICKOLAS
  • CERTIFIED EXPERT
  • 110,175 POSTS
If it is only two of them, chances are the bulbs are burned out. If they aren't, then the circuit board in the cluster may be bad.
Jan 2, 2019 at 2:00 PM (Merged)
Avatar
EZONMENOW
  • MEMBER
  • 21 POSTS
Trying to figure out what the dash light thats a lighting bolt in red means. Its some about throttle control. It runs really ruff when its on and flashing
Jan 2, 2019 at 2:01 PM (Merged)
Avatar
WRENCHTECH
  • CERTIFIED EXPERT
  • 20,761 POSTS
There are trouble codes stored that need to be read but you may not be able to do it with a regular code reader. You have to get into the factory side of the system.
Jan 2, 2019 at 2:01 PM (Merged)
Avatar
EZONMENOW
  • MEMBER
  • 21 POSTS
Ok i have a solace scanner Iv run all codes and there are none But i will look agian to see if there is any other sides of the date lines i can get in to Let you know what i find Thnx agian
Jan 2, 2019 at 2:01 PM (Merged)
Avatar
WRENCHTECH
  • CERTIFIED EXPERT
  • 20,761 POSTS
Do you mean you have a Snap-on "Solus".
What version software is it running?
Jan 2, 2019 at 2:01 PM (Merged)
Avatar
EZONMENOW
  • MEMBER
  • 21 POSTS
Yes thats what i meant lol Not sure what version Know its up to 2010
Jan 2, 2019 at 2:01 PM (Merged)
Avatar
WRENCHTECH
  • CERTIFIED EXPERT
  • 20,761 POSTS
It's 2 year old software and likely isn't updated for what you need.
Jan 2, 2019 at 2:01 PM (Merged)
Avatar
SERUWAGI
  • MEMBER
  • 1 POST
Hi i have a Dodge Caliber 2006 model 2.0L manual Diesel, my parking lights won't turn on and the dash board lights, but the front head lights turn on, the hazard lights and the brake lights turn On. I have checked all the fuse and they all seem to be working. can anyone help me please as people can see my rear parking lights at night and my dash board lights.
Thank you
Jan 2, 2019 at 2:01 PM (Merged)
Avatar
HMAC300
  • CERTIFIED EXPERT
  • 48,601 POSTS
have it scanned the tpim module may be bad also check fuses and relay underhood
Jan 2, 2019 at 2:01 PM (Merged)