car air condition compressor engage wont disengaged

2007 CHRYSLER SEBRING
156,000 MILES
Avatar
ANONYMOUS
  • MEMBER
  • 1 POST
my air condition compressor wont disengaged when off, relay?
Jan 13, 2013 at 11:02 PM
Advertisement
Avatar
KASEKENNY
  • CERTIFIED EXPERT
  • 18,907 POSTS
Normally that would be the case, but your vehicle doesn't use a relay for the compressor. It is directly controlled by the PCM.

However, I suspect you have either a freon pressure issue or the compressor is not operating at all and the PCM is keeping the compressor running to try and build the pressure.

Basically, it cycles the compressor to control the pressure and not allow it to get too high but if it never increases because the compressor is not operating then it will just keep it running until it does.

Is the A/C blowing cold air? If not or even if it, is, we need to check the pressure to find out what the pressure is when the engine is off and with it on and the A/C on.

https://www.2carpros.com/articles/re-charge-an-air-conditioner-system

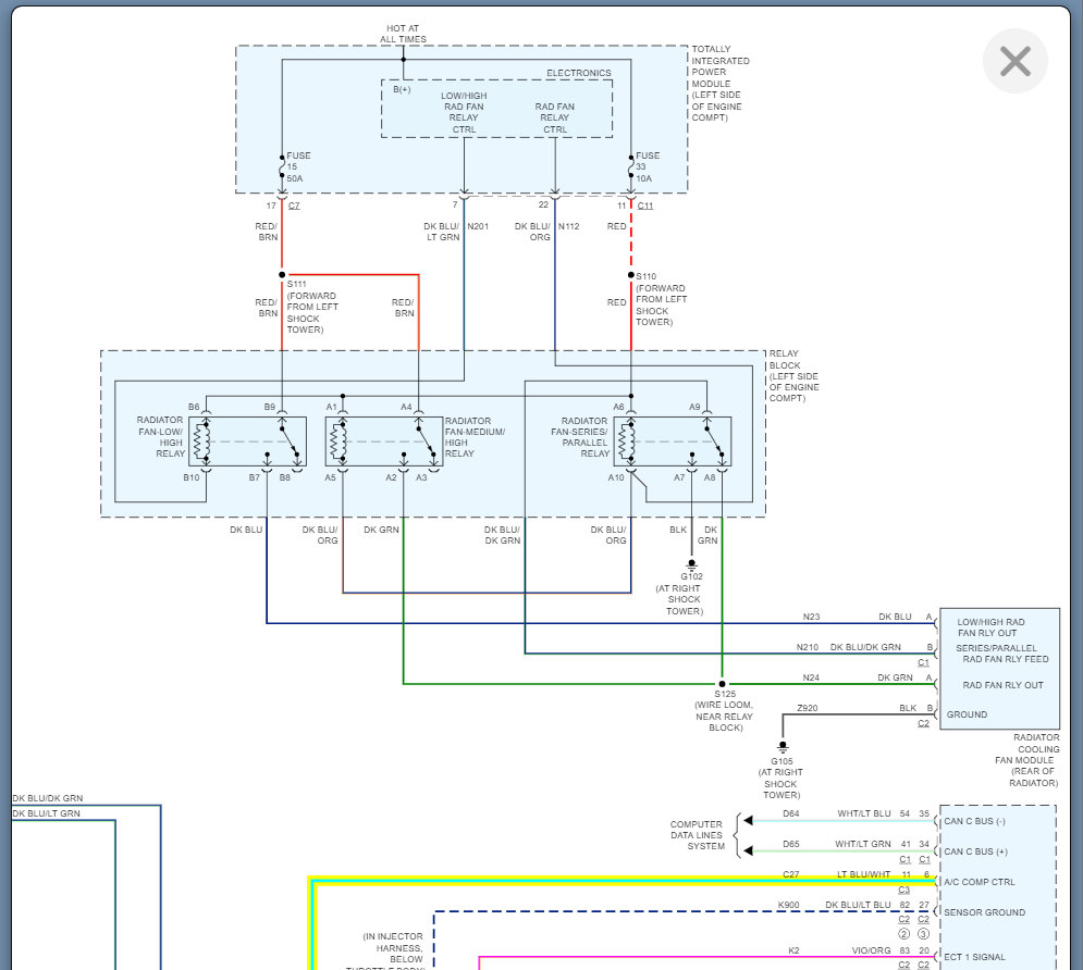
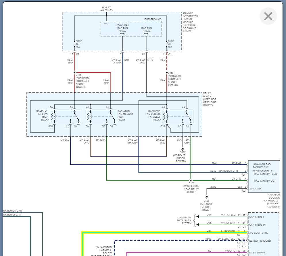
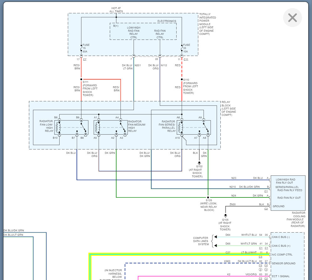
Below you will find the wiring diagram and a chart that will help with figuring possible causes. However, I suspect you will find the pressure does not change or doesn't change much when the compressor is on which means the compressor is not working.

Please let us know what you find. Thanks
Nov 4, 2021 at 5:52 PM