Our car won't go into any drive and it popped

2007 CHRYSLER PT CRUISER
130,000 MILES
Avatar
BRACKNEWILSON14
  • MEMBER
  • 3 POSTS
We took our car to the mechanic Friday. The mechanic put some grease in the thing that says P, R, N, D, 3, 1. Well this morning we went to get into our car and that is when we noticed that it had made a loud popping noise. Then the thing just slid back and forth and now it will not change gears at all. Can you try to estimate what that may be? And the estimated parts and labor price we should pay.
Feb 11, 2012 at 9:19 PM
Advertisement
Avatar
HMAC300
  • CERTIFIED EXPERT
  • 48,601 POSTS
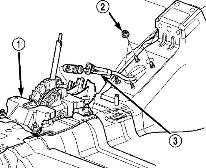
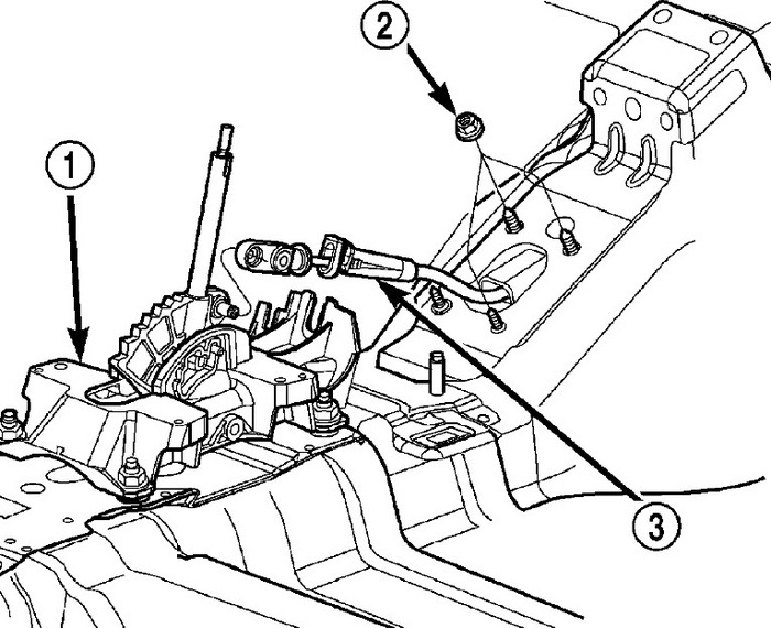
your cable which is item 3 in this drawing may be broken. you can see it under the hood. there is also a clip that should hold it on trans that cold be broken as well. have someone shift the car inside with the brake on and another person see if it's moving outside. if it's moving then it may be an internal problem. we have no figures for replacement estimates any longer sorrry
Feb 11, 2012 at 9:34 PM
Avatar
BRACKNEWILSON14
  • MEMBER
  • 3 POSTS
So you are saying that it is a Belt possibly?
Feb 11, 2012 at 11:27 PM
Advertisement
Avatar
HMAC300
  • CERTIFIED EXPERT
  • 48,601 POSTS
no there is a cable that runs from inside the car to the transmission to shift it, if the cable moves the shifter outside on the trans then it cold be a problem inside the trans
Feb 11, 2012 at 11:58 PM
Avatar
BRACKNEWILSON14
  • MEMBER
  • 3 POSTS
so if it is the cabble and I move the P, R, N, D, 3, 1 STICK Then nothing should move under the hood of the car?
Feb 12, 2012 at 12:26 AM
Avatar
HMAC300
  • CERTIFIED EXPERT
  • 48,601 POSTS
if you move the prnd31stick the shifter on the transmission. it shold look like this picture but it should move, item 2 when you shift inside the car.
Feb 12, 2012 at 12:33 AM