Hi,
Front brake pads and rotors really aren't too hard to do. If you do it yourself, make sure to purchase lifetime parts so you'll never have to pay for the parts again.
You can expect brake pads to last approximately 25,000 miles. However, that can change based on terrain and driving habits.
To start, here is a link that shows in general how it's done. You can use this as a guide: This video shows the job being done on a similar car but the process is the same.
https://youtu.be/SD9-MLW6Yts
and
https://www.2carpros.com/articles/how-to-replace-front-brake-pads-and-rotors-fwd
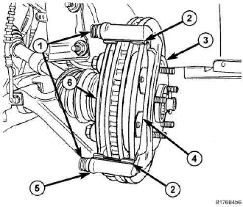
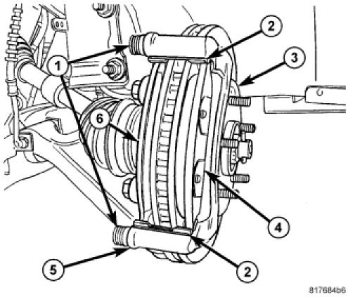
Here are the directions specific to your vehicle. The pics below correlate with the directions.
1. Remove master cylinder fluid reservoir cap.
2. Raise and support vehicle.
NOTE: Perform STEP 3 through STEP 9 on each side of vehicle.
3. Remove wheel mounting nuts (3), then tire and wheel assembly (1).
4. Place an appropriately sized C-Clamp over brake caliper as shown, placing screw-drive head against outboard shoe and hook against rear of caliper. Slowly tighten screw-drive retracting caliper pistons into bores and breaking outboard brake shoe free from caliper fingers. Do not overtighten C-Clamp. Remove C-Clamp.
5. Once outboard shoe is free from caliper fingers, slide caliper inboard on guides providing clearance between the rotor and inboard brake shoe.
6. Slide an appropriate prying tool though center opening in top of caliper behind inboard brake shoe between two caliper pistons. Use care not to come in contact with pistons or dust boots potentially damaging them. Pry against rear of inboard brake shoe breaking it free from caliper pistons.
7. Remove two brake caliper guide pin bolts (1).
8. Remove disc brake caliper from brake adapter and hang out of way using wire or a bungee cord. Use care not to overextend brake hose when doing this.
9. Remove brake pads (4, 6) from disc brake caliper adapter (5).
10. Install master cylinder fluid reservoir cap.
NOTE: Refer to Warnings and Cautions.
1. Raise and support vehicle.
2. Remove wheel mounting nuts (3), then tire and wheel assembly (1).
NOTE: In some cases, it may be necessary to retract caliper pistons into their bores a small amount in order to provide sufficient clearance between shoes and rotor to easily remove caliper from knuckle. This can usually be accomplished before mounting bolts are removed, by grasping rear of caliper and pulling outward working with guide pins, thus retracting piston. Never push on piston directly as it may get damaged.
3. Remove two bolts (3) securing disc brake caliper adapter (with brake caliper) (2) to knuckle (4).
4. Remove disc brake caliper and adapter (2) from knuckle (4) as an assembly. Hang assembly out of way using wire or a bungee cord. Use care not to overextend brake hose when doing this.
5. Remove any clips (3) retaining brake rotor (2) to wheel studs.
6. Remove brake rotor (2) from hub and bearing (1).
Rotor Install
NOTE: Inspect brake shoes before installation.
1. Clean rotor mounting face of hub and bearing (1) to remove any dirt or corrosion.
2. Install brake rotor (2) over studs on hub and bearing.
3. Install disc brake caliper and adapter assembly (2) over brake rotor (1).
4. Install mounting bolts (3) securing caliper adapter to knuckle (4). Tighten bolts to 169 Nm (125 ft. lbs.).
5. Install tire and wheel assembly (1). Install and tighten wheel mounting nuts (3) to 135 Nm (100 ft. lbs.).
6. Lower vehicle.
7. Pump brake pedal several times to ensure vehicle has a firm brake pedal before moving vehicle.
8. Check and adjust brake fluid level as necessary.
9. Road test vehicle and make several stops to wear off any foreign material on brakes and to seat brake shoes.
Check out the diagrams (Below). Please let us know if you need anything else to get the problem fixed.
Images (Click to enlarge)
Mar 4, 2021 at 6:58 PM