rear door will not open it will unlock but does not open by itself we have to open it manually then we have to slam door hard to close
Feb 18, 2014 at 8:42 AM
Advertisement
HMAC300
CERTIFIED EXPERT
48,601 POSTS
try lubing the latch first and then opening and closing a few times to get it to operate smoothly
Feb 18, 2014 at 9:38 AM
ANDYFISH
MEMBER
2 POSTS
No that is not it the lift part has to be broken how do you or what do you change out
Feb 18, 2014 at 10:22 AM
Advertisement
HMAC300
CERTIFIED EXPERT
48,601 POSTS
to replace the latch you have to take off the moulding first which is held in by push pins and or retainers so they come out. same for the panel then you unhook the rods on latch and electrical connectors then remove latch. see pics
Images (Click to enlarge)
Feb 18, 2014 at 12:14 PM
JAMESRHIGLEY
MEMBER
4 POSTS
Driver side only will blow cold. Passenger side will blow cold and hot. Dual climate control is what we have. Also having what I believe to be a different problem. On fan speed 5 it does not work. Also the rear blower does not work at all.
Oct 1, 2019 at 6:04 PM
(Merged)
HMAC300
CERTIFIED EXPERT
48,601 POSTS
for your actuator pull the hvac fuse in dash with key on for 60 seconds sometimes they reset and work. For high speed check fuse and relay under hood fuse box it may be that or one of those. also check same are for rear heat it should be marked on underside of box cover
Oct 1, 2019 at 6:04 PM
(Merged)
JAMESRHIGLEY
MEMBER
4 POSTS
I have pulled those and they seemed to be okay. I did disconnect my battery with hope that it would reset and work. Is what you described better?
Oct 1, 2019 at 6:04 PM
(Merged)
HMAC300
CERTIFIED EXPERT
48,601 POSTS
and if your truck doesn't restart because you disconnect battery reset security system they won't reset like you did . did you check relays and fuses underhood for blowers. replace relay with a like one in fuse box if it runs you found the problem.
Oct 1, 2019 at 6:04 PM
(Merged)
JAMESRHIGLEY
MEMBER
4 POSTS
pulling fuse under dash did not fix actuator. What would you suggest next?
Oct 1, 2019 at 6:04 PM
(Merged)
HMAC300
CERTIFIED EXPERT
48,601 POSTS
make sure the key was on when you did that. then see if it gets power if it does its the actuator if no power may be control head but will need scanning for that.
Oct 1, 2019 at 6:04 PM
(Merged)
C B ELLIS
MEMBER
1 POST
electronic rear locks started failing intermittingly today the remote will open the front doors only. I replaced batteries on both remotes & reprogramed, no change. need help!!
thanks, cb
Oct 1, 2019 at 6:04 PM
(Merged)
HMAC300
CERTIFIED EXPERT
48,601 POSTS
there are two relays for the rear doors- unlockand lock. you'll have to check and see if theyare working as well as your cargo door plates and see if the power is being sent there. if it is then it can be yur powerdoor actuator inside the door. there is also a fuse for it in the same fuse panel. it's on the left side under the dash. that's where the relays are.
Oct 1, 2019 at 6:04 PM
(Merged)
JAMESRHIGLEY
MEMBER
4 POSTS
Is there just one actuator for the front?
Oct 1, 2019 at 6:04 PM
(Merged)
HMAC300
CERTIFIED EXPERT
48,601 POSTS
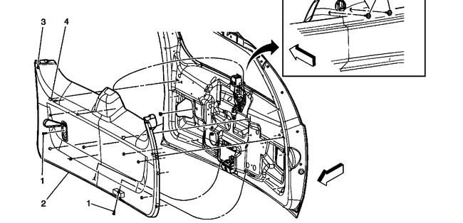
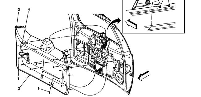
see pic 2 4 and 6 are actuators there is actuator for lh side in 2nd pic. the one marked 4 in first pic is for rh side
Images (Click to enlarge)
Oct 1, 2019 at 6:04 PM
(Merged)
EDB1996
MEMBER
2 POSTS
Interior problem
1996 Chevy Suburban V8 Four Wheel Drive Automatic
The left (driver side) door on my 1995 suburban won't open - right hand side is good. It appears that the mechanism is releasing the lower door latch, but not the upper. Looking for probable causes and info and diagrams on how to repair.
Thanks
Oct 1, 2019 at 6:04 PM
(Merged)
DLOBI
MEMBER
125 POSTS
Remove the lower carpeted panel from the door and look inside with a flashlight. You will likely find the rod that goes up to the top release has become un-cliped from the handle release.
Oct 1, 2019 at 6:04 PM
(Merged)
EDB1996
MEMBER
2 POSTS
Will the carpeted closeout panel just pop off by hand or pry off with a tool ? Is there anything I should be aware of as far as not breaking attaching hardware or the panel ?