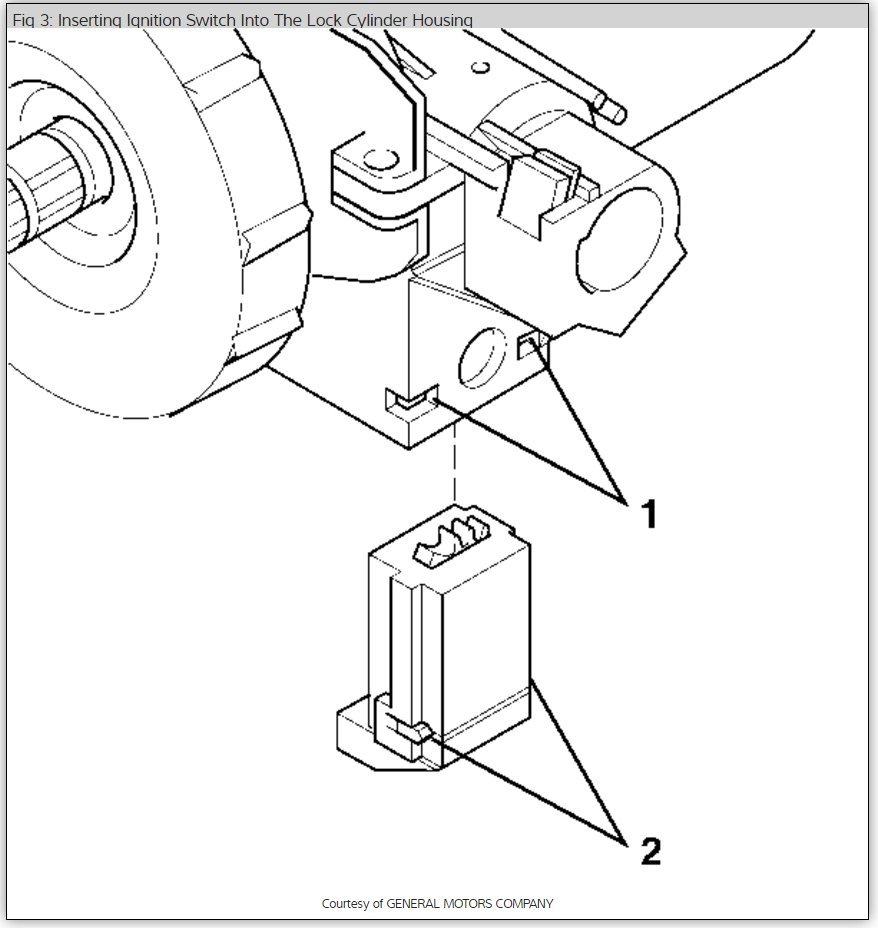
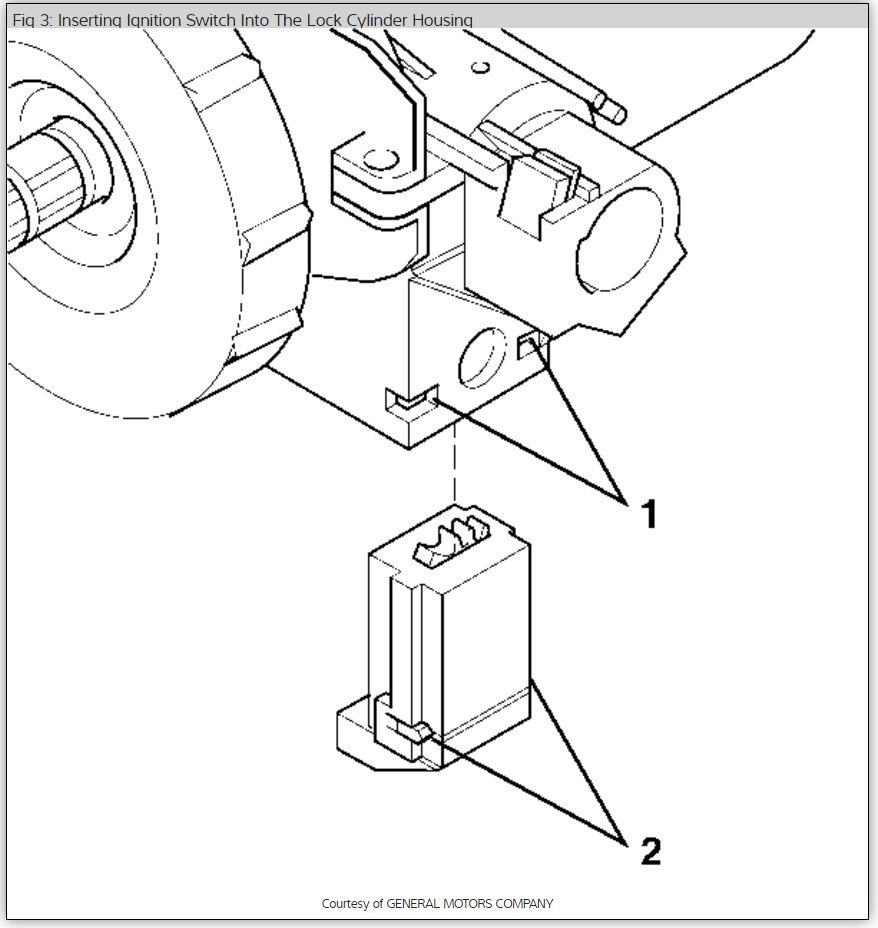
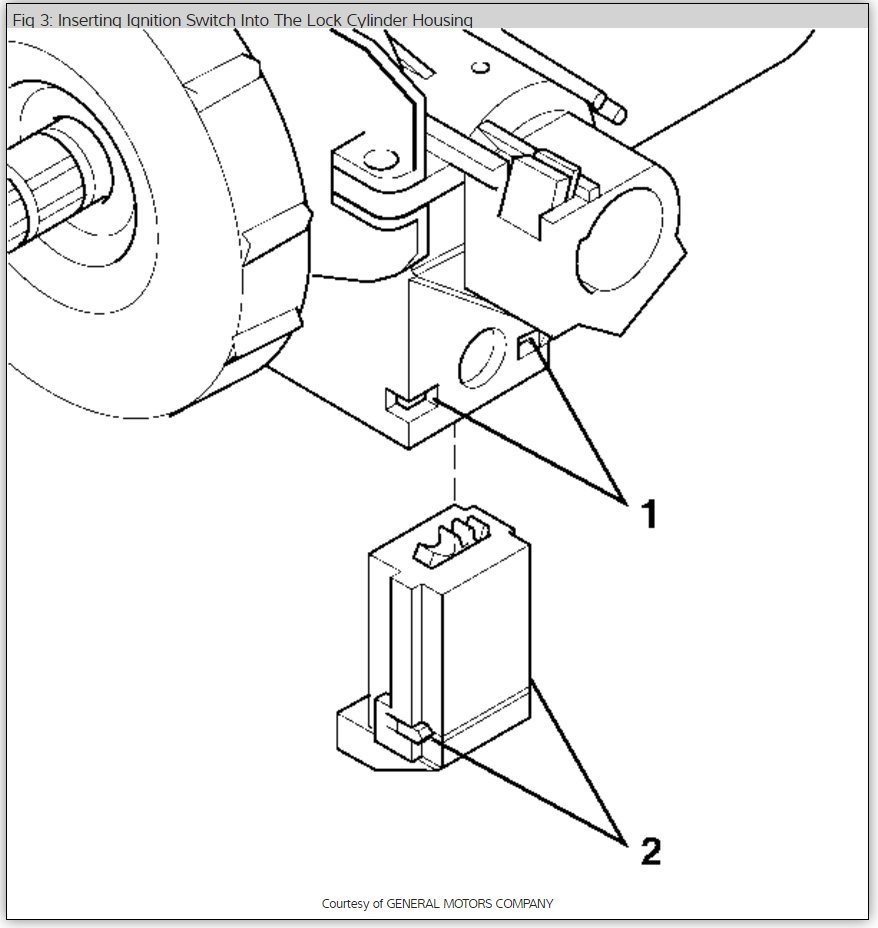
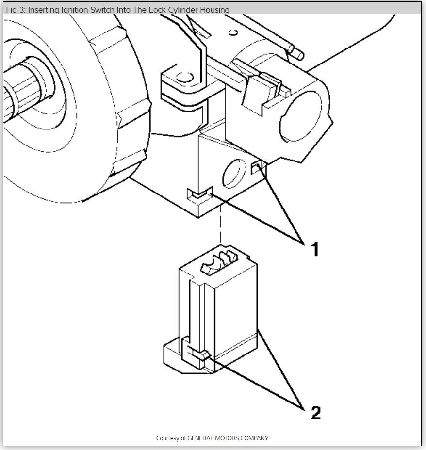
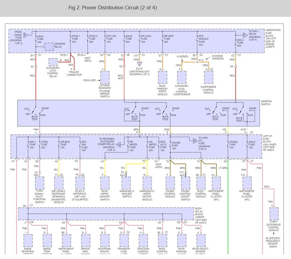
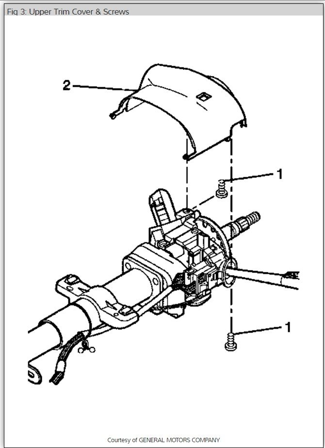
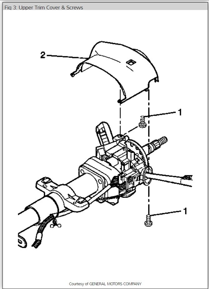
When I started the Suburban and shifted into drive, the gear indicator line did not move and the speedometer did not work. I turned it off and restarted, the gear indicator line was not there and the speedo still did not move and the airbag light was on. I took it to Autozone and the only code that was pulled was from the history and it was for a TPS. After plugging the diagnostic reader up to the Suburban it was fine and everything operated normally. Driving down the road and the parking brake light came on. Turned it off and restarted it was fine. Took it to the dealership today and they said that I have a faulty ignition switch and want to charge me $165. My question is when I do a search on the internet two parts come up and they are a module and the lock cylinder, which one is the dealership talking about? Each are about $40 and would this be feasible for me to change out, do I need any specialty tools?
Thanks ahead of time,
Gus
Thanks ahead of time,
Gus
Dec 19, 2013 at 11:46 AM









































