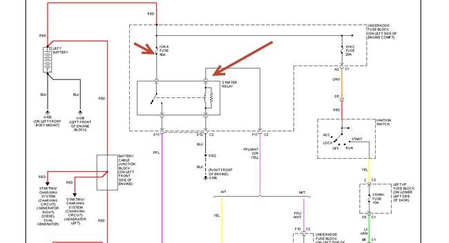
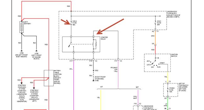
I have a 07 Chevy Suburban and when I go to start it for the first time after it sits for a while, it sits and turns over for like 8 seconds then starts. If I shut it off and restart it is less time but still does not fire right up. It does not have any check engine lights. About a month ago, the battery went dead one night when we were camping in the mountains, so I took it to Autozone and they said that the battery and alternator were good but I needed to clean my battery. Thinking the starting issue going dead was the same thing so I cleaned the corroded battery terminals with no help. Any suggestions? Thanks ahead of time!
Gus
Gus
Jul 23, 2012 at 11:45 PM















