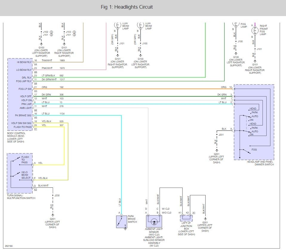
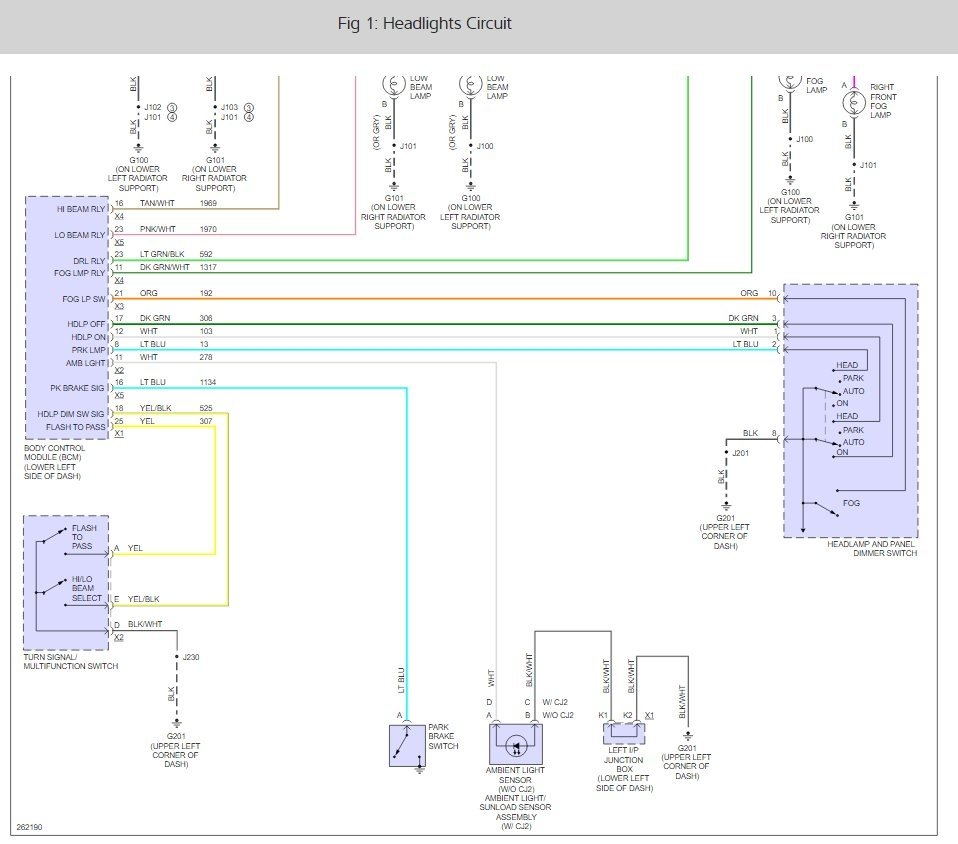
My low beam went out and i thought it was the bulb. I replaced both bulbs and turned the lights on and i still am unable to get the light to work. I tested the light socket and there is power to it when i turn the lights on. when i re-plugged the bulb back in it, it does not work. I tested the wire again, this time with the light in it and it does not have the same 11.9 reading on my meter.
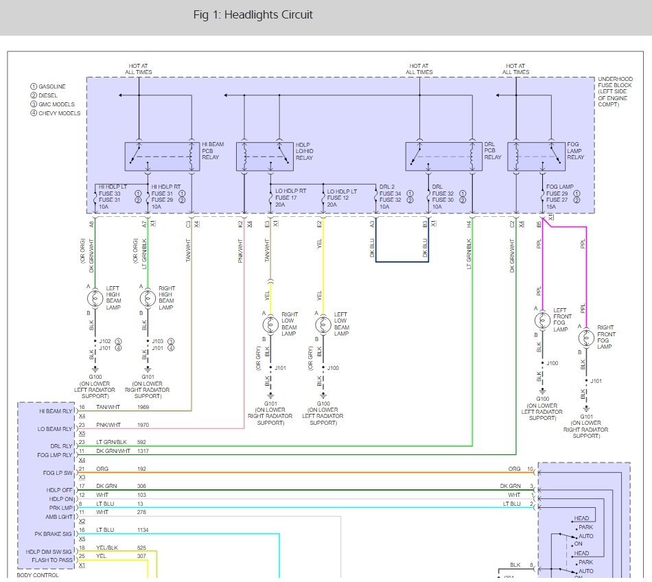
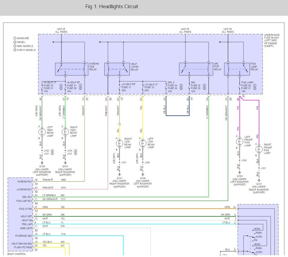
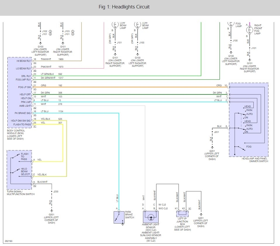
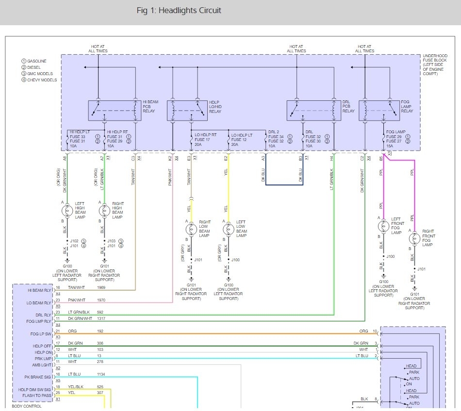
It is just the passenger side that is out. I have checked the 20 amp fuse in the panel and it is good too.
The number seventeen fuse has has power to both sides of the fuse with the low beams on. The black ground wire for the lamp has 0.1 ohms. With the low beams on and the light bulb out of the connector, the yellow wire reads 11.8. When I plug the bulb in and turn the lights on the yellow bulb reads 0.00 nothing.
I have three bulbs here and I am able to power them up and get them working if I jump it with my power probe. It is when the circuit is completed by plugging in the bulb it looses power. In the fuse panel, I did switch the hi/lo rely with another from the panel and still have the same results.
I am able to jump it and get the bulb to come on. help please and thank you.
It is just the passenger side that is out. I have checked the 20 amp fuse in the panel and it is good too.
The number seventeen fuse has has power to both sides of the fuse with the low beams on. The black ground wire for the lamp has 0.1 ohms. With the low beams on and the light bulb out of the connector, the yellow wire reads 11.8. When I plug the bulb in and turn the lights on the yellow bulb reads 0.00 nothing.
I have three bulbs here and I am able to power them up and get them working if I jump it with my power probe. It is when the circuit is completed by plugging in the bulb it looses power. In the fuse panel, I did switch the hi/lo rely with another from the panel and still have the same results.
I am able to jump it and get the bulb to come on. help please and thank you.
Mar 30, 2012 at 12:14 AM












