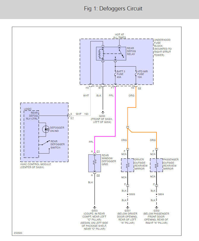
I have a 2007 Monte Carlo. The rear defroster doesn't work. The light on the switch works, it has power to the grid, continuity through the grid, however it doesn't clear the window.
Nov 18, 2010 at 6:53 PM












