All doors unlock, but I can't get the liftgate to open. Also my rear wiper does not work,
Oct 19, 2011 at 5:00 PM
Advertisement
STRAILER
CERTIFIED EXPERT
53,854 POSTS
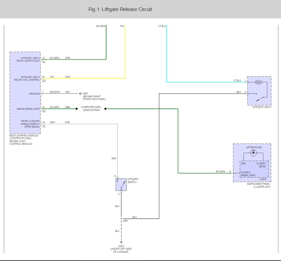
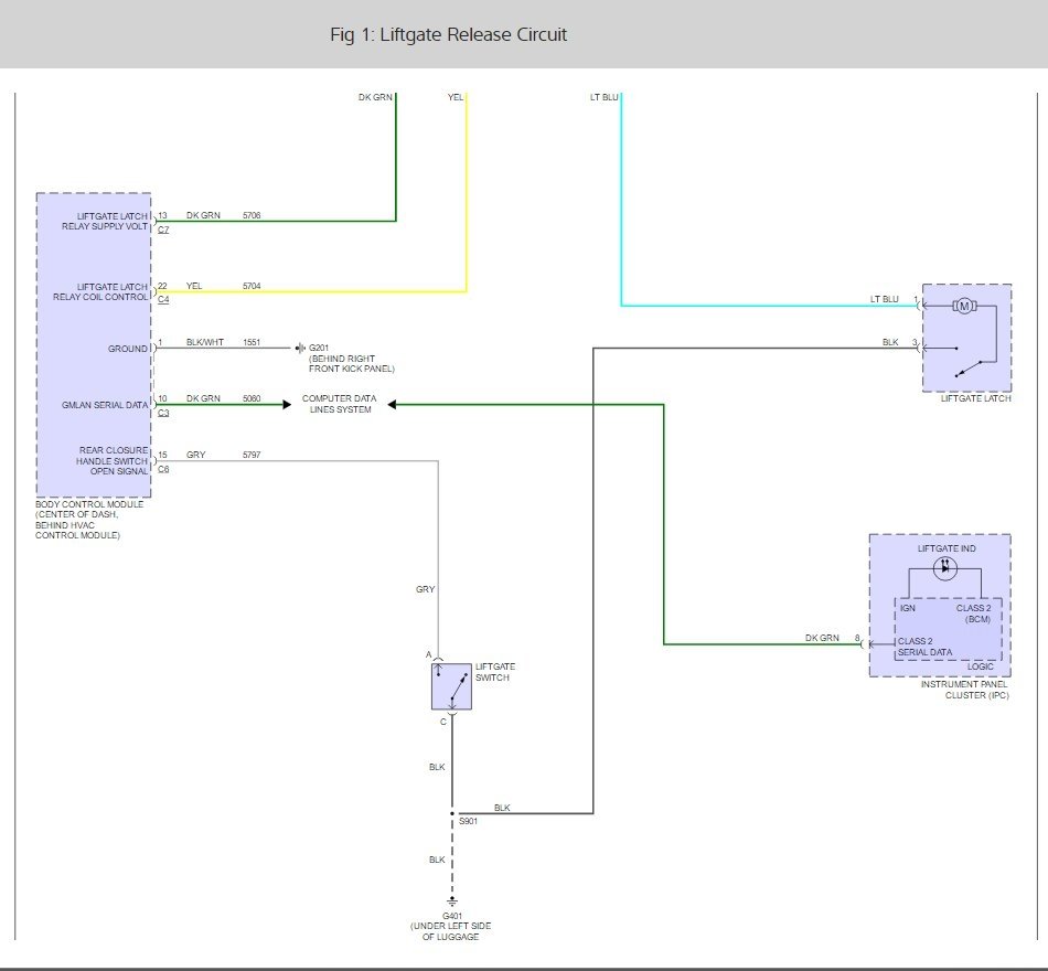
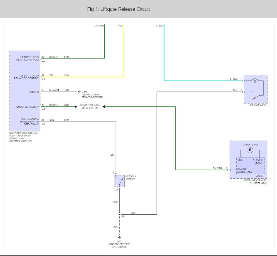
It sounds like you have a fuse or a relay that is out I have pulled up the wiring diagrams for you so you can do some testing. Here is a guide to show you how to get started.