Ac problem

2007 CHEVROLET EQUINOX
99,000 MILES • 6 CYL • FWD • AUTOMATIC
Avatar
MFAFEREK
  • MEMBER
  • 1 POST
The air conditioner will not come on when you push the control button. The other functions on the control panel work. Could it just be the control panel? Nothing happens when you push the button for the air except the light blinks and then goes out.
Jan 23, 2011 at 6:07 AM
Advertisement
Avatar
STRAILER
  • CERTIFIED EXPERT
  • 53,854 POSTS
It sounds like the controller has gone out, but lets check the fuses first and the refrigerant level. Here are some guide that will help you.

https://www.2carpros.com/articles/how-to-check-a-car-fuse

and

https://www.2carpros.com/articles/air-conditioner-how-to-add-freon

and

https://www.2carpros.com/articles/car-air-conditioner-not-working-or-is-weak


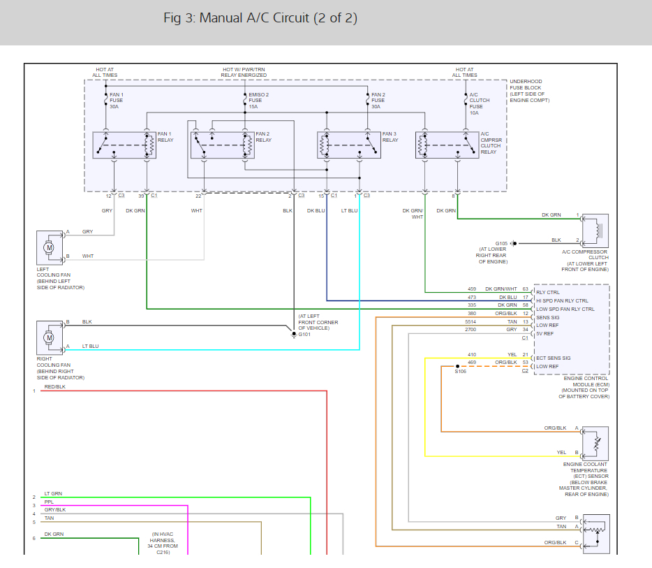
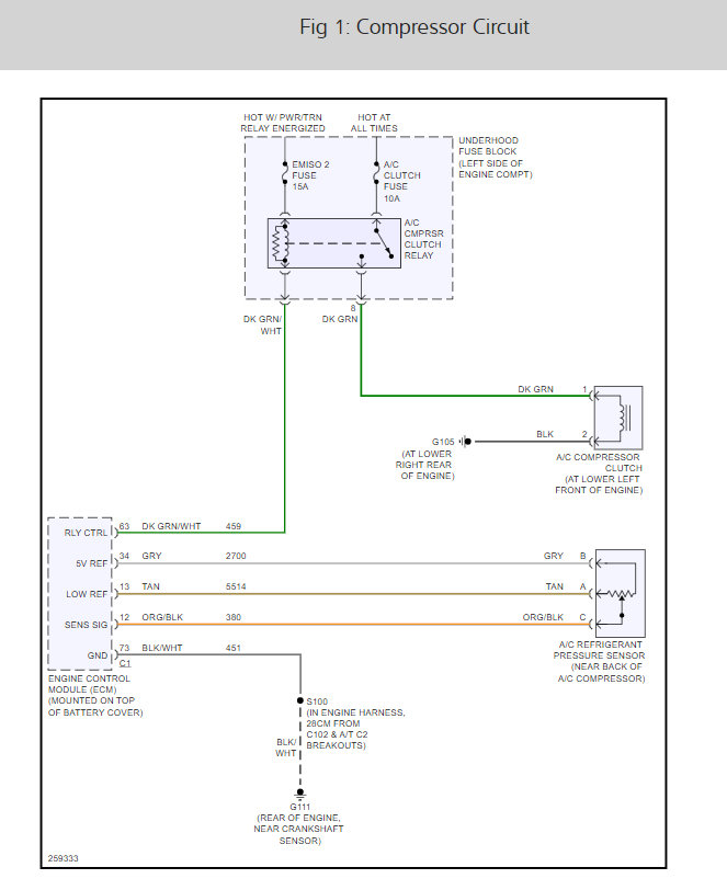
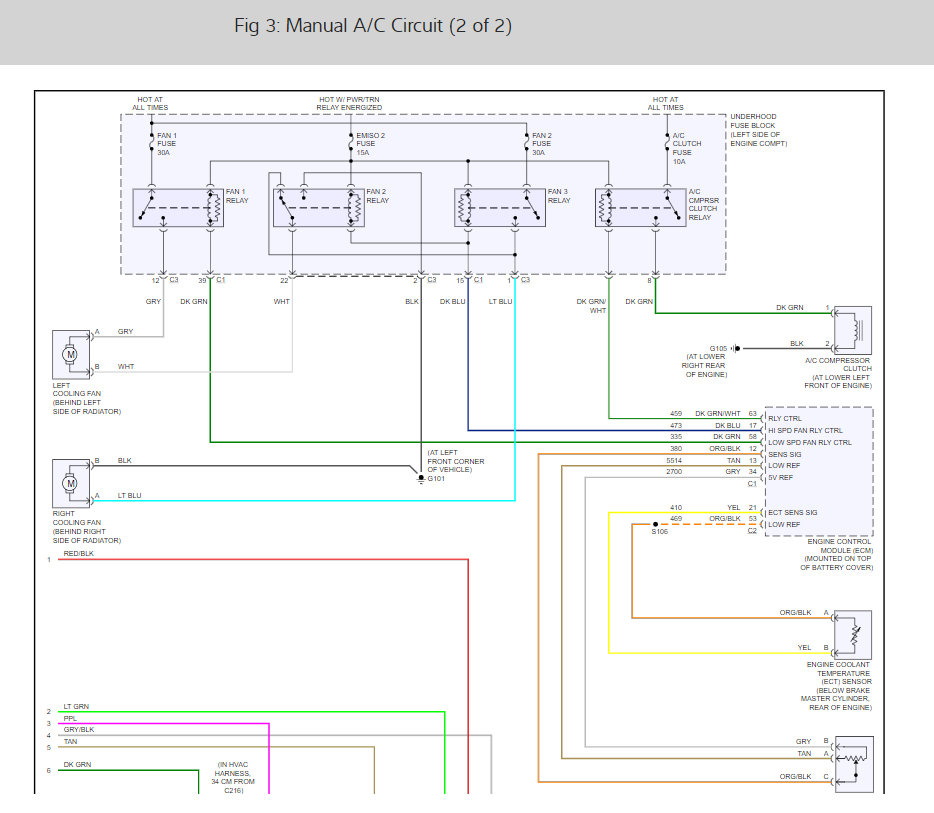
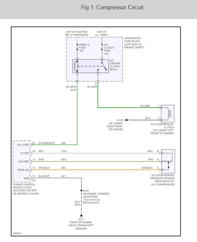
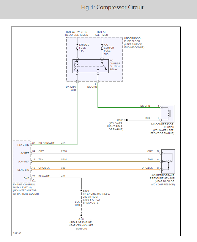
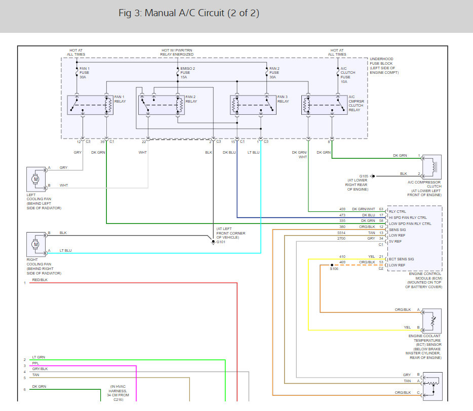
I have included the air conditioner wiring diagrams so you can see how the system works.

Check out the diagrams (Below). Please let us know what you find. We are interested to see what it is.
Aug 16, 2016 at 10:12 AM
Avatar
REY-GTS
  • MEMBER
  • 1 POST
Thanks for this post I had this problem and had to recharge the system works great.
Aug 14, 2019 at 4:53 PM
Advertisement
Avatar
ROSRENREE
  • MEMBER
  • 1 POST
AC Problem. What is wrong when the a/c clicks from fresh air to recycle with a blinking light
Aug 14, 2019 at 4:53 PM (Merged)
Avatar
JACOBANDNICKOLAS
  • CERTIFIED EXPERT
  • 110,175 POSTS
You need to have the computer scanned if the light is flashing to pull trouble codes. That will identify where the problem is coming from.
Aug 14, 2019 at 4:53 PM (Merged)
Avatar
SEMILIE
  • MEMBER
  • 1 POST
Hello! I have an AC that works very well in town. On long trips it stops cooling, usually when I have to slow down in traffic, drive thru window, etc. It takes a while before it starts working again! Any ideas about what is going on?
Aug 14, 2019 at 4:53 PM (Merged)
Avatar
JACOBANDNICKOLAS
  • CERTIFIED EXPERT
  • 110,175 POSTS
That sounds like the evaporator core is icing up which means the system is low on charge. Here is a guide to help you refill the system:

https://www.2carpros.com/articles/air-conditioner-how-to-add-freon

The system will ice up because the low side pressure goes to low when the system is low on refrigerant.

Please let us know what happens.

Cheers Joe
Aug 14, 2019 at 4:53 PM (Merged)
Avatar
KENDRARUSSELL
  • MEMBER
  • 1 POST
Good post, I had the same problem the recharge fixed it. :)
Aug 14, 2019 at 4:53 PM (Merged)
Avatar
RON NIXON
  • MEMBER
  • 1 POST
When I turn the air conditioning on,the light comes on but nothing's blowing out..what could be causing this,and is it an expensive fix?
Aug 14, 2019 at 4:53 PM (Merged)
Avatar
ASEMASTER6371
  • CERTIFIED EXPERT
  • 52,796 POSTS
ok, if the blower is not working, it could be either the blower motor itself or the blower resistor. it needs to be checked for the failure before discussing money

Roy
Aug 14, 2019 at 4:53 PM (Merged)
Avatar
SLESSER
  • MEMBER
  • 1 POST
I have a 2006 Chevy Equinox, and am having AC trouble. It blows cold air sometimes, but after awhile the cold air runs out. Next time I get in the car, ir blows cold again, but sometimes runs out and sometimes doesn't. Seems to lose cooler air when sitting idle in traffic. Very inconsistent between blowing cold air and not (but eventually does again). Had checked and the recharged and said had a "blockage", and take it to dealer. Thoughts?
Aug 14, 2019 at 4:53 PM (Merged)
Avatar
FACTORYJACK
  • CERTIFIED EXPERT
  • 4,159 POSTS
Some customers may comment on poor A/C performance or that the A/C does not get cold enough after a long drive.

Some of the possible symptoms of this condition are:

1, Blowing warm air

2, Reduced air flow

3, Mist/Vapor coming out of vents

Cause:

The cause of this condition may be due to the evaporator core freezing up.

Fix It Right the First Time Tips:

DO NOT replace the evaporator temperature sensor for this condition unless diagnosis proves it to be the root cause. The sensor can be checked for proper function using the Tech 2®. Check the sensor for volts varying around 2.3V to 2.6V. This data is within the BCM and is displayed in the accessory list. If the volts are near zero, check for a good connection at the sensor. Also, inspect the harness for possible damage. The sensor is located on the driver's side of the HVAC module and can be accessed from underneath the instrument panel by removing the closeout panel and OnStar® module, if equipped.

DO NOT replace the thermal expansion valve (TXV) for this condition unless published SI diagnosis proves it to be the root cause.

If AC components have been replaced or the refrigerant has been evacuated and recharged and no PAG oil has been added back into the system, it may have a reduced oil level. Please ensure that the vehicle has the proper amount of PAG oil in the system, as low oil level will contribute to the evaporator freezing up. To return to a nominal level of PAG oil, it may be necessary to flush the system. Refer to SI for flushing instructions.

Correction
Important: The Tech 2® must have software version 27.009 or later.

Recalibrate the BCM with new software using the Tech 2® and following the procedure below. This updated software will control the cycling of the compressor clutch to prevent freezing of the evaporator core.

Install the Tech 2® to the vehicle and power on.
Turn ON the ignition, with engine OFF.
Select "Diagnostics."
Build the vehicle.
Select "Body Control Module".
Select "Module Setup".
Then press "BCM Setup" soft key to execute update. When completed command state will change from "None" to "BCM Setup".
Aug 14, 2019 at 4:53 PM (Merged)