window is not working?

2007 CHEVROLET AVEO
95,000 MILES • 4 CYL • FWD • AUTOMATIC
Avatar
KGEYER182
  • MEMBER
  • 1 POST
my window is stuck halfway down, the motor is bad. Is there any way of forcing it up until i can get a new motor
Nov 12, 2010 at 6:50 PM
Advertisement
Avatar
WRENCHTECH
  • CERTIFIED EXPERT
  • 20,761 POSTS
You can try slapping the inside of the door while holding the switch in case it's a weak motor but that may not work. The door would have to be taken apart and the glass disconnected from the regulator and then propped up but that's about as much work as repairing it.
Nov 12, 2010 at 7:55 PM
Avatar
ABURKE15
  • MEMBER
  • 1 POST
2006 Chevy Aveo 4 cyl Front Wheel Drive Automatic

I have a 2006 chevy Aveo with power windows. I was driving down the road and rolled the window down. when I went to put it back up, it wouldn't move. None of the window buttons work, even the ones on the seperate doors. I think the problem is electrical. All the fuses in the fuse box are fine, but none of them are labled for the windows. I have no idea what the problem is, but I think it is something in the electrical system. Can someone help?
Aug 27, 2020 at 12:46 PM (Merged)
Advertisement
Avatar
JDL
  • CERTIFIED EXPERT
  • 16,098 POSTS
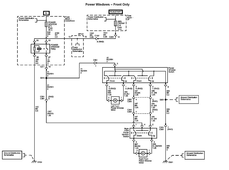
In the diagram you can see the power window relay. Terminal 30 is hot/voltage all the time. Terminal 85 goes hot with the key on. You can see the fuses in the diagram. Not only check the fuses, check for voltage on the fuse circuit. Use a voltage tester.


https://www.2carpros.com/forum/automotive_pictures/170934_aveo_power_windows_1.jpg

Aug 27, 2020 at 12:46 PM (Merged)
Avatar
BECKYCHAVEZ1962
  • MEMBER
  • 1 POST
I cannot get my power windows to roll up.
Aug 27, 2020 at 12:46 PM (Merged)
Avatar
ASEMASTER6371
  • CERTIFIED EXPERT
  • 52,796 POSTS
Good morning.

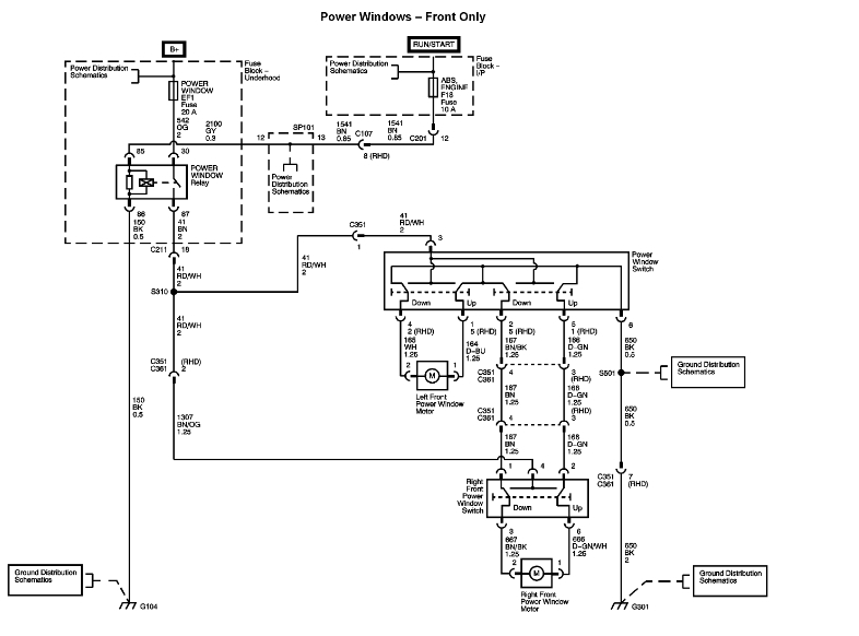
I attached a wire diagram for you to view.

Check the two fuses listed with a test light or voltmeter for power on both sides. Then you will need to go to the master switch and see if there is any power.

Roy
Aug 27, 2020 at 12:46 PM (Merged)
Avatar
PATHOBART
  • MEMBER
  • 1 POST
my rear drivers side window won't go up , I replaced the regulator and motor assembly but It still won't run in the up position. I think it is a polarity reversing problem in one of the switches but with out a schematic I am not sure how to diagnose ?
Aug 27, 2020 at 12:46 PM (Merged)
Avatar
CARADIODOC
  • CERTIFIED EXPERT
  • 34,306 POSTS
The motor has to be okay if it works in either direction but you're right about the polarity issue. That's a function of the switches, although you also have to consider that most regulators now use stranded cables to save weight and if they become frayed they can tangle in the pulleys and only go one way until they bind up tight.

GM has done some unusual things with their window circuits including adding relays to the switch assemblies and involving a computer where one was never needed before. In general, when the motor runs just one way it is due to a burned contact in one of the switches. There are actually four sets of contacts being used when either switch is activated, two in the driver's switch and two in the passenger's switch. Current flows through all four contacts when any switch is activated, so the problem can be caused by either switch.

The easiest way to diagnose this is the least desirable way, and that is to pop in new switches and try them. That's fine if you have some used ones on hand but it's the most expensive way if you have to run out and buy them.

The next best choice is to take them apart, look for a burned contact, and clean it with sandpaper. If there's a relay or pair of relays on the switch, those have to be taken apart to inspect and clean the contacts. GM likes to use sealed relays so you have to buy the entire switch assembly.

You can use a test light to try to diagnose if a switch is the cause of the problem but to be accurate any testing has to be done with everything connected. That means back-probing through the connectors next to the wires. If the motor is not connected, a burned contact could still pass enough current to run the test light which would give a false indication it is working. You don't need a diagram for this. Each switch will have five wires. One will have 12 volts all the time the ignition switch is on. Look for a different wire that gets 12 volts when you press the "up" button, and a different one that gets 12 volts when you press the "down" button. Besides the one that always has 12 volts, when you press a switch only one other wire must get 12 volts. If you find two more wires that get 12 volts you have a broken ground wire, usually between the door hinges.

If you find only three wires at a switch you have an insane computer module involved with the windows. On those systems each switch is wired independently and it is unlikely both would fail in the same way at the same time. Suspect the computer itself. Beginning with some 2002 trucks GM cleverly designed in the need to have a new computer installed by the dealer and programmed to the car before it will work. You can't buy a used computer from the salvage yard. They did that to keep on making money off their customers after the sale. You might get lucky with a 2004 car. A used computer might work without having to be programmed.
Aug 27, 2020 at 12:46 PM (Merged)