heated seats

2007 CADILLAC ESCALADE
Avatar
RIBSPLITTER2007
  • MEMBER
  • 1 POST
front heated seats in a 2007 cadillac escalade not working,how do repair?
Jan 18, 2011 at 9:52 PM
Advertisement
Avatar
FACTORYJACK
  • CERTIFIED EXPERT
  • 4,159 POSTS
First thing to check is connections/fuse (driver seat 2). If this has heated/cooled seats, check the larger connector at the seat climate module under the front of the passenger seat. Usually the ground(large black) or power(rd/wht) shows signs of heat damage and poor connection. Here are the heated seat wiring diagrams so you can see how the system works if the fuses and connection are good 9 times out of 10 its the seat control module. Here and instruction on how to change and program the module.

https://www.2carpros.com/articles/how-to-check-a-car-fuse

Check out the diagrams (Below). Please let us know what you find. We are interested to see what it is.

Cheers
Jan 22, 2011 at 7:15 AM
Avatar
SRLAWSON
  • MEMBER
  • 1 POST
Thank you for this post it was the seat module on my car cost me $130.00 to have the module programmed all fixed! I love this site.
Nov 9, 2018 at 1:17 PM
Advertisement
Avatar
POL98XC6
  • MEMBER
  • 1 POST
Heated seats won't work. I checked for voltage at the fuse and I have none. Wonder what could be causing that?
Nov 9, 2018 at 1:18 PM (Merged)
Avatar
BLUELIGHTNIN6
  • CERTIFIED EXPERT
  • 16,542 POSTS
disconnect Black 2-pin seat belt switch connector, located under right front seat. connect DVOM between the black 2-pin seat belt switch terminals. unbuckle right front seat belt. if continuity exists then let me know for further testing steps. if continuity does not exist, the right front seat belt switch needs replacing.
Nov 9, 2018 at 1:18 PM (Merged)
Avatar
TIM BRUCE
  • MEMBER
  • 1 POST
Seat dont work drivers side
Nov 9, 2018 at 1:18 PM (Merged)
Avatar
JACOBANDNICKOLAS
  • CERTIFIED EXPERT
  • 110,175 POSTS
Chances are the switch is going bad. When it stops working, check to see if there is still a power supply to the switch. If there is, check for power out to the seat.
Nov 9, 2018 at 1:19 PM (Merged)
Avatar
MARRVV
  • MEMBER
  • 1 POST
the heated seat on the driver side in our 2003 Escalade won't stay on, the fuse that it is tied to according to the owners manual looks good (it also the circuit for the ignition).
Nov 9, 2018 at 1:19 PM (Merged)
Avatar
FIXITMR
  • CERTIFIED EXPERT
  • 9,990 POSTS
good possibility heating element is overdrawing current and has to be replaced.
Nov 9, 2018 at 1:19 PM (Merged)
Avatar
2CP-ARCHIVES
  • MEMBER
  • 4,540 POSTS
heater seats dont work ,were is the fuse or relay and under what name??
Nov 9, 2018 at 1:19 PM (Merged)
Avatar
HMAC300
  • CERTIFIED EXPERT
  • 48,601 POSTS
fuse 24 in fuse box under dash however there is a tsb out tthat hte wire under the seat gets pinched an dyour seats don't work and a fw other things.also check to make sure hanrness is rerouted if wires are hitting seat frame.
Nov 9, 2018 at 1:19 PM (Merged)
Avatar
BOB
  • MEMBER
  • 1 POST
2005 escalade d/s front heated seat turns on for about 10 seconds than turns off p/s works fine until you turn on d/s side than turns off also.

When you turn on the drivers side heated seat it stays on for about 10 seconds. The passenger side works fine. but with the passenger side on if you turn on the drivers side it will turn off both seats.

Wife said seat got real hot one day the next time she went to use the heated seat this problem began.
Nov 9, 2018 at 1:19 PM (Merged)
Avatar
RIVERMIKERAT
  • CERTIFIED EXPERT
  • 6,110 POSTS
Sounds like the seat heater shorted out. Check it for shorts.
Nov 9, 2018 at 1:19 PM (Merged)
Avatar
2CP-ARCHIVES
  • MEMBER
  • 4,540 POSTS
2005 Cadillac Escalade Four Wheel Drive Automatic 65000 miles. Every time I turn on the heated seats they turn right off on both sides.
Nov 9, 2018 at 1:19 PM (Merged)
Avatar
2CP-ARCHIVES
  • MEMBER
  • 4,540 POSTS
The heating elements have shorted and need replacing.
Nov 9, 2018 at 1:19 PM (Merged)
Avatar
CLEVELAND2005
  • MEMBER
  • 1 POST
Electrical problem
2005 Cadillac Escalade Four Wheel Drive Automatic 65000 miles
----------------------------------------------------------------
Every time i turn on the heated seats they turn right off on both sides.
Nov 9, 2018 at 1:19 PM (Merged)
Avatar
BUZZSAW
  • CERTIFIED EXPERT
  • 1,198 POSTS
There shorted the elements need replacing.
Nov 9, 2018 at 1:19 PM (Merged)
Avatar
DEWDRINKER04351
  • MEMBER
  • 1 POST
If I don't turn on the drivers side, the passengers side stays on ok, but when I turn on the drivers side, after a few seconds, they both shut off.
Nov 9, 2018 at 1:19 PM (Merged)
Avatar
RIVERMIKERAT
  • CERTIFIED EXPERT
  • 6,110 POSTS
Check the circuit breakers. Check relays and fuses.
Nov 9, 2018 at 1:19 PM (Merged)
Avatar
CADIEMAN
  • CERTIFIED EXPERT
  • 3,544 POSTS
how the light goes out???????????
Nov 9, 2018 at 1:19 PM (Merged)
Avatar
FACTORYJACK
  • CERTIFIED EXPERT
  • 4,159 POSTS
You have a faulty heating element on the drivers side.
Nov 9, 2018 at 1:19 PM (Merged)
Avatar
CADIEMAN
  • CERTIFIED EXPERT
  • 3,544 POSTS
each seat has 3 lower and 1 back elements.these seats heated systems have a problem with the elements.this is a problem for cadillac.they released a option before they properly testing it.
Nov 9, 2018 at 1:19 PM (Merged)
Avatar
BOBDAILEY
  • MEMBER
  • 1 POST
the driver seat of my 2003 Cadillac esclade stopped movement adjustment & heater controll doesn't work
Nov 9, 2018 at 1:19 PM (Merged)
Avatar
FACTORYJACK
  • CERTIFIED EXPERT
  • 4,159 POSTS
Check the connector at the rear of the seat, the seat connection to body harness. There may be a meltdown from high resistance and poor connection.
Nov 9, 2018 at 1:19 PM (Merged)
Avatar
MELANIE_R22
  • MEMBER
  • 1 POST
If the fuse for my heated seats are not burnt out then what would be considered another cause of this?
Nov 9, 2018 at 1:20 PM (Merged)
Avatar
DRCRANKNWRENCH
  • CERTIFIED EXPERT
  • 3,380 POSTS
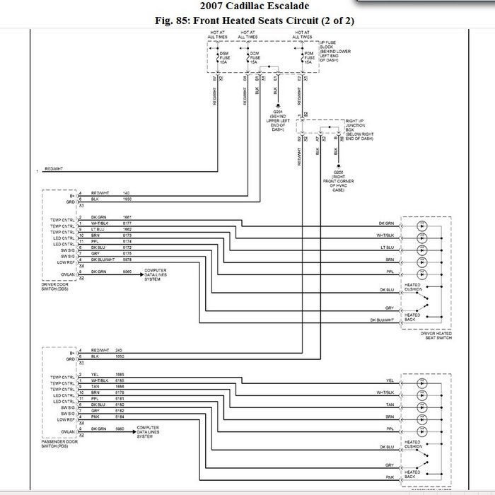
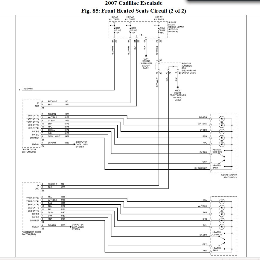
I am providing you with the wiring diagrams for the seat heater circuits. They are 2 pages labeled 1of2 and 2of2. The #1 diagram will be to the left of the #2 diagram to make a complete picture. There is a red and white wire, I believe it is red and white but I have it closed not, and you can see where the wire goes off the page to the right in diagram #1 and comes into the left side of page in diagram #2. It looks like the diagrams are cut off bottom and top but I do this to make the image as large as possible so you can read the color of the wires.

There is one thing that will make tracing the problem different. Notice n daigram #1 that the seatback heater element is seperate from the cushion element in part of the circuit. If only one of them works, you will be looking at the wires for tha element and the possibility that the elemnt has failed instead of the whole circuit.

The possible failed components are as follows;

Memory Seat Module, not a very likely candidate as it has other controls as you will see and they would fail as well in most cases.

The Heater Element in the seat has a resistor or the sensor for the temperature of the seat that could be faulty.

In Diagram #2, it may be hard to read but there is a part under the fuse box to the right called the, "Right I/P Junction". Check it for terminal connection being connected and the ground both being free from corrosion as well.

Driver's door control switch could have failed, just the heated seat control can fail without losing other functions.

Heated seat switch. This acts like a relay but it has diodes in it so it is called a switch. There are 2 signals from the control module to check and sometimes diodes fail which would require the switch to be replaced.

Check all the grounfs as shown in diagrams as wires terminating in an arrow head shape and denoted with a capital, "G" followed by a number. Check for corrosion and contact with bare metal.

To go through the circuit and test what might be wrong if visual inspection fails. If you follow the circuits from the hot wire power source you can read it with a multi meter at different point to check for 12 Volts. This is done by checking if 12 volts is available to each part in the circuit and seeing if the 12 volts passes through the part on the other side. You follow the pathof the voltage in series by tracing the path of the vaoltage from fuse box to ground. Some components liek the Memory Control Module and the Heater Switch with the temp sensor in it will not always have a 12 volt signal as there must be certain conditions me to trigger the signal. For instance, the temp sensor must sense that the temp is below whatever setting you chose for the seat and it turns off the volatage when that threshold is broken to keep the seat at the set temp.
They are also circuit wores that have to have other requirements me, like the ignition switch has to be in the, "ON" position or the switch in the drivers door must be on and you must be checking the correct wires for whatever position you put it in and you should check every position.
You can also check wires that you cannot see by using continutiy or resistance to see if there is a break in the wire.
Let me knwo if you have any questions or need anything else in regards to this issue.
Nov 9, 2018 at 1:20 PM (Merged)