why don't my low beam headlights work?

2007 BUICK LA CROSSE
85,000 MILES
Avatar
ROQROME
  • MEMBER
  • 1 POST
my low beam headlights don't work, high beam works and running lights work. I replaced the low beam bulbs they still do not come on. I checked the old bulbs with a meter and they are ok. Can you tell me why they are not working and how much it will cost approx. To get it fixed?
Dec 7, 2011 at 12:05 AM
Advertisement
Avatar
STRAILER
  • CERTIFIED EXPERT
  • 53,854 POSTS
Hello,

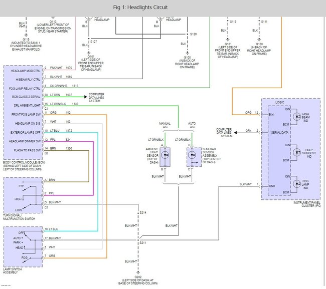
It looks like it could be a fuse please check all headlight fuses. If the fuses are okay there is a high beam relay that if it is not working will cause the low beams not to work, here is a guide and a wiring diagram so you can test for power and test the relay.

https://www.2carpros.com/articles/how-to-check-a-car-fuse

and

https://www.2carpros.com/articles/how-to-check-an-electrical-relay-and-wiring-control-circuit

Please run some tests and get back to us so we can continue helping you.

Best, Ken
Mar 9, 2017 at 12:28 PM
Avatar
WALTERMICHALIK
  • MEMBER
  • 1 POST
the low beam headlidhts stopped working i put in new 10 amp fuses but that was'nt the problem what do i do next? Walter M
Mar 9, 2017 at 12:30 PM (Merged)
Advertisement
Avatar
WRENCHTECH
  • CERTIFIED EXPERT
  • 20,761 POSTS
Test for power and ground at the light and post the results here.
Mar 9, 2017 at 12:30 PM (Merged)
Avatar
15DENNIS
  • MEMBER
  • 1 POST
i have the exact same problem with my 07 Buick lacross.
Mar 9, 2017 at 12:30 PM (Merged)
Avatar
WRENCHTECH
  • CERTIFIED EXPERT
  • 20,761 POSTS
You're welcome to read this thread but it belongs so someone else so if you want to ask questions, please start a new question of your own.
Mar 9, 2017 at 12:30 PM (Merged)
Avatar
BRIANOGLESBY
  • MEMBER
  • 3 POSTS
Where is the low beam relay located
Mar 9, 2017 at 12:30 PM (Merged)
Avatar
WRENCHTECH
  • CERTIFIED EXPERT
  • 20,761 POSTS
There is no low beam relay in the circuit.
Mar 9, 2017 at 12:30 PM (Merged)
Avatar
  • MEMBER
  • 0 POST
Is this a common problem with this car?
Mar 9, 2017 at 12:30 PM (Merged)
Avatar
ACEPA1001
  • MEMBER
  • 1 POST
My low beams and side lights stopped without warning.The auto light control continues to working plus high beams. What is the possible cause ?
Mar 9, 2017 at 12:31 PM (Merged)
Avatar
HMAC300
  • CERTIFIED EXPERT
  • 48,601 POSTS
there are three different types of headlights for this and we need to know what type you have in order to give a correct answer.
Mar 9, 2017 at 12:31 PM (Merged)
Avatar
CHARLESM0N21
  • MEMBER
  • 1 POST
I'm having a problem with my low beam headlights it turns off when i only driving at night. I have tested the headlamp, mini fuse, wire connection, battery voltage, I replace the relay switch (#35 on under hood fuse/relay box), check the light switch and replace the power cable. After all that the headlights sill turns off, first dimming low lowest before turning off when i pull check the relay it is hot to the touch like its getting a lot of voltage where would it come from? a module? or another relay? or it is something else? how can I balance this out, I have taken my car to a shop they couldn't figure out the issue.
Mar 9, 2017 at 12:31 PM (Merged)
Avatar
HMAC300
  • CERTIFIED EXPERT
  • 48,601 POSTS
check the ground by headlight they are behind headlights on bar and check grounds on engine 1 by transmission on a stud and the other behind lh head. make sure they are clean and tight. This cold also be a module problem so if that doesn't stop it from doing that then have it scanned.
Mar 9, 2017 at 12:31 PM (Merged)
Avatar
  • MEMBER
  • 0 POST
low beam headlamps will not come on. I replaced both bulbs, the fuses are good, but the contacts for the fuses are dead, I tried all different configurations with the light switch with no results. The parking lamps operate. I would suspect a relay but have no schematic. Do the relays pull straight out of the fuse box? Thank you Patrick Gallamore
Mar 9, 2017 at 12:31 PM (Merged)
Avatar
HMAC300
  • CERTIFIED EXPERT
  • 48,601 POSTS
check fuses underhood fuse box
Mar 9, 2017 at 12:31 PM (Merged)
Avatar
  • MEMBER
  • 0 POST
driver sid e low beam headlight went off
Mar 9, 2017 at 12:31 PM (Merged)
Avatar
JACOBANDNICKOLAS
  • CERTIFIED EXPERT
  • 110,175 POSTS
CHeck bulb and fuses.
Mar 9, 2017 at 12:31 PM (Merged)
Avatar
JOHNBOWDEN
  • MEMBER
  • 2 POSTS
The low beams went out on my car. Fuses are good, but there is no voltage going to them. The manual says there is a circuit breaker in the under-hood fuse block, but I do not see anything like that. There is a mini relay for the high beam, but not low beam. Also, the high beams and parking lights work normally.
Jan 23, 2019 at 6:00 PM (Merged)
Avatar
JDL
  • CERTIFIED EXPERT
  • 16,098 POSTS
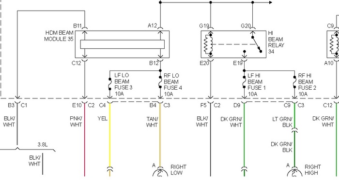
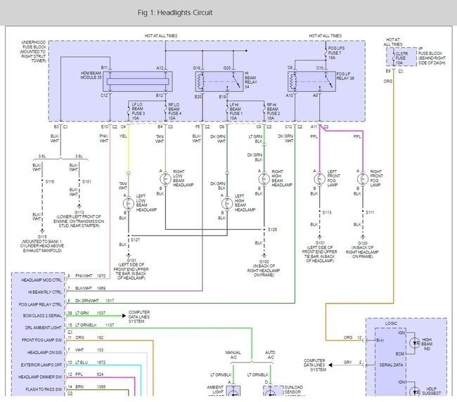
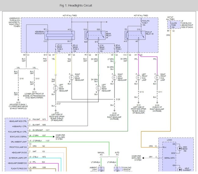
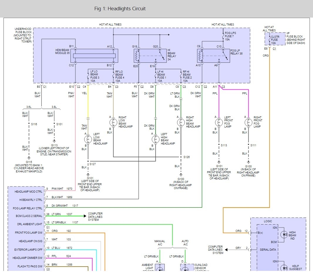
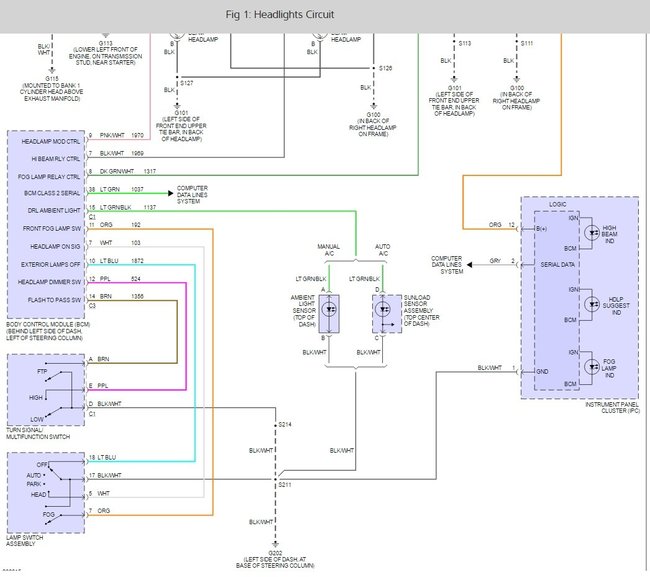
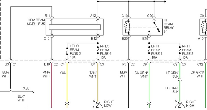
Micro relay 35 in diagram.
Jan 23, 2019 at 6:00 PM (Merged)
Avatar
JOHNBOWDEN
  • MEMBER
  • 2 POSTS
Number 35 micro relay is for the high beams, which are working properly.
Jan 23, 2019 at 6:00 PM (Merged)
Avatar
JDL
  • CERTIFIED EXPERT
  • 16,098 POSTS
That is not what my database shows. Databases can be wrong, sometimes. Wiring below. Let us know.
Jan 23, 2019 at 6:00 PM (Merged)
Avatar
KEITHROBERTS1
  • MEMBER
  • 1 POST
I just had the same problem took it to a mechanic for electric problems. He said it was my auto headlight relay module charged me $72.00 for the the part and and $65.00 for labor. just went out and looked in the fuse box under the hood and it was number 35 relay 34 is for my high beams. Could have fixed it myself if I came to this page. I am not a happy camper!
Jan 23, 2019 at 6:00 PM (Merged)
Avatar
BRIANOGLESBY
  • MEMBER
  • 3 POSTS
My low beam lights won't come on in auto or manual. All other
Lights work park lights, tail lights, switch the lights to high beam
And they work. I checked the low beam fuses they were good I
Also checked the low beam bulbs. What next ?
Jan 23, 2019 at 6:00 PM (Merged)
Avatar
BRIANOGLESBY
  • MEMBER
  • 3 POSTS
Email me with an answer
Jan 23, 2019 at 6:00 PM (Merged)
Avatar
HMAC300
  • CERTIFIED EXPERT
  • 48,601 POSTS
check the low beam relay then have your multi switch checked.
Jan 23, 2019 at 6:00 PM (Merged)
Avatar
KUEHNM
  • MEMBER
  • 1 POST
About a week ago the headlights went out while my husband was driving and wouldn't come back on. The high beams worked but the low wouldn't come on. When he got to where he could stop and check it out he tried everything to get them to come on or at least find the problem. He tried pulling the fuses and a shaking the wiring and stuff. Then, after he was home for a little bit and checking it out at home they just came back on like nothing was wrong. Everything was okay until the night before last. I had the car running for about two minutes (I was on my way home from the grocery store that is about 2 miles away from our house) when they went out again. I don't know if it is a problem with the day/night sensor, the wiring for the lights or something else. Can you help me find/figure out what might be wrong?
Jan 23, 2019 at 6:00 PM (Merged)
Avatar
RICHARDX4
  • MEMBER
  • 1 POST
richardx4 2006 Buick CXL I was having the same troubles,eccept my auto daytime running lights went out and never came back on. First thing I did was made sure my bulbs weren't burned out. They were fine so I took a gamble. After lots of searching this site, I read somewhere that it was the relay #35 in the fuse pannel under the hood. I went to the part store and they looked it up with the info I gave them and the relay in hand they ordered me a new one. Two days later, problem is solved.
Jan 23, 2019 at 6:00 PM (Merged)
Avatar
CPM101
  • MEMBER
  • 1 POST
richardx4's answer worked like charm. The relay is a little pricey. The dealer was the only one locally that had the part. $47.00.
Jan 23, 2019 at 6:00 PM (Merged)
Avatar
DORIS HARRELL
  • MEMBER
  • 1 POST
I have 2006 Buick LaCrosse - while driving the headlights will go off. Scary at night. I checked the light ****s, ok, nothing could make the lights come back on. I turned the car off and back on, still no lights. I switched on high beams and they work. Switched the highs off, no low beams, dark...had side lights and tail lights just no low beam lights. Had to drive with high beams on, made alot of people mad, lol. Took to dealer, and of course, the lights were normal. They kept my car for 3 weeks, I told them to please drive it at night, take it home, whatever it takes. Still they couldnt get it to do the problem. Now the lights are going on and off more frequently and cant seem to get to dealer when they are off. They cant seem to find what the problem is. I NEED HELP, its really scary at night. The dealer said they changed the wiring harness but it didnt take care of the problem. What can I do? What can they change to make it work?
Jan 23, 2019 at 6:00 PM (Merged)
Avatar
REEVESRK
  • MEMBER
  • 4 POSTS
Did you find out what was causing your problem? My la crosse is doingthe same thing
Jan 23, 2019 at 6:00 PM (Merged)
Avatar
SLZANDER
  • MEMBER
  • 1 POST
My car had this same issue. It cost me $300 to get it fixed. It was some relay that had gone bad. I had to drive home with my high beams on; I made a lot of people angry!
Jan 23, 2019 at 6:00 PM (Merged)
Avatar
RICKG26
  • MEMBER
  • 1 POST
I know what the problem is. Thank you GM. After researching I found it to be the headlight relay. But it's not called headlight relay. Under the hood is a relay Box. In their is a relay called HDSM. Thats the Relay. Dealer wants $62.00 for. Checkers wants $38.00.
Jan 23, 2019 at 6:00 PM (Merged)