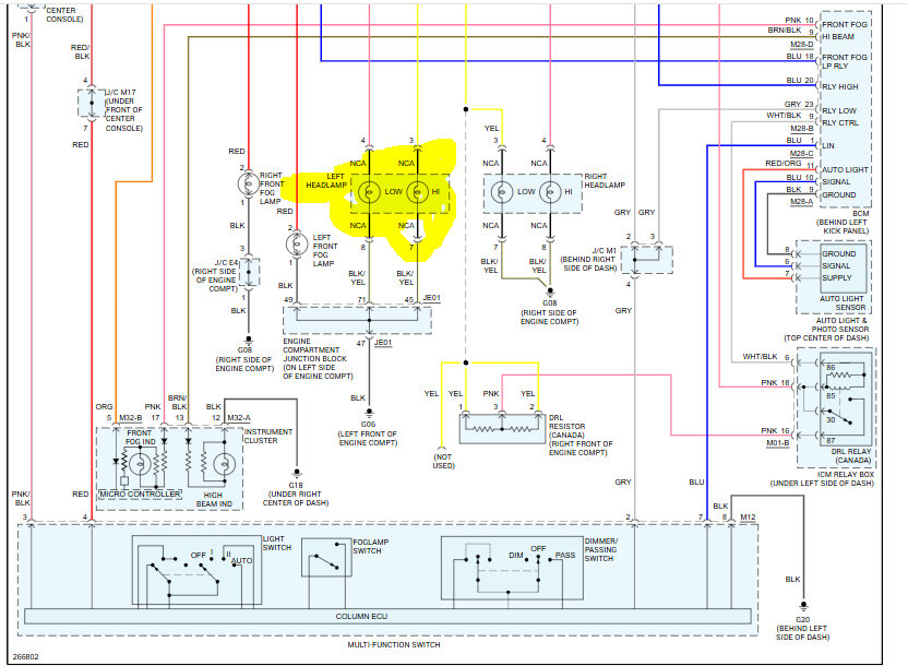
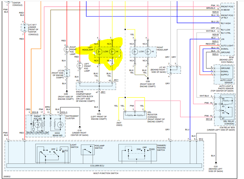
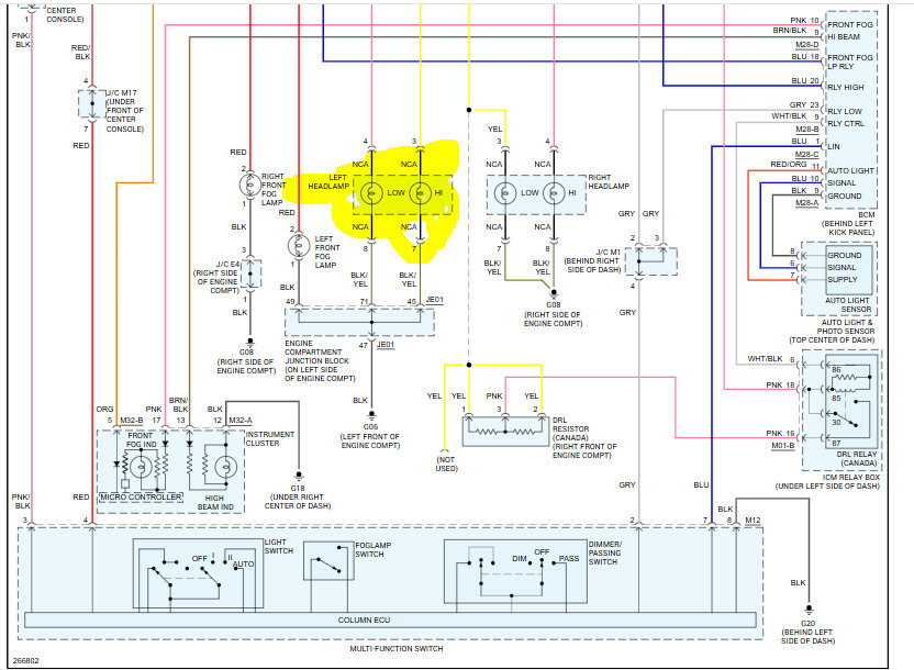
I have a 2007 Azera driver side headlight that I am replacing with a 2006.(I paid too much and got the wrong light and can't return it)
I want to wire a 2006 harness in with the 2007. (In case I switch back or sell), but I can't find the pin out for either to make life easier. Anybody know where I can get this information?
Thanks, much!
Mike
I want to wire a 2006 harness in with the 2007. (In case I switch back or sell), but I can't find the pin out for either to make life easier. Anybody know where I can get this information?
Thanks, much!
Mike
Sep 1, 2025 at 8:07 PM

