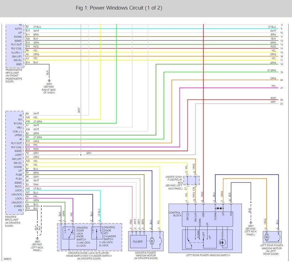
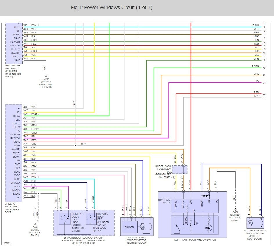
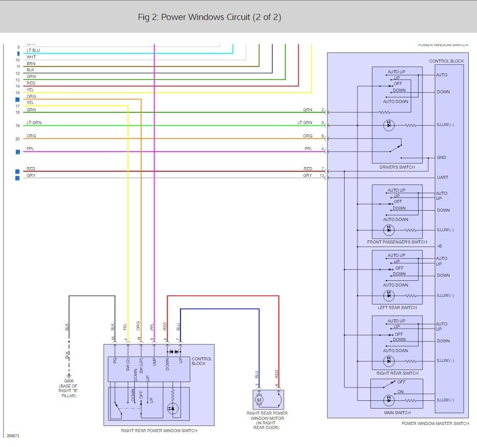
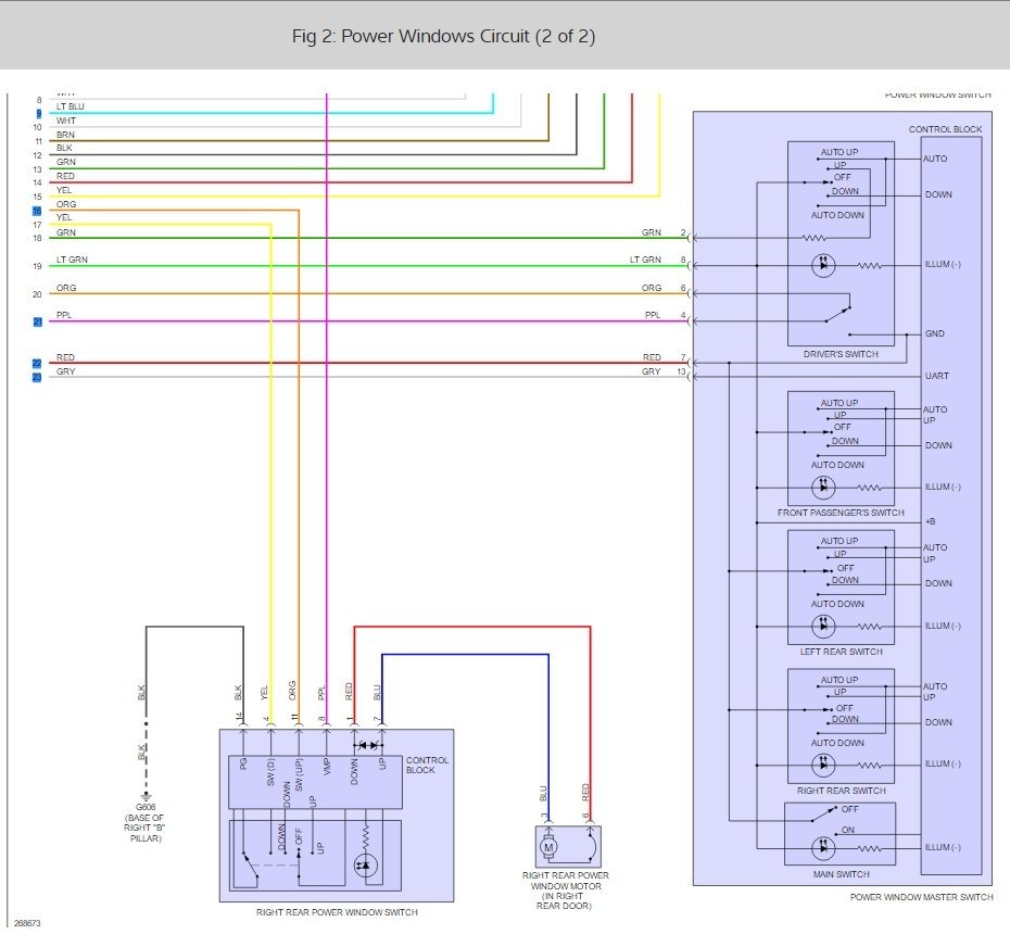
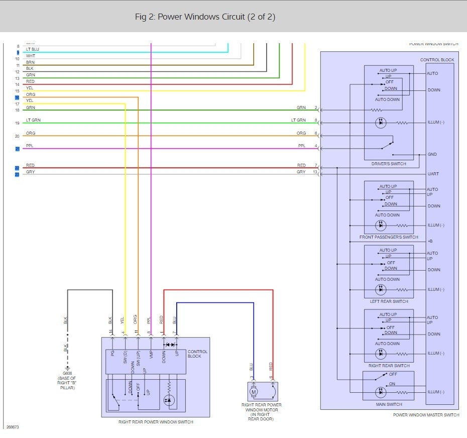
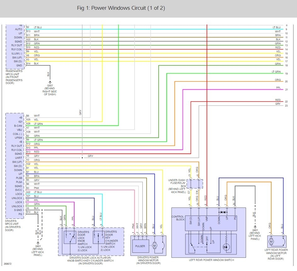
My wife went to roll down both rear windows from the driver's master switch and they will not roll down. When she depresses the buttons for the rear windows, she hears a clicking noise and nothing happens. I check the fuses in the fuse box by the driver's kick panel and they all seemed good. I do not know if there are other fuses or relays I can check. I think it may be electrical because neither of the window buttons in the rear doors are lit at night. What other fuses or relays can I check/change to get the windows working again and where are there locations? Also important is the fact that they were working a few days ago and just quit.
Mar 12, 2015 at 5:36 AM














