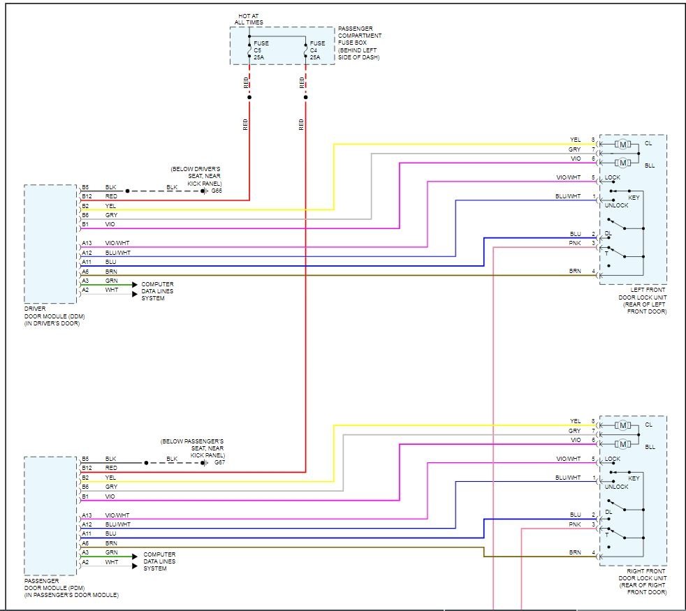
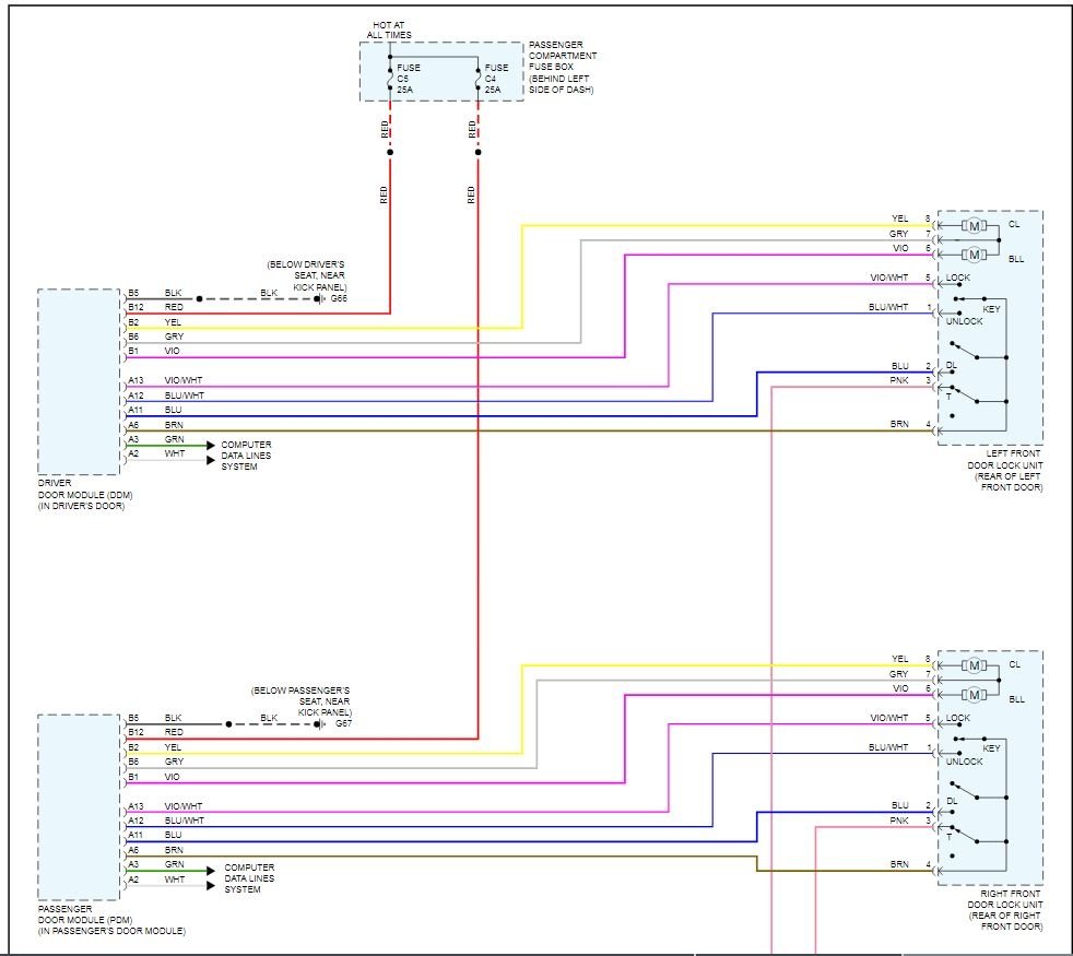
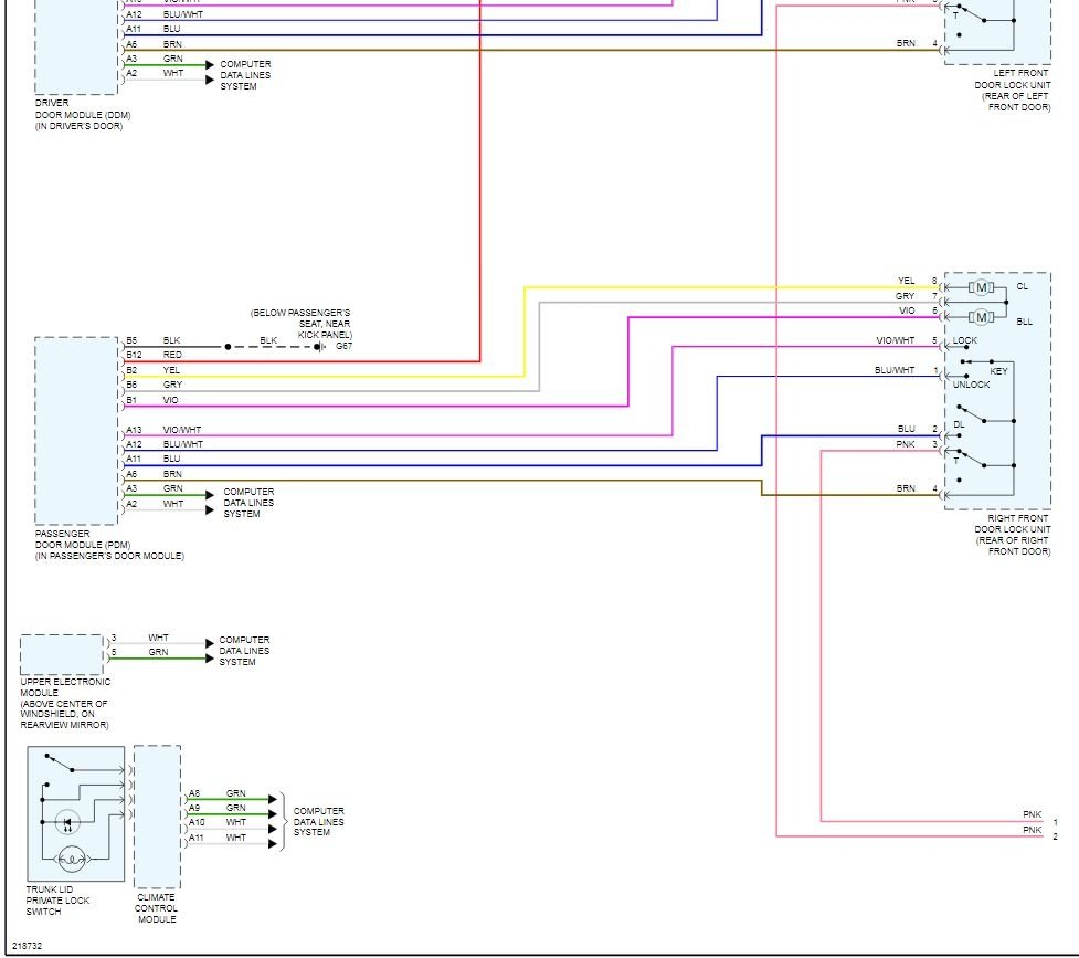
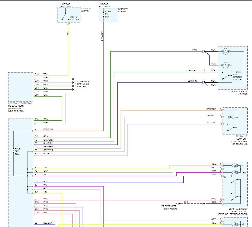
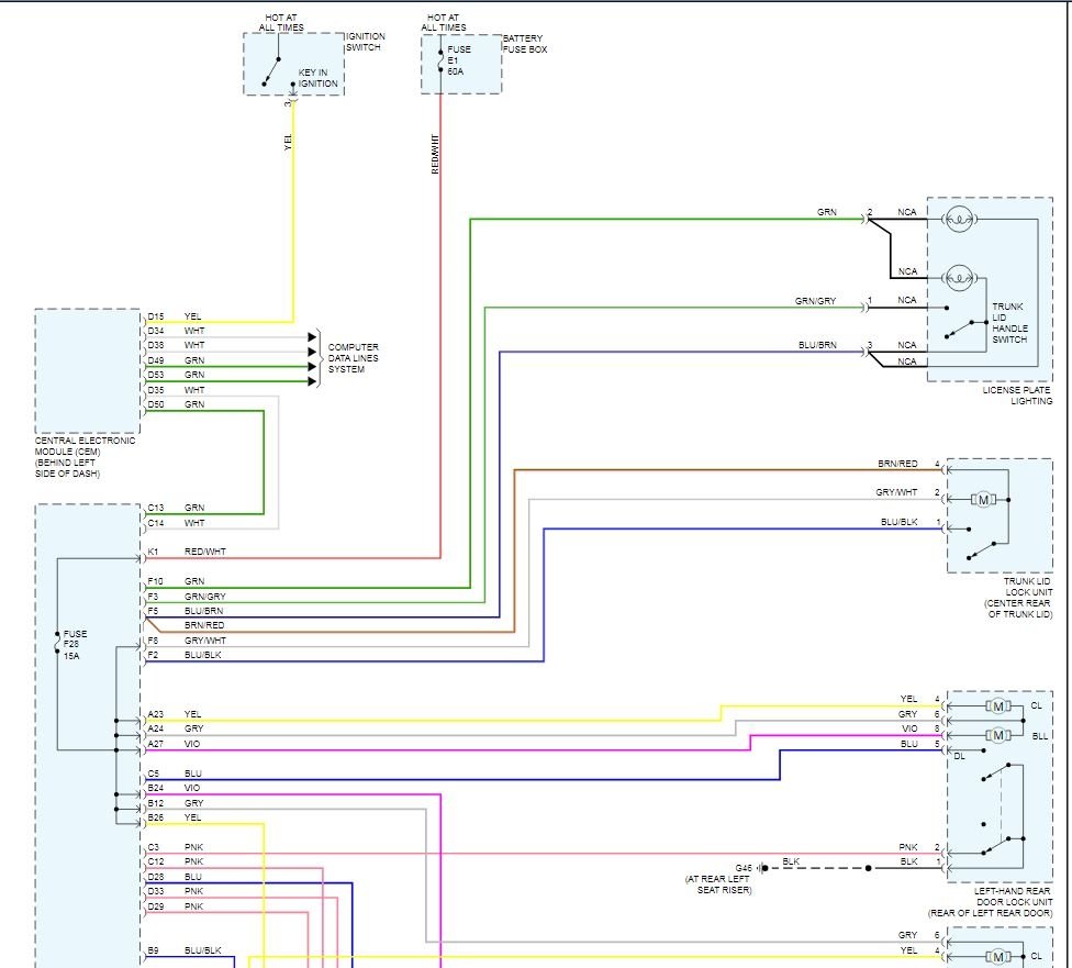
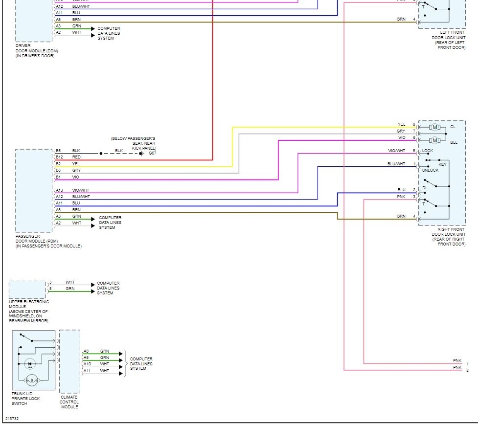
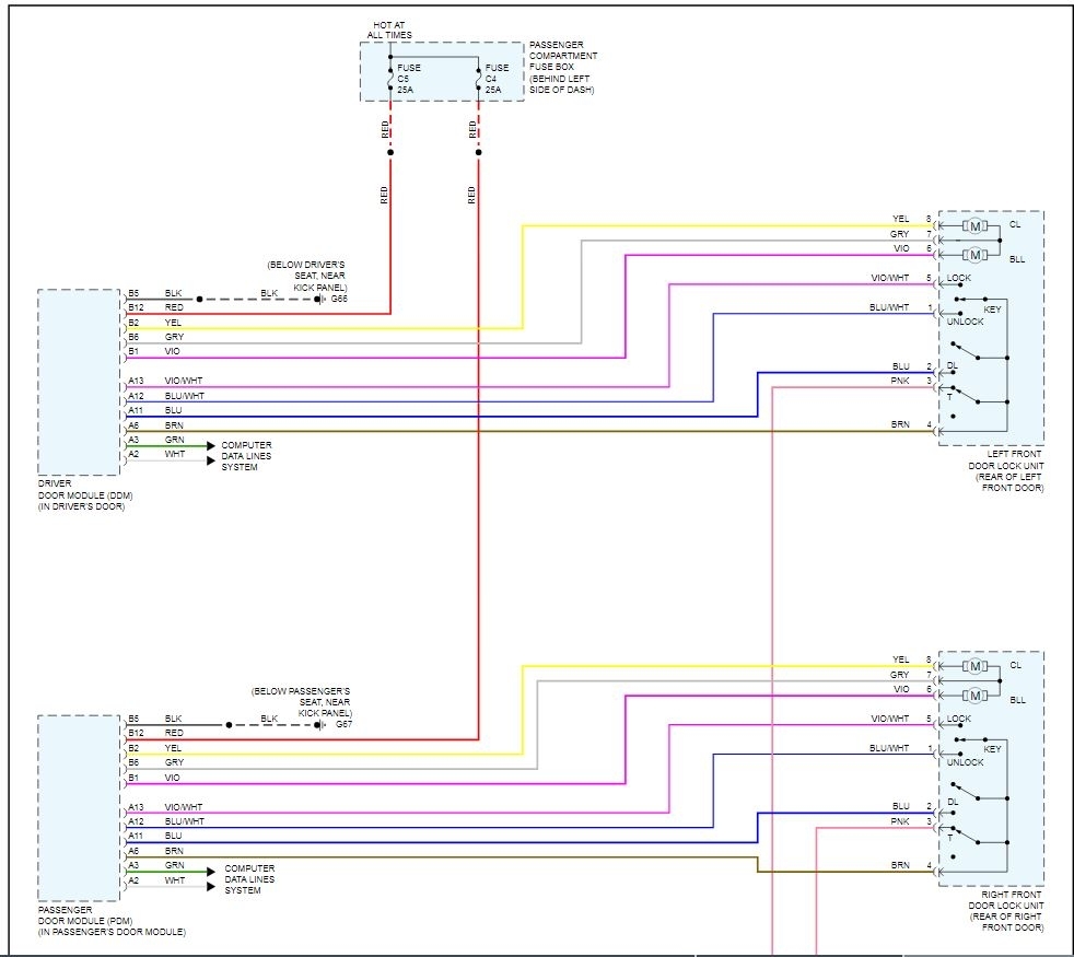
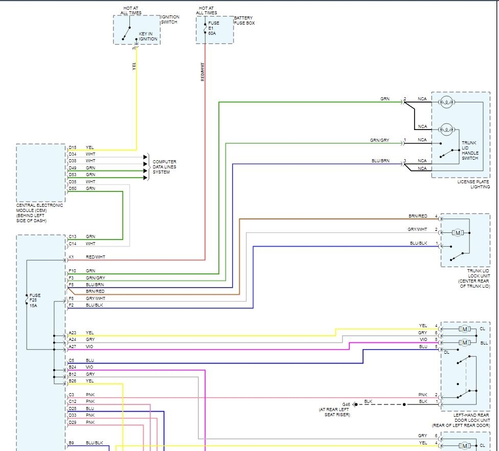
The key fob will lock and unlock the doors, but the button on the inside on the door will only lock the doors. Is this a problem with the power lock module?
Dec 28, 2011 at 4:42 PM




