Hello,
There are several factors for that code to come on. It could be as simple as a lose or defective gas cap. It could also be a leak anywhere in the evaporative system, which could include the fuel tank or a faulty hose.
Have you made sure that your gas cap is on properly? Have you tried clearing the code?
Here is a video showing how to clear the code:
https://youtu.be/ahK_eucFi-k
https://youtu.be/iH92vcUWJzs
You also might find this article helpful:
https://www.2carpros.com/articles/how-emission-control-systems-work
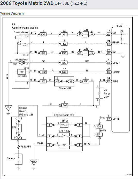
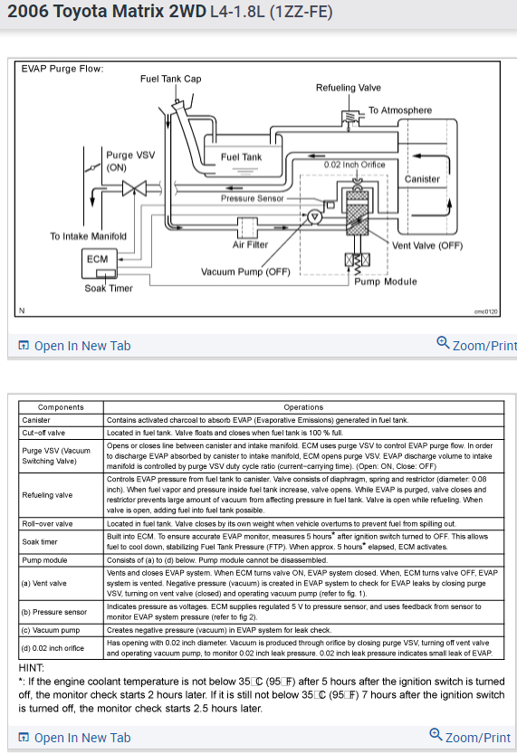
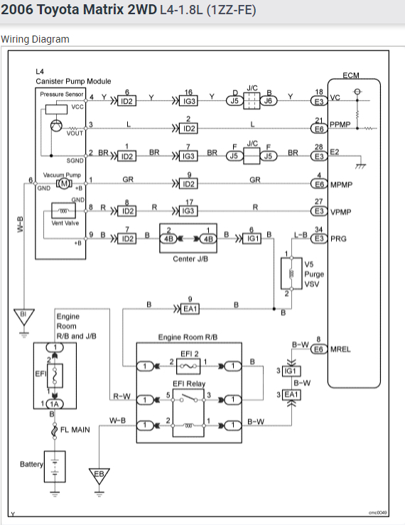
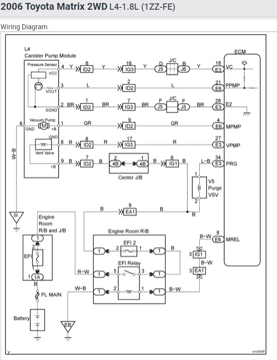
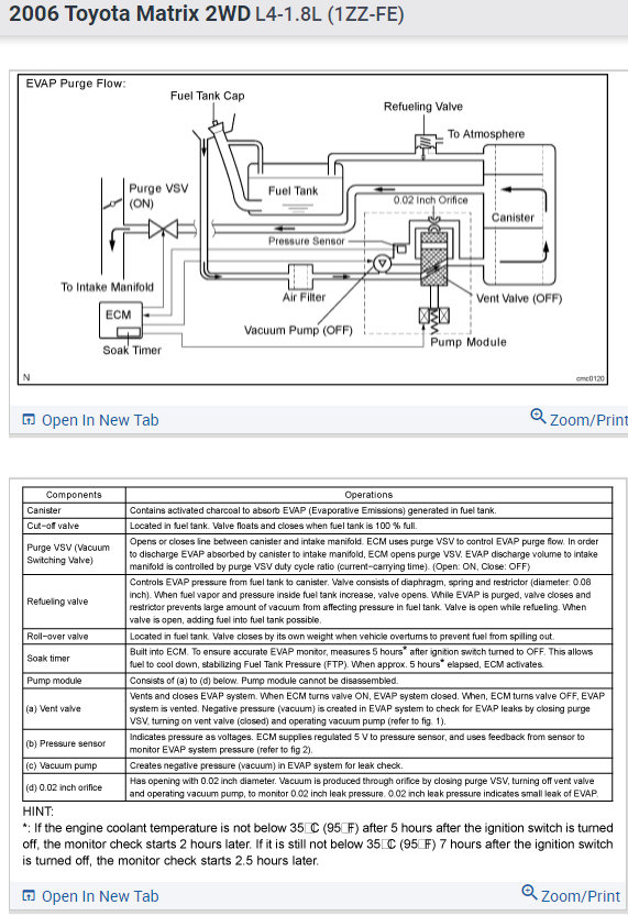
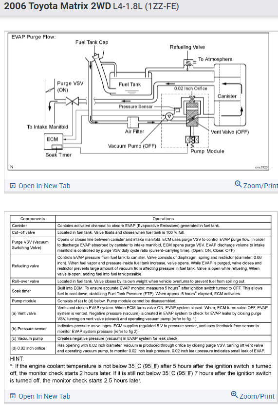
I have attached a step by step procedure of diagnose and determine what is the cause for the error code in your vehicle.
Please let me know if you have any questions.
Thank you.
Images (Click to enlarge)
Jul 14, 2021 at 9:14 AM