HVAC fan not working

2006 PONTIAC TORRENT
120,000 MILES • 3.4L • V6 • 2WD • AUTOMATIC
Avatar
QUEST383
  • MEMBER
  • 2 POSTS
The blower fan is not working at any speed. red/white wire at motor has 12 volts all the time also at the resistor. i have ground for all fan speeds. if i plug the fan and resistor in i now have 12 volts on red/white wire going into the motor and 12 volts coming out the purple wire at the blower motor it then sends 12 volts to one side of the resistor. purple wire should 12 volts be coming out of the motor on the purple wire going to the resistor or is the resistor not grounding it? please help.
Jan 7, 2022 at 8:53 PM
Advertisement
Avatar
JACOBANDNICKOLAS
  • CERTIFIED EXPERT
  • 110,175 POSTS
Hi,

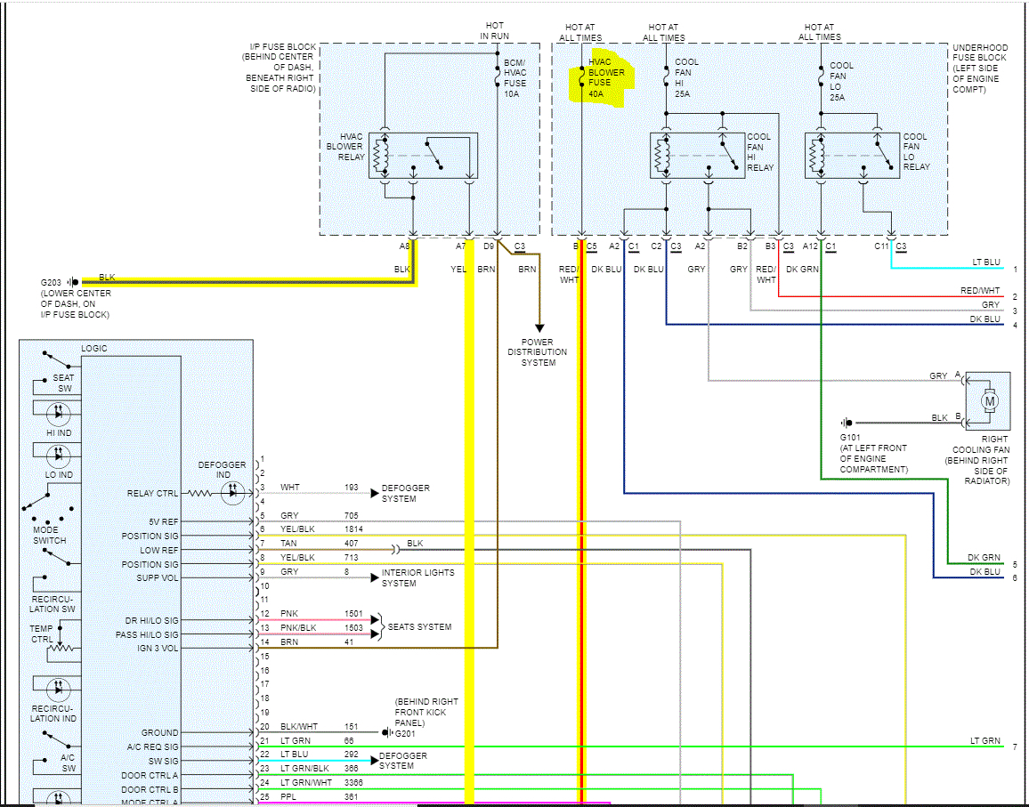
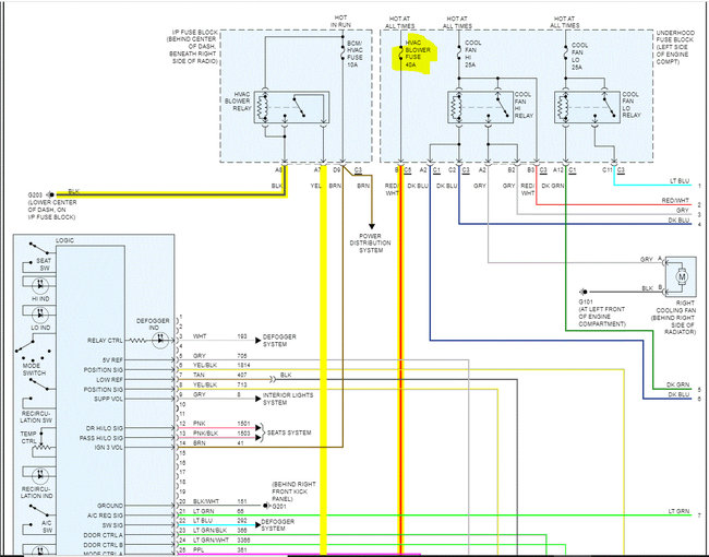
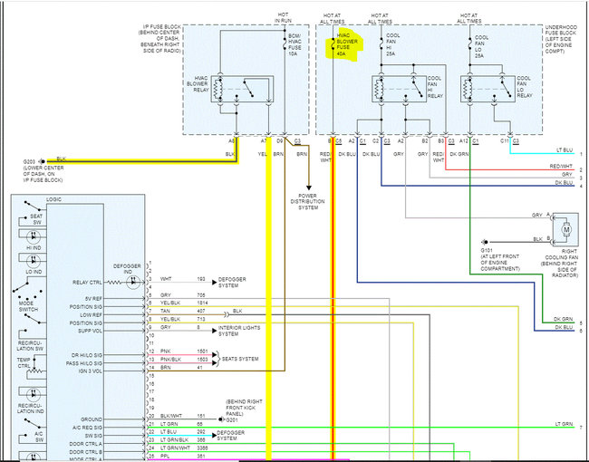
The easiest way for me to explain this is to explain the circuit.

Power is supplied directly to the blower motor from the HVAC blower fuse via the red/white wire. You have power there.

Next, power goes through the blower motor, the resister, and then the switch in the vehicle. However, in the off position, the switch is open and no power flows. When you select a speed, for example, high speed, a ground path is provided by the switch directly to the purple wire between the relay and its ground. That would be high speed.

If you look at the pics below, I attached the wiring schematic and highlighted all wiring involved.

When you select low speed, power goes through the resister via the yellow wire to ground.

When you select m1, power then is routed through the resister via the tan wire to ground.

When you select m2, power is routed through the resister via the light blue wire to ground.

And then high is a direct 12v line via the purple wire.

Inside the resister is where the speed is actually controlled via different levels of resistance in the blower motor resistor. The different resistances control the amount of voltage allowed to run through the motor. As a result, the fan speed changes.

So, to answer your question, yes power should be at the purple wire out from the motor. From that point, there needs to be a ground completing the circuit and that is decided by the switch, the blower motor relay, the BCM HVAC fuse /inside of the vehicle center of the dash, and then a good ground located on the lower left side of the dash fuse box (black wire).

Okay, I attached the schematics below, and let me know if anything I said makes sense. LOL, I never know if what I'm saying makes sense to others when it is read.

Also, here is a link you may find helpful:

https://www.2carpros.com/articles/how-to-check-wiring

Take care and let me know what you find or if you have other questions.

Take care,

Joe

See pics below.
Jan 7, 2022 at 9:57 PM
Avatar
QUEST383
  • MEMBER
  • 2 POSTS
Thank you for the help, turned out to be the Resistor. The grounds checked good at each fan speed but had no continuity at the end of the end of resister where it connected to the purple wire from the motor.
Jan 8, 2022 at 12:03 PM
Advertisement
Avatar
JACOBANDNICKOLAS
  • CERTIFIED EXPERT
  • 110,175 POSTS
Hi,

Thanks for the update. I'm glad to know you got it fixed.

Take care of yourself and feel free to come back anytime in the future if you have questions. You are always welcome here.

Take care,

Joe
Jan 8, 2022 at 11:28 PM