Engine shut off while driving

2006 SCION XB
160,000 MILES • 4 CYL • 2WD • AUTOMATIC
Avatar
TONYNEAL
  • MEMBER
  • 37 POSTS
I’ve been trying to fix the A/C, it was working fine then the blower motor quit.
I put in a new blower motor but now the A/C doesn’t kick on at all.
Now this morning, out of the blue, it shut off while driving down the road. I pulled over checked the fuses, found the one for the fuel pump was blown. I switched it out, but I can’t hear the fuel pump run and tapping on the tank, it sounds empty, but I just put half a tank in it.
And now it cranks but won't start, and the check engine light flashes in sequence with a ticking noise from somewhere in the engine compartment, what's that about?
May 24, 2022 at 11:51 PM
Advertisement
Avatar
AL514
  • CERTIFIED EXPERT
  • 5,465 POSTS
Hello, sorry to hear about the troubles. So, you found the EFI Fuse 15amp blown? Looking at the wiring diagrams it is the one that powers the fuel pump through a couple of relays. Is this correct or did you find a different one? Because that fuse runs a lot of other things as well. Actually, this circuit runs most of the vehicle's main sensors and actuators.

https://www.2carpros.com/articles/how-to-check-a-car-fuse
May 25, 2022 at 11:41 AM
Avatar
TONYNEAL
  • MEMBER
  • 37 POSTS
I changed out the fuse, it said fuel pump, but I can’t recall if it had other writing there as well. I’m not with the car right now, trying to find a way to get it home.
After I changed the fuse though, I could hear the pump relay switching, but I couldn't hear the pump running.
May 25, 2022 at 5:12 PM
Advertisement
Avatar
AL514
  • CERTIFIED EXPERT
  • 5,465 POSTS
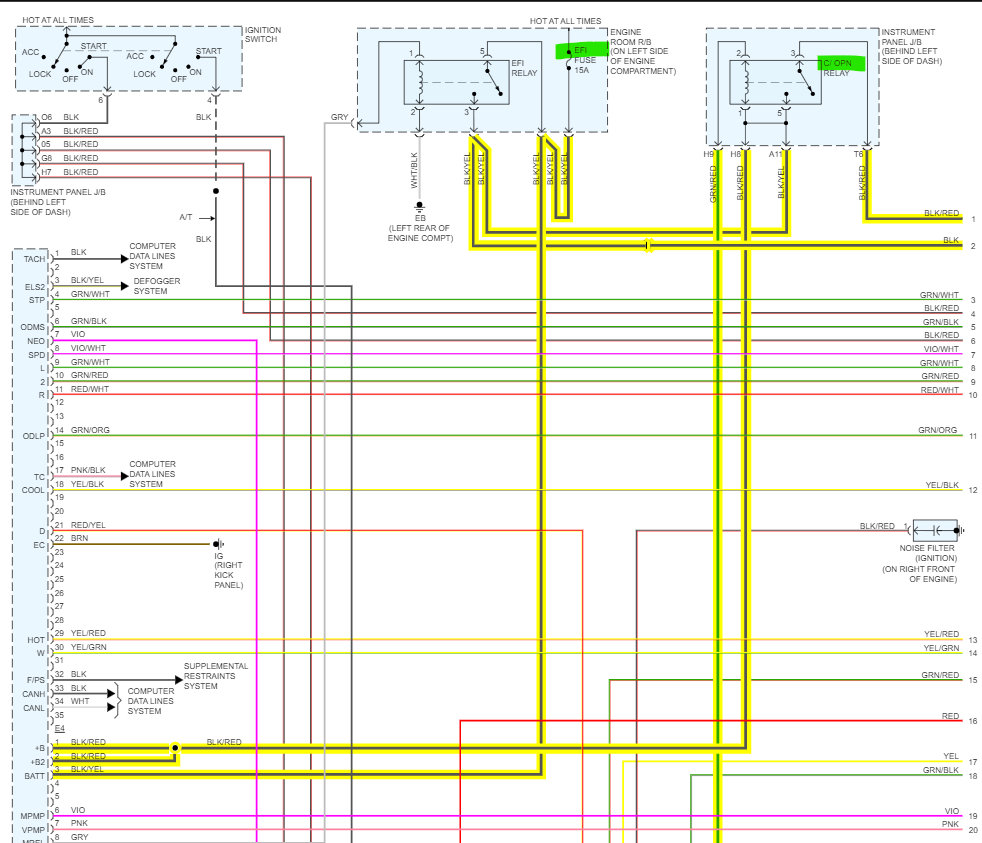
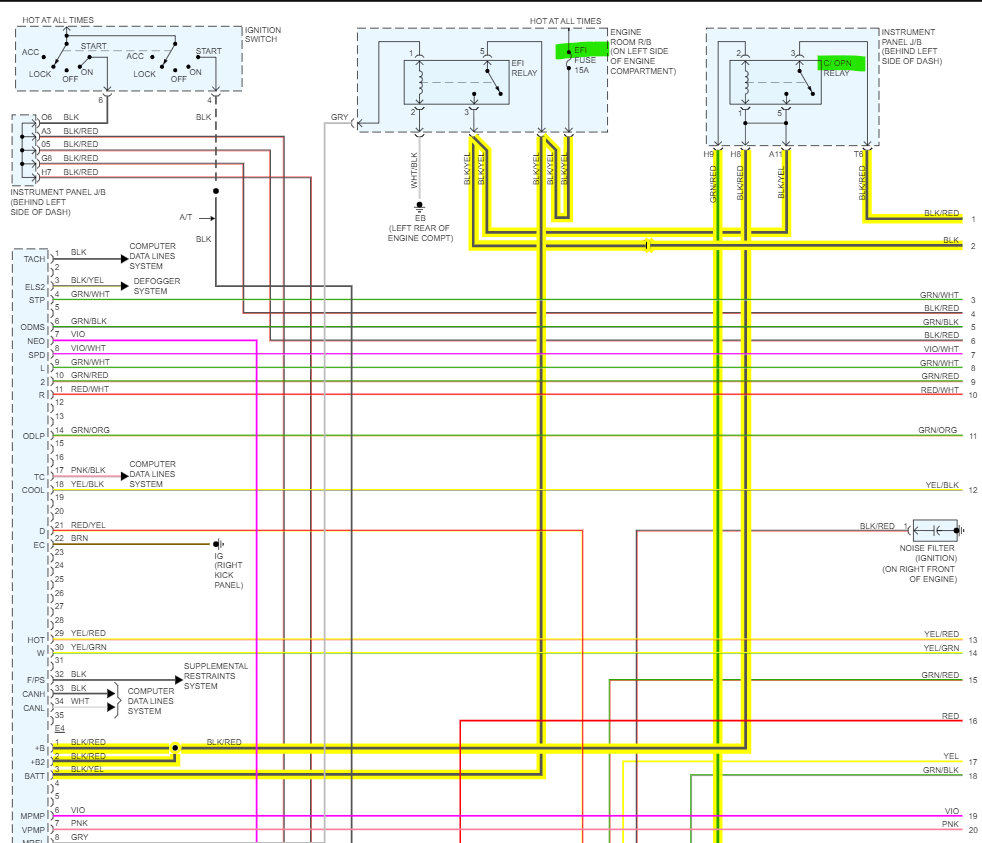
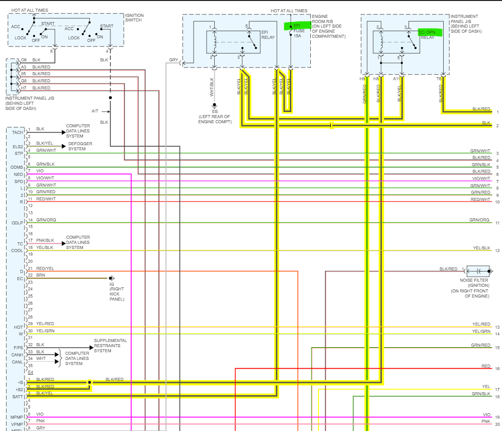
Okay, I just don't see any fuses labelled Fuel Pump. Was the fuse in the engine compartment fuse panel or inside the vehicle? And did you find the name of the fuse in the glovebox manual, possibly it was labelled something different in there. I'm going through All Data and Mitchell right now, and the fuel pump is powered up by the C/OPN Relay which is powered up through the EFI Relay and both are ECM controlled. The EFI Fuse 15amp is in the engine compartment Relay Block on the driver side, so it must have been that fuse. You could be hearing either of those relays clicking, but if it burned the fuse for the pump, most likely after you replaced the fuse it just burned again. That circuit powers both the oxygen sensor heater circuits, the Vent valve, the idle air control valve, the Evap purge valve and Battery + to the Mass Air Flow sensor.
So, it's going to be tough to find the short to ground with all those components. At least you can get to most of these pretty easy to unplug them and see if that's where the short is. I'd start with checking the both oxygen sensors. They're located in a spot that is prone to damage.
The rest except the Vent valve are easy to get to. I'll post the wiring diagrams for you if you need them.
You're going to hear things clicking on and off because that EFI Relay and C/OPN Relay both have their control sides powered up directly from the ECM.
May 25, 2022 at 7:52 PM
Avatar
TONYNEAL
  • MEMBER
  • 37 POSTS
The fuse was labeled EFI, and it was in the engine compartment. But it didn’t blow after replacing it, now the fuel pump runs continuously! Could it be flooding it, and that's why it won’t run?
I would like to find out what is causing the “check engine” to flash, and what under the hood is clacking ing sequence with it, it started after the car was already dead and parked. I tried to get it to run but all it did was crank, then it started flashing and clacking. Any ideas?
Jun 14, 2022 at 1:09 PM
Avatar
AL514
  • CERTIFIED EXPERT
  • 5,465 POSTS
Does the Fuel Pump run even with the Key out? Usually when a Check Engine light is flashing it means a failure occurred that will cause damage to the Catalytic Converter. To flood the engine out it would need to be firing the fuel injectors and it would eventually fill the cylinders with gasoline. It would then hydro lock because the cylinders would be filled with gas and that would prevent the pistons from moving. It almost sounds like something may have shorted the engine computer out. That EFI fuse powers the computer and also the C/OPN relay which powers up the fuel pump. So, for the pump to stay on the relay it must be stuck on as well. The relay also powers up part of the Evap system back near the gas tank. It also powers the Idle Air Control valve and the Evap Purge valve. It's probably those 2 valves you're hearing under the hood. When the Idle Air Control valve is powered up, they can make a ticking type noise. But since we don't know what really failed, if it was an engine computer failure, and the computer is still powered up, it can be trying to move the Idle control valve when it's not supposed to. The fact that the main fuse for the engine computer burned is not a good sign.
It means that something shorted power to ground, some possibilities are a wire was touching a part of the exhaust and melted the insolation causing it to short out that way, something was on the road and it caused some wire damage, it's hard to say without taking a look under the vehicle and under the hood for any wire damage. Because those wires power so many components up, the relays could be clicking on and off, keeping the pump running. But either way, it needs to be looked at somewhere that can possibly put it up on a lift and scan the computer for codes if communication with the computer is even possible.

The EFI relay is in the same engine compartment fuse panel as the EFI fuse is. I would open the hood and see if it's the relay clicking on and off. Look for any damaged wires, pull the EFI Relay out, I'll bet that will stop the clicking for now, but it's impossible to give a diagnosis without looking at the vehicle. I'll put the wiring diagrams below for the EFI relay and fuse.

https://www.2carpros.com/articles/how-a-car-computer-works-pcm-ecm-bcm

https://www.2carpros.com/articles/how-a-car-electrical-system-works

https://www.2carpros.com/articles/car-not-running-advanced
Jun 14, 2022 at 8:35 PM
Avatar
TONYNEAL
  • MEMBER
  • 37 POSTS
First off, I’d like to thank Expert Al514 for helping me, us (my family), in trying to figure out the problem with our little car, it really means a lot that you took the time answering my questions and providing other data to help us.
I know some time has passed, but this event came at the worst possible time, as I had been diagnosed with chronic heart failure, so I wasn’t able to do much more. I was however able to pull the computer after examining the plug for the OBD2 I noticed there was a short (I don’t know how) in the bank’s designated for the ECM. Thinking may it was damaged I picked one up at the junk yard. And that was as far as had gotten.
Until today. A while back my wife ordered a mor advanced OBD2 CAN Scanner for Toyota on eBay, because mine wouldn't do anything in the car, and she said we will need to program our vin into the new (used) ECM. So today we gave it a shot. And it said the device couldn’t do it. But while out there I was able to check, and it’s got compression and NO spark whatsoever. Any suggestions where to go from here?
Jan 26, 2023 at 4:10 PM
Avatar
AL514
  • CERTIFIED EXPERT
  • 5,465 POSTS
Hello, sorry to hear about your sickness, I do hope you are able to get better from this, I'm looking back over your folder. You're saying the obd2 plug. the Data Link Connector under the dash where a scan tool would plug in was shorted out? Or the actual computer (ECM) harness plug pins were shorted out? The harness plug has the female pins, and the ECM has the male pins. And I remember you had the EFI fuse blown as well?
Check to see if you have fuel injector pulse, you can do this with a 12v test light. The guide below shows how to do it. I assume you have the old ECM back in it right now, since the vin couldn't be changed over, it takes a pretty high-end scan tool to do programming. And are you hearing mechanical engines noises when cranking over for your compression test?
Also, I'd like to know more about this short that you found, I'm sure that was the cause of the no spark situation, but details about exactly what you found will help. If it turns out to be the ECM there is a company that can send you a preprogrammed ECM with your vin already in it.
If it was the ECM that had shorted pins, what can happen is sometimes when a technician is testing they will back probe a connector with a pin to read a signal and if they don't put the pin exactly straight in, it can push the ECM pin next to it over and bend the pin, shorting it to the pin next to it. Some people are not careful when back probing connectors and this can happen.

https://www.2carpros.com/articles/how-to-test-a-fuel-injector
Jan 27, 2023 at 8:04 AM
Avatar
TONYNEAL
  • MEMBER
  • 37 POSTS
Yes, it was shorted out at the scanner plug under the dash.
Before, when all of this started, when I would crank it, it would make a sound like “yeeng yeeng”, like it had no compression. But I pulled a plug, put a tissue over it (a trick my Dad showed me years ago) and it blew it out, so it’s got compression, just no spark at all.
And yesterday, when I was checking out the new tester, I cranked it to check for spark again, and now it sounds like something is binding, almost like metal to metal, and as if it’s got no oil in the top end! I’m going to open it up and check if maybe it jumped time.
Oh, and something else, after sitting these months, there’s no clicking sound, the check engine light is off, and the fuel pump doesn’t run continuously. Thats after I put the old ECM back in and it (the tester) said no codes, how can that be? But
still no spark! I'm stumped!
I sure miss the days of distributors, points, and carburetors! When there weren’t all the electrical components.
Jan 27, 2023 at 5:03 PM
Avatar
AL514
  • CERTIFIED EXPERT
  • 5,465 POSTS
You would have to put a compression gauge in to see if it actually has compression, it will blow out air if it has 5 PSI of compression so using a gauge to see is the only real test in that regard. If you're hearing metal on metal sounds when cranking it most likely jumped time, something could have happened to the timing chain. Even if the timing chain broke and the cylinder you were checking happened to have its valves closed it would still push out air because the crankshaft is still spinning, it sounds like there are multiple problems with the vehicle. Which 2 pins were shorted out on the data link connector? Below is a diagram of the connector, on your vehicle pin 16 is battery power (12v), pins 14 and 6 are CANbus high and low data network pins. And the rest go to certain modules in the vehicle for diagnostics. Since you had the EFI fuse blown I assume pin 8 was shorted, that goes to the engine computer and the Instrument cluster. It's odd though that it seems like the timing has jumped or the chain broke, you know what a broken timing chain sounds like, it's that engine turning over extremely fast type of noise. But having the DLC pins shorted out too, did someone work on this before all this major stuff happened. I'm just trying to understand how those pins got shorted together. Was there damage to the connector or corrosion? Maybe take a picture for me, that would help. But I think you're going to have to rent a compression gauge and see if there are any timing issues going on. If the chain broke, it's possible that the valves hit the pistons and were bent. Since Scion was built by Toyota, I believe their service information can be difficult to understand. They use random letters for marking out the wiring diagram pins.
For example, the 2nd diagram is the information bus diagram, and on the left is the pinout for the DLC. You can see pin 16 says BAT, and I know PIN 14 and 6 are CANbus high and low industry standard rules. But the rest I would have to look each one up. They don't make it easy.
But if you have an AutoZone near you, they rent tools out. You can rent a compression gauge and check to see that it has a minimum of 156 PSI. Its spec is 213 PSI. I would check each cylinder. It's not a good sign if you're hearing drivetrain noises like you described.
Jan 28, 2023 at 7:08 AM