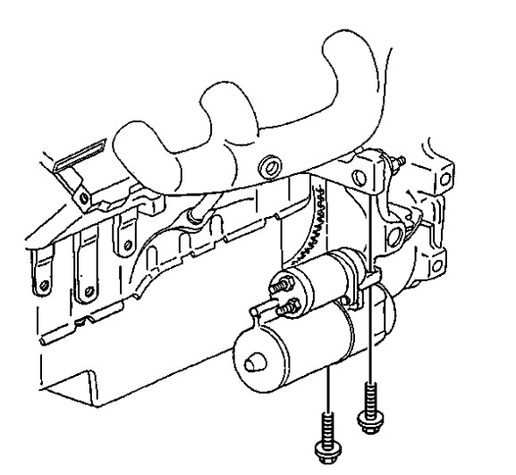
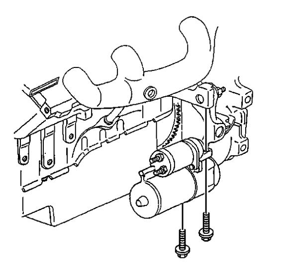
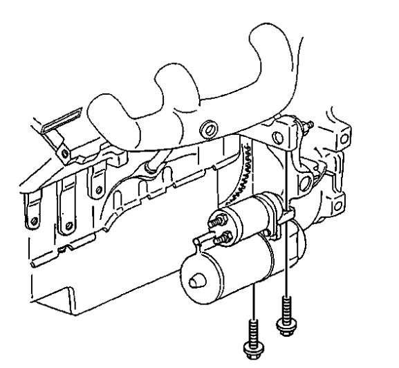
My car will not start sometimes. I will go into a store for a few minutes come back out and start it and it will not start. It turns over but it will not start for a few minutes and it feels like the engine is shaking really badly and there is a weird sound that comes from it. It clicks and everything, but it just will not start. My friend said it might be the fuel filter but Pontiac does not service fuel filters. Also, my acceleration some days it will accelerate like a champ but other days it does not and also it does these soft jolts once and a while only the driver can feel it. I tried looking for a dip stick but found out my car does not have a dipstick for transmission because i have manual and automatic. Can somebody please help me figure out what is wrong with my car?
Nov 14, 2011 at 11:32 PM
