2006 PONTIAC G6
88,000 MILES
Avatar
ANONYMOUS
  • MEMBER
  • 1 POST
How do i change the oil filter adapter housing gasket?
Nov 6, 2012 at 7:13 AM
Advertisement
Avatar
STRAILER
  • CERTIFIED EXPERT
  • 53,854 POSTS
Hello,

I would change the oil as long as you are doing the oil filter adapter.

Here is a guide to help you

https://www.2carpros.com/articles/how-to-change-engine-oil-and-filter

You must lift the car safely

https://www.2carpros.com/articles/jack-up-and-lift-your-car-safely

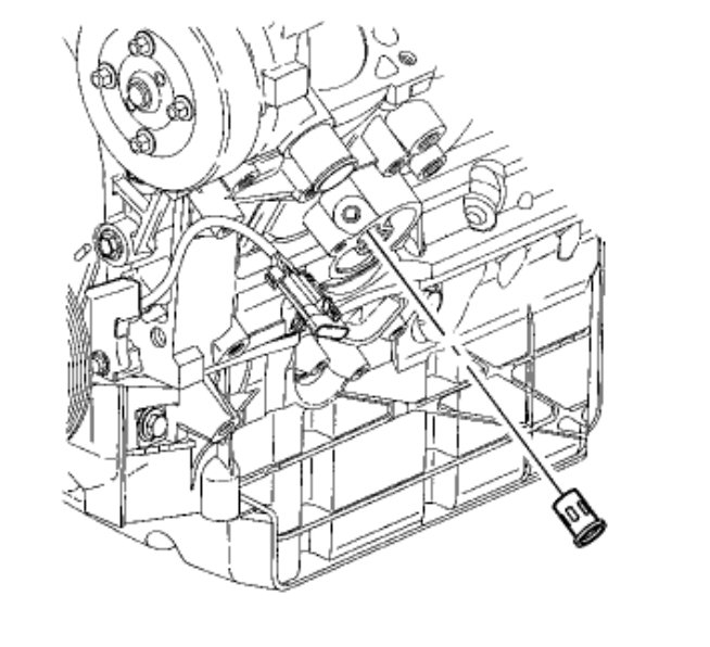
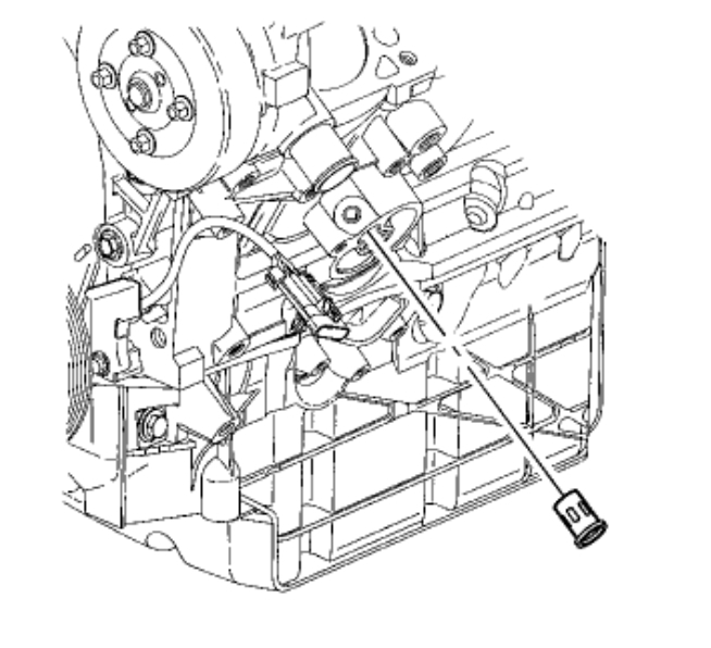
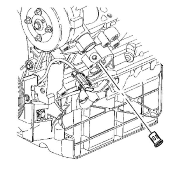
First the Gasket is Fel-Pro 72423

1. Drain oil.
2. Remove oil filter.
3. Remove the three fasteners retaining the oil filter adapter. One stud. One bolt and, one nut. Remove Adapter and Clean area.
4. Replacement is the reverse of removal.

Here are some diagrams (below)

Please let us know if you need anything else to get the problem fixed.

Cheers, Ken
Oct 4, 2017 at 8:17 PM