Radio does not work

2006 PONTIAC G6
Avatar
RAY763
  • MEMBER
  • 1 POST
The shop said when they wiped down the dashboard and engine it stopped working. I checked and changed the fuse and it still does not work. My mechanic said it could be something electrical or just a shortage in the wire.
Jun 4, 2013 at 2:08 PM
Advertisement
Avatar
HMAC300
  • CERTIFIED EXPERT
  • 48,601 POSTS
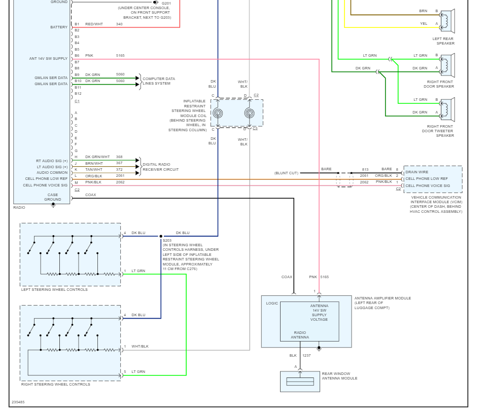
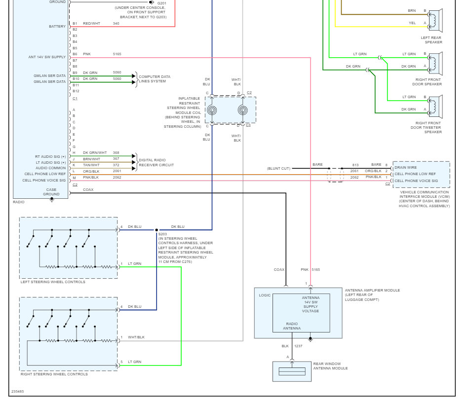
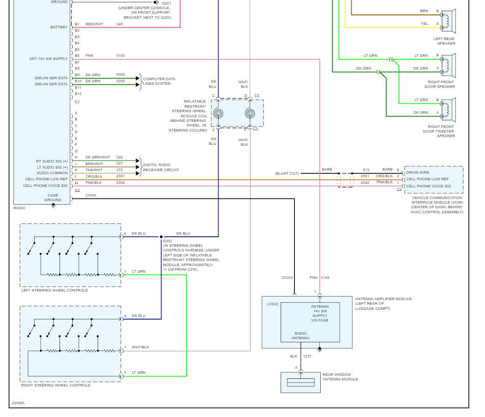
I have seen the steering wheel clock spring short out causing the radio to stop working because it loses its 10 volt reference. But to be sure here is a guide to help check the wiring and the radio wiring diagrams below:

https://www.2carpros.com/articles/how-to-check-wiring

Check out the diagrams (below). Please let us know what you find.

Cheers
Jun 9, 2013 at 8:40 AM
Avatar
ZOOM-ZOOM
  • MEMBER
  • 1 POST
I had this problem and had to install an aftermarket radio to fix it.
Jul 19, 2018 at 12:59 PM
Advertisement