My titan wont start up?

2006 NISSAN TITAN
70,500 MILES
Avatar
MARKS592002
  • MEMBER
  • 2 POSTS
i have a 2006 nissan titan.I started it up today drove it down the road about 2 mile and got on the hightway. everything up to now is normal.....I get on the highway and it just dies.....so i get on the side of the highway and put it in park and try to start it up again, it sounds like it wants to start but never does. the battery icon comes on, the low oil pressure comes on and the check engine light comes on......i have to get it towed back home. i get it and try again to start it and it turns over and sound terrible,like a bogging sound and putters out and dies again...do you know what is wrong?
Oct 2, 2011 at 9:56 PM
Advertisement
Avatar
DRCRANKNWRENCH
  • CERTIFIED EXPERT
  • 3,380 POSTS
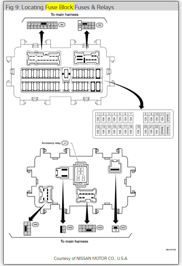
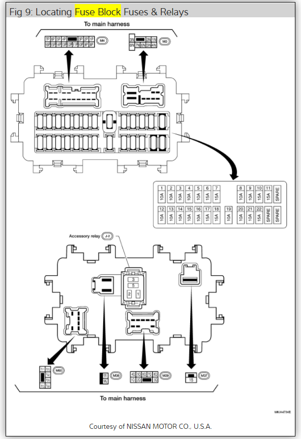
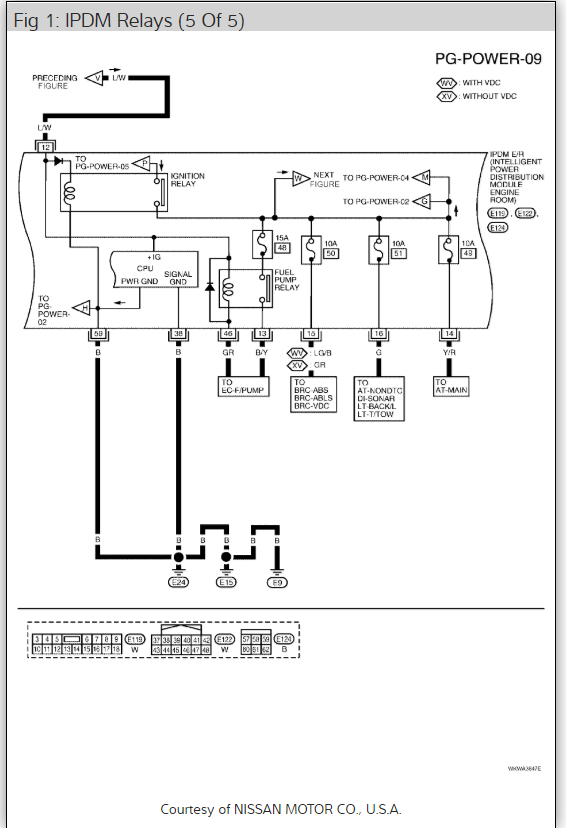
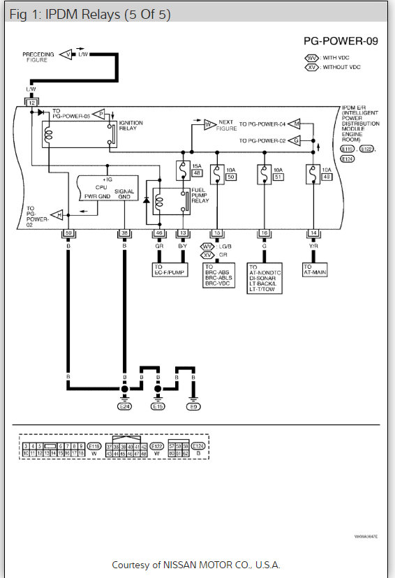
This sounds like the fuel pump has given out on ya. Here is a guide to help confirm the issue. Check the fuel pump relay as well.

https://www.2carpros.com/articles/how-to-check-fuel-system-pressure-and-regulator

You will need to tap into the fuel line at the rail to get a reading these do not have a test port.

Fuel pressure at idling kPa (kg/cm2 , psi) Approximately 350 (3.57 - 51 Pounds)

Check out the diagrams (Below). Please let us know what happens.

Cheers
Oct 2, 2011 at 10:08 PM
Avatar
MARKS592002
  • MEMBER
  • 2 POSTS
It looks like there is no pressure I think the pump is bad because I can hear it screaming back there can you show me how to get it out?
Oct 2, 2011 at 10:11 PM
Advertisement
Avatar
DRCRANKNWRENCH
  • CERTIFIED EXPERT
  • 3,380 POSTS
Sure here is a guid to help you see what you are in for with the diagrams below to show you how it will be on your car.

https://www.2carpros.com/articles/how-to-replace-an-electric-fuel-pump

Check out the diagrams (Below). Please let us know if you need anything else to get the problem fixed.

Cheers
Oct 2, 2011 at 11:37 PM
Avatar
MATTMUFF82
  • MEMBER
  • 6 POSTS
I have fuel to the rails and pulled all injectors, cleaned and tested them.
Not sure about the fuel pressure yet, that's next on the list. Also, with truck if ignition on, three of the four O2 sensors read 0.31 volts, and the fourth is 0.61 volts! Is that mean that one sensor is bad?
Apr 21, 2023 at 5:32 PM
Avatar
STRAILER
  • CERTIFIED EXPERT
  • 53,855 POSTS
The sensors seem to be okay, can I ask if the truck will run on starting fluid?
Apr 22, 2023 at 10:33 AM
Avatar
MATTMUFF82
  • MEMBER
  • 6 POSTS
I haven't tried that yet, but I will. I think I'm getting plenty of fuel because I can smell it after trying to crank them truck a few times.
Apr 22, 2023 at 4:33 PM
Avatar
MATTMUFF82
  • MEMBER
  • 6 POSTS
I have not tried that yet, but when I crank it, it tries to start. But it sounds like it's starving for air. I went over the intake box and MAS/IAT today, as well as wiring and everything checked out. When I turn the key a few times I can smell fuel that's not being burn, was thinking maybe tomorrow morning checking all the coil packs and plugs by grounding plugs to the block one at a time to ensure spark. I also replaced the cam and the crankshaft position sensors because it kind of sounds like the motor is spinning a little too fast. So, starting fluid in throttle body and check fire again. May have found a few more plugs dumping all that fuel on them. Still no start and only code is P0113.
Apr 22, 2023 at 11:44 PM
Avatar
STRAILER
  • CERTIFIED EXPERT
  • 53,855 POSTS
It sounds like you may have a broken timing chain, can you please shoot a quick video with your phone so I can hear the engine cranking over? That way I can tell for sure what's going on. You can upload it here with your response. Or you can do a compression test to confirm the engine failure.

https://www.2carpros.com/articles/how-to-test-engine-compression

Please go over this guide and report back.

Apr 24, 2023 at 11:33 AM