Overheat

2006 NISSAN PATHFINDER
179,520 MILES • 6 CYL • 4WD • AUTOMATIC
Avatar
EMANNELSON
  • MEMBER
  • 1 POST
I replaced thermostat and flushed radiator, overheats at idle when at stop sign, cools down when driving or engine runs at 2K rpm
Feb 12, 2011 at 6:02 PM
Advertisement
Avatar
RASMATAZ
  • CERTIFIED EXPERT
  • 75,992 POSTS
Hello,

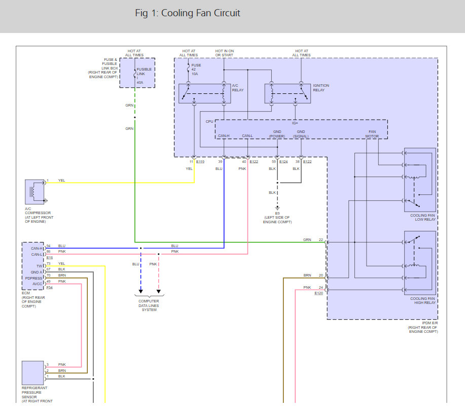
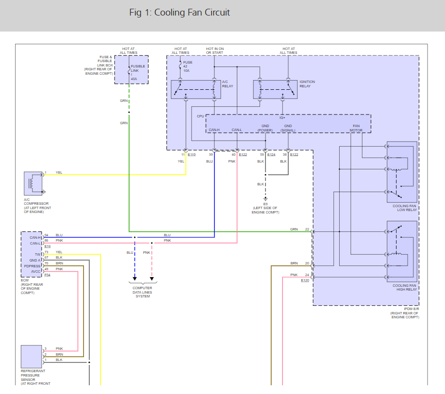
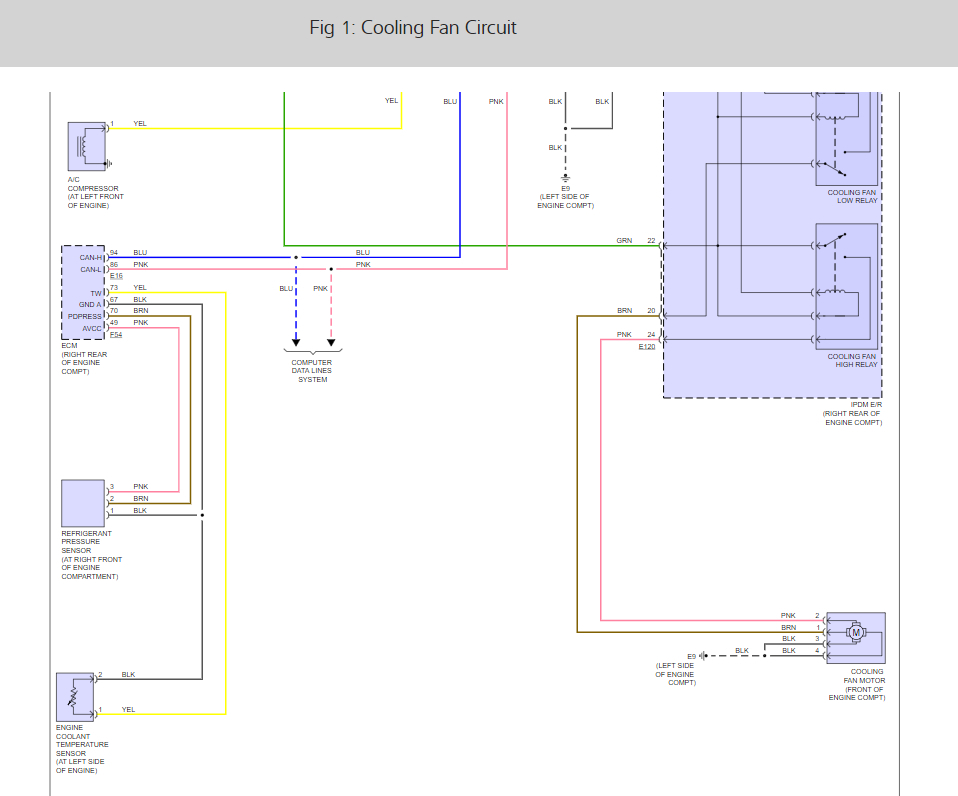
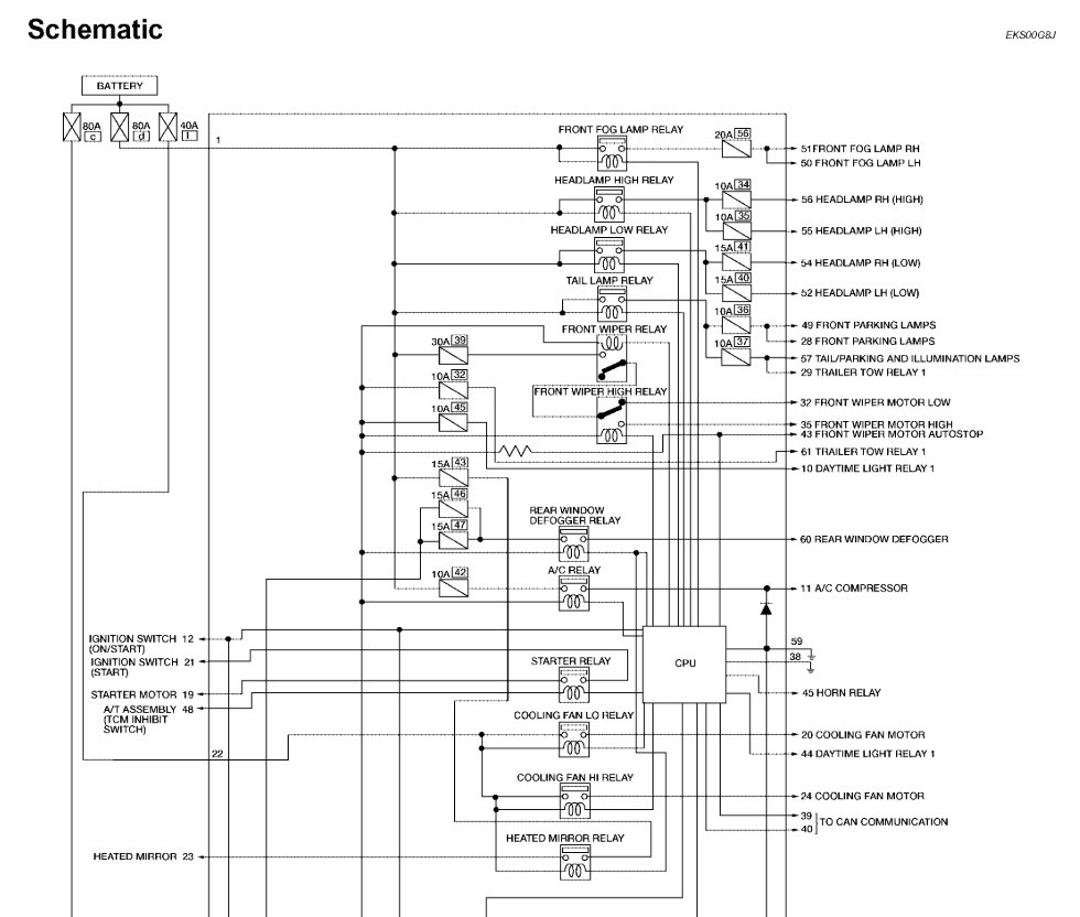
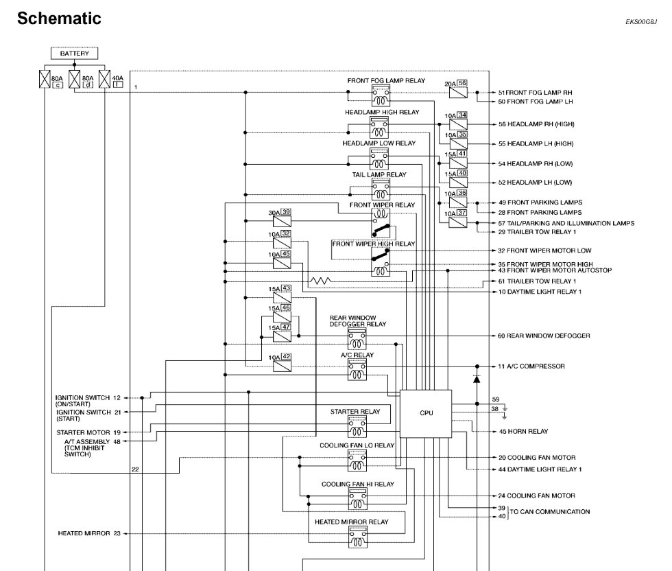
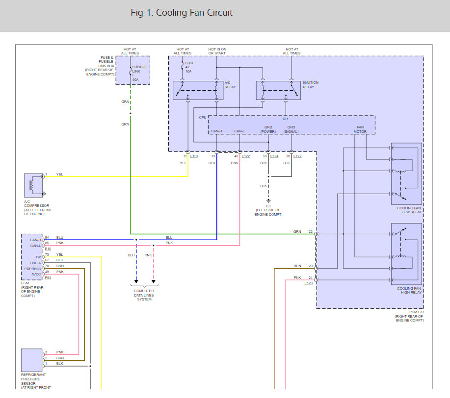
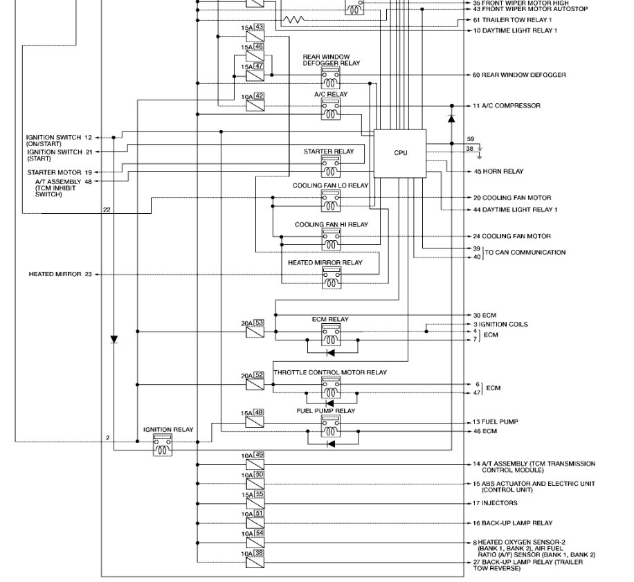
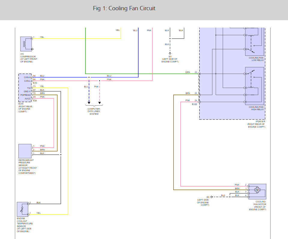
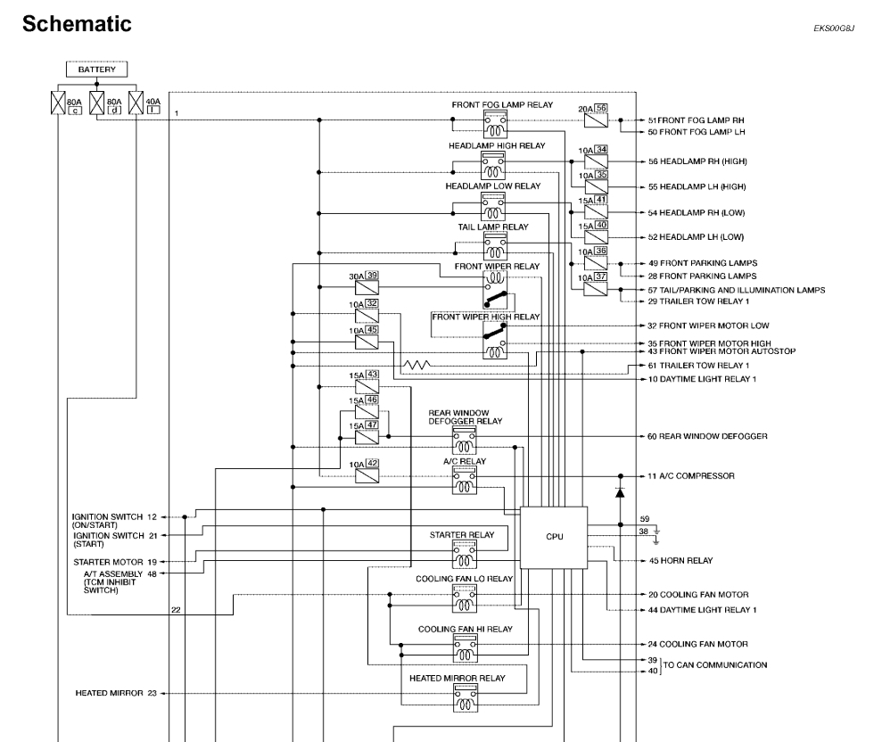
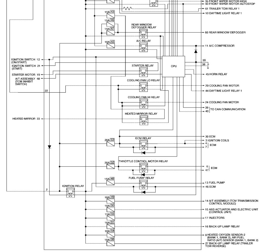
It sounds like the radiator cooling fan is not working right the fan motor could be burned out. Here is a guide and diagrams below to help fix the problem with wiring diagrams so you can see how the system works with the fuse and relay locations.

https://www.2carpros.com/articles/engine-overheating-or-running-hot

Check out the diagrams (Below). Please let us know what you find. We are interested to see what it is.
Feb 13, 2011 at 2:51 AM
Avatar
FSEVANS
  • MEMBER
  • 2 POSTS
Engine Cooling problem
2002 Nissan Pathfinder 6 cyl Four Wheel Drive Automatic 106K miles
----------------------------------------------------------------
Working on an overheating issue. When the engine is brought up to operating temperature, the heat blows cool unless you race the engine. It will then blow hot, but after about two minutes, it's blowing cool again. All the while the engine is getting hotter and hotter, to the point it will overheat if you allow it to. I already bled the cooling system, however never really got a solid stream of coolant out of the bleeder tube until it was at the overheating point. Replaced the lower T-Stat and no difference. My question is this: Will the upper T-Stat (water control valve) cause the vehicle to overheat if it is bad? Or is it strictly to control the water to the heater core? I'm not about to pull the intake and waste my time if totally unnecessary. Also, the fan clutch, radiator cap, radiator, and water pump are fine. Thanks in advance for any help you can offer and sorry for writing a book on this one.
May 1, 2019 at 3:29 PM (Merged)
Advertisement
Avatar
BMRFIXIT
  • CERTIFIED EXPERT
  • 19,053 POSTS
To me sounds as its low on coolant or u have an air trapped inside the engine I suggest follow coolant system bleeding steps below and also check the radiator cap COOLING SYSTEM BLEEDING WARNING: To avoid being scalded, never change engine coolant when engine is hot. Wrap a thick cloth around cap and carefully remove. First, turn a quarter turn to release built-up pressure, then turn cap all the way. Be careful not to allow engine coolant to contact drive belts. 1.Turn ignition switch to ON position. Set temperature control to maximum heat position. Turn ignition off after air mix door moves to HOT position. 2.Open radiator drain plug at bottom of radiator, and remove radiator cap. Remove reservoir tank and drain coolant. Clean reservoir tank. Remove cylinder block drain plugs and air relief plugs. See Fig. 1 and Fig. 2 . Check drained coolant for contaminants such as rust, corrosion or discoloration. If contaminated, flush engine cooling system. 3.Install reservoir tank, radiator drain plug and cylinder block drain plugs. Tighten fasteners to specification. Fill radiator slowly to allow air to escape. Install each air relief plug when coolant overflows. Tighten fasteners to specification. Fill coolant reservoir to MAX mark. 4.Start and warm engine to normal operating temperature without radiator cap installed. Run engine at 3000 RPM for 10 seconds and return to idle speed. Repeat 2-3 times. Turn engine off. 5.Check coolant level. Refill coolant reservoir to MAX mark, and repeat step 4 until coolant level no longer drops. Warm engine to normal operating temperature. Move heater control between COOL and HOT positions. Increase engine speed to 3000 RPM. Listen for coolant flow at heater valve. If coolant flow is heard, bleed air from cooling system by repeating step 4 until coolant level no longer drops. Check air relief and drain plugs for leaks.


https://www.2carpros.com/forum/automotive_pictures/99387_pathfi_1.jpg


https://www.2carpros.com/forum/automotive_pictures/99387_pathind_1.jpg

May 1, 2019 at 3:29 PM (Merged)
Avatar
FSEVANS
  • MEMBER
  • 2 POSTS
Shouldn't have air in it as it was doing this before the T-Stat was changed. Coolant level is fine. Radiator cap replaced, no change. Still have the question out there of the water control valve. Will it cause the engine to overheat (restrict water flow through the cooling system) if it is bad, or is it more like a bypass in the system to accept water for the heater core??
May 1, 2019 at 3:29 PM (Merged)
Avatar
BMRFIXIT
  • CERTIFIED EXPERT
  • 19,053 POSTS
Its just a gate or a door to allow coolant to the heater core
will not make engine overheat
at this point then if you are sure that you have bleed the system using the correct procedure I would suggest having a headgasket test and water pump
good luck
May 1, 2019 at 3:29 PM (Merged)
Avatar
REINDOG32
  • MEMBER
  • 2 POSTS
We were driving down the road when all of a sudden we heard a low noise of metal grinding, after pulling into a parking lot radiator fluid came flowing from underneath the car. After having the car towed home it was tore apart.
Simple enough.....the water pump went out, however....the pump fins were bent and one was missing and it could not be located. This is an internal water pump....it was replaced with a new one, along with new thermostat and secondary thermostat.
1st test drive-After it was placed back together I drove it 10 minutes and it began overheating.
I then flushed the radiator (radiator only) while in the car, used a spill-free funnel to add coolant back.
2nd test drive -same thing occurred as during the 1st test.
I'm at a loss.....does the entire system need flushed? or could the missing fin be causing my problem?
The clutch fan seems to be fine as well.
May 1, 2019 at 3:30 PM (Merged)
Avatar
ASEMASTER6371
  • CERTIFIED EXPERT
  • 52,796 POSTS
have the system checked with a leak down test to verify a head gasket. it came from the overheating

Roy
May 1, 2019 at 3:30 PM (Merged)
Avatar
REINDOG32
  • MEMBER
  • 2 POSTS
The head gasket is fine.

I now have hot air blowing from the vents instead of cool, which is good.

However, I now have difficulty turning the engine over after it has reached normal operating temperature. It acts as if the battery is on the verge of dying, but it starts right up with no issues when its cold.

I did some research into it, but all I can find is the fuel line has to be getting too hot. The temperature gauge doesn't go above the half mark like it previously was.

Could it be a faulty clutch fan?

or

Does the coolant system need a complete flushing with chemicals?
May 1, 2019 at 3:30 PM (Merged)
Avatar
OIDAVEY
  • MEMBER
  • 0 POST
I had this problem and had to get a new fan high relay cost me $43.00 all fixed! I love this site.
May 1, 2019 at 4:20 PM