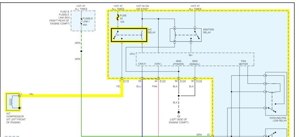
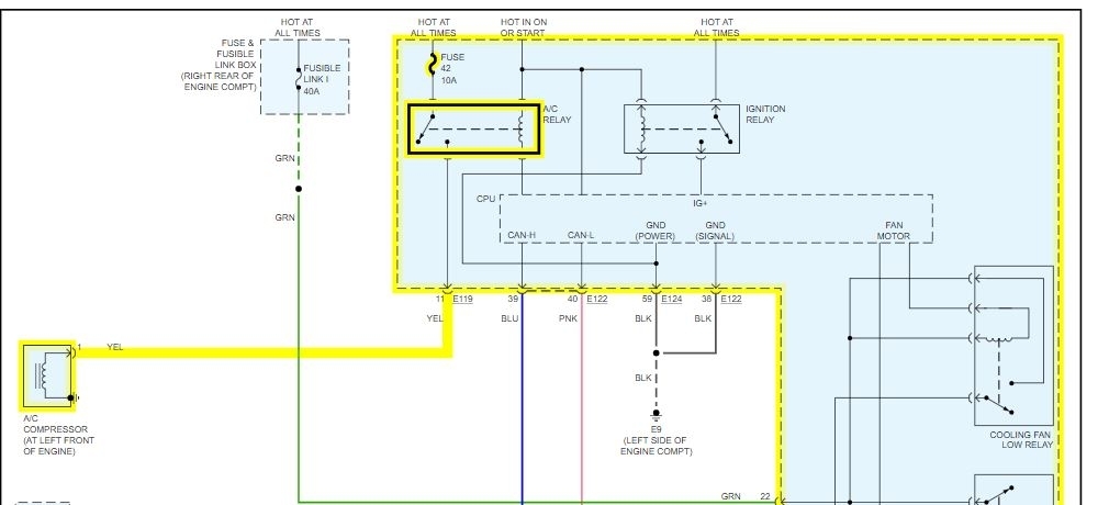
The A/C does not blow cold air. Temperature control works as I can turn on the heater. I'm not sure if the clutch is engaging or not for the compressor. I've checked the fuse under the hood and the fuse in the glove compartment that indicates A/C and both are fine. I do not know where the A/C relay is located as I do not see any relay indicated with "A/C", is there an A/C relay? Other than replacing the compressor, what other things could I check prior to sending it to a mechanic to figure out? If I can figure out what the problem is I can fix it myself with the exception of getting the Freon lines back in action which I will send to the shop.
I've tried using A/C Pro to refill the Freon but the gauge is showing in the red, from what i have read if it's in the red the compressor is not on. I did test the A/C Pro on my other vehicle and it works as directed so its not a faulty can.
I've tried using A/C Pro to refill the Freon but the gauge is showing in the red, from what i have read if it's in the red the compressor is not on. I did test the A/C Pro on my other vehicle and it works as directed so its not a faulty can.
Mar 16, 2020 at 12:23 PM




