Dome light fuse location?

2006 NISSAN ALTIMA
75,000 MILES
Avatar
ANONYMOUS
  • MEMBER
  • 1 POST
interior light don't work, where is the fuse located?
Dec 16, 2012 at 8:28 PM
Advertisement
Avatar
KASEKENNY
  • CERTIFIED EXPERT
  • 18,907 POSTS
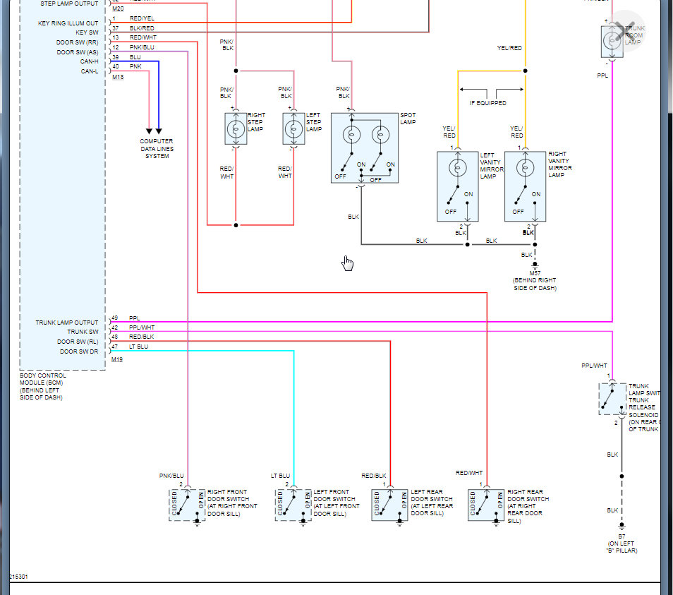
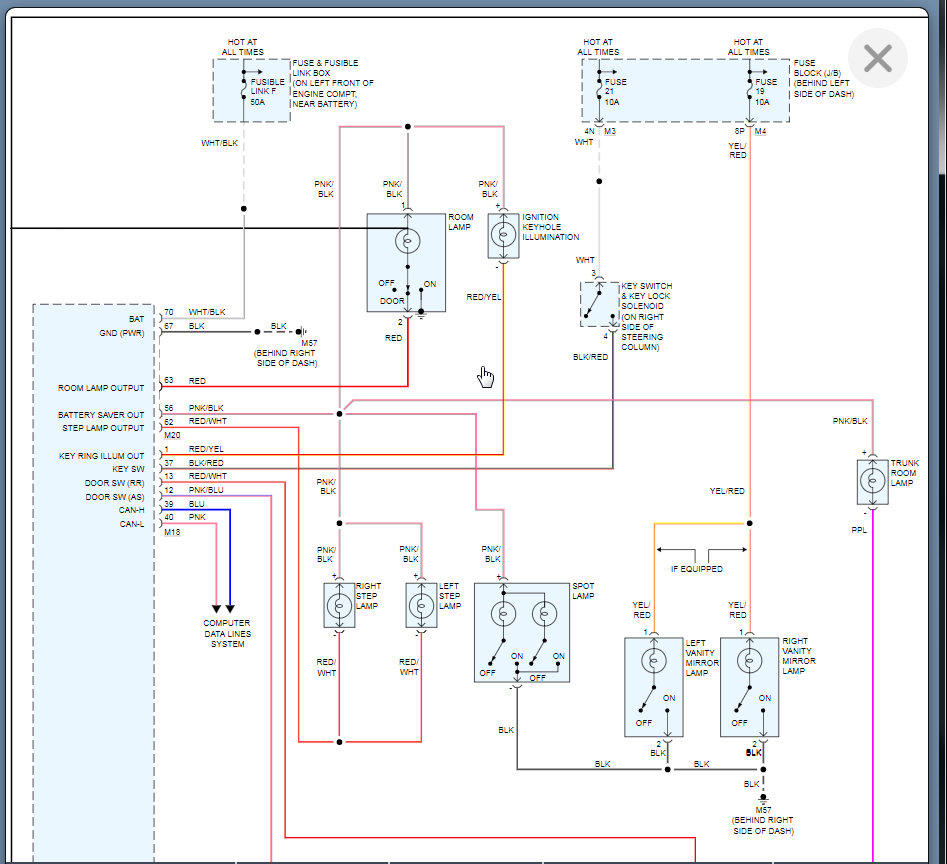
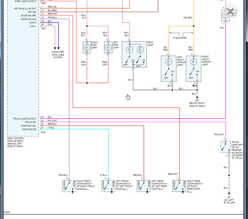
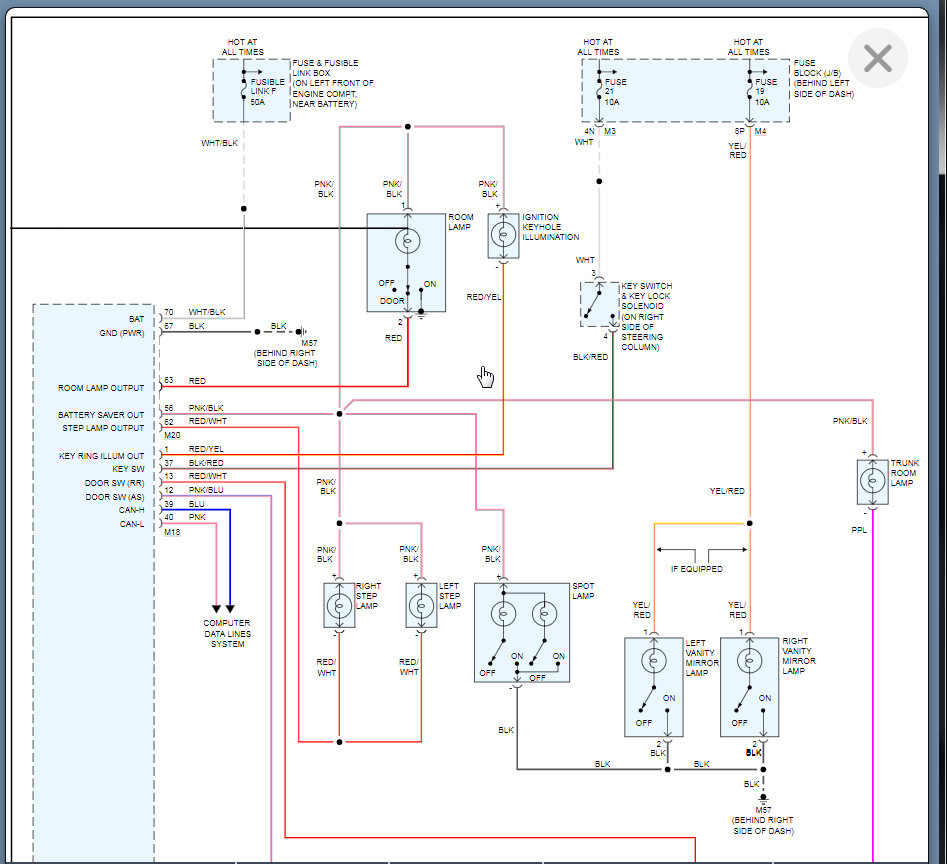
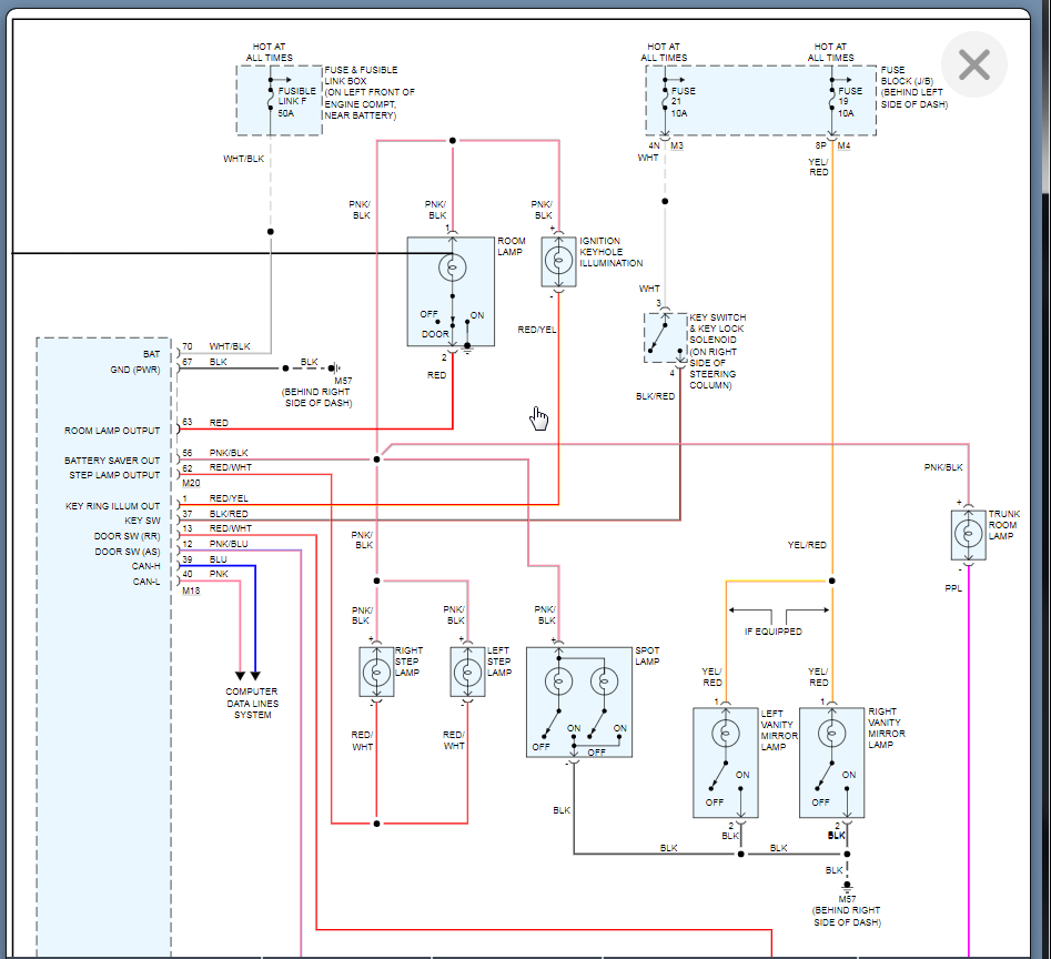
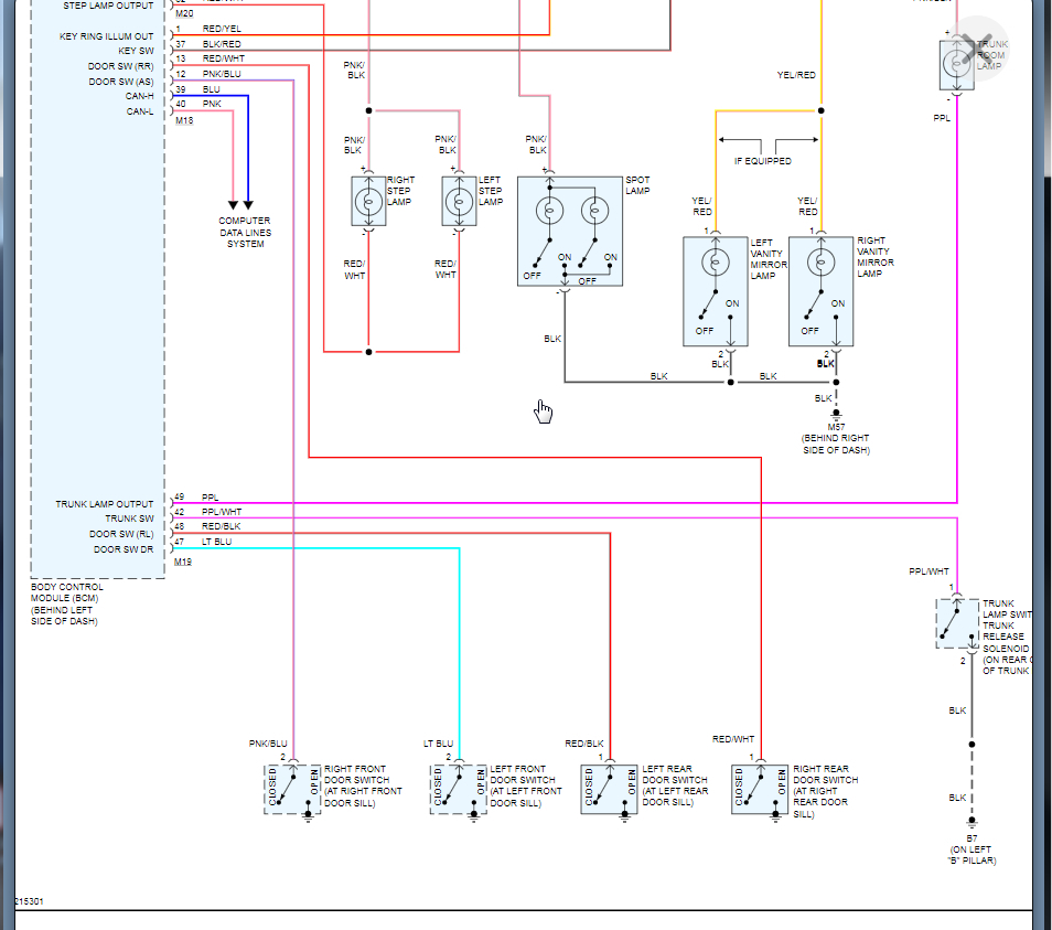
The dome lamp doesn't have a direct fuse. The BCM runs these directly so if the lamp is not working the it is either the bulb, wiring, or BCM. I would suggest replacing the bulb or checking voltage and if you have voltage the bulb is the issue. If there is no voltage when the lamp is on, the BCM is the issue.

Here is a guide that will help with this:

https://www.2carpros.com/articles/how-to-check-wiring

Below is the process for replacing these parts and the wiring diagrams that you will need if you are going to test the voltage. Please let us know what questions you have. Thanks
Jan 2, 2021 at 5:48 PM