engine wiring I need a diagram

2006 NISSAN ALTIMA
4 CYL • FWD • AUTOMATIC
Avatar
YOUNGMASTERE
  • MEMBER
  • 1 POST
Where can I locate the fuel pump relay for a 2006 Nissan Altima?
Mar 10, 2011 at 10:38 AM
Advertisement
Avatar
STRAILER
  • CERTIFIED EXPERT
  • 53,854 POSTS
Hello,

I have found the relay and fuse along with the fuel pump wiring. Here are some guides to help you get the job done along with some diagrams (below).

https://www.2carpros.com/articles/how-to-check-an-electrical-relay-and-wiring-control-circuit

and

https://www.2carpros.com/articles/how-to-use-a-test-light-circuit-tester

Test along the circuit until you find the power failure. Please let us know if you need anything else to get the problem fixed.
Sep 7, 2020 at 11:32 AM
Avatar
DSHANK14
  • MEMBER
  • 2 POSTS
I attempted to put a code reader on it and there’s no communication. There’s no fuel or spark when cranking.. I bought the car with the understanding that it was in “limp mode”.. is there enough information here to definitively diagnose the problem?
May 25, 2021 at 5:33 PM (Merged)
Advertisement
Avatar
ASEMASTER6371
  • CERTIFIED EXPERT
  • 52,796 POSTS
Good morning.

Not really.

Do you have a security light or theft light? If you do, does the light go out when cranking the engine?

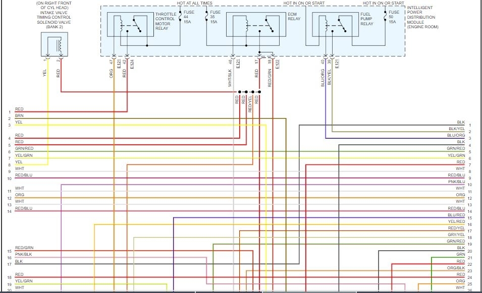
I will attach a wiring diagram of the system for you but you will need a test light or voltmeter to do some testing. You need to see if there is power to the ECM since you cannot communicate with it.

Roy
May 25, 2021 at 5:33 PM (Merged)
Avatar
DSHANK14
  • MEMBER
  • 2 POSTS
I went to attempt to get the car out of anti theft mode and surprisingly the car was no longer in the mode. I cranked the ignition and it didn’t turn over but I could tell that it wanted to start. I put the scanner on and it’s giving me a u1000 code. I also realized that the ignition/eccs cont fuse was continuously being blown.. I checked my negative battery cable and the second connection, the one that connects to the engine was corroded apart. I cleaned it all up and put a new lug connector on it and I still can’t get it to turn over. I’m assuming that I have another bad ground or a short somewhere else. Is that a fair assumption and where should I start/what all should I check? I considered adding a new ground from the engine to the body. Would that possibly remedy the situation if I couldn’t find the problem connection? I know that’s a lot but thank you so much!
May 25, 2021 at 5:33 PM (Merged)
Avatar
ASEMASTER6371
  • CERTIFIED EXPERT
  • 52,796 POSTS
The U code is for no communication with the ECM. That would explain why it will not start.

Can you read any data with your code reader?

This is not a ground issue at all.

Do you have a volt meter to do some checks at the data link connector?

Roy

We located the ECM and performed some circuit test on the CAN data lines. We found that the wiring and connectors were good. We checked for 2.5 volts at pin 6 and 2.25 volts at pin 14 of the DLC. We also checked PIN 7 through the ECM to the DLC. We found that the ECM was not sending the correct outputs. We decided to replace the ECM with a used unit. We installed the used ECM and programmed it. We rechecked and the vehicle established communication with the scan tool and the DTC is gone.
May 25, 2021 at 5:34 PM (Merged)