check charging system light

2006 LINCOLN NAVIGATOR
134,000 MILES • V8 • 2WD • AUTOMATIC
Avatar
CARL REED
  • MEMBER
  • 1 POST
the check charging system light comes on randomly, along with red battery icon lighting up.

Autozone checked battery and alternator. Both good.

Has slight hesitation when accelerating occasionally.

Always use premium gas. Runs good otherwise.

Any ideas?
May 15, 2017 at 6:46 AM
Advertisement
Avatar
HMAC300
  • CERTIFIED EXPERT
  • 48,601 POSTS
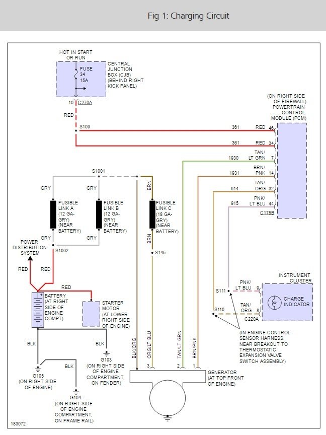
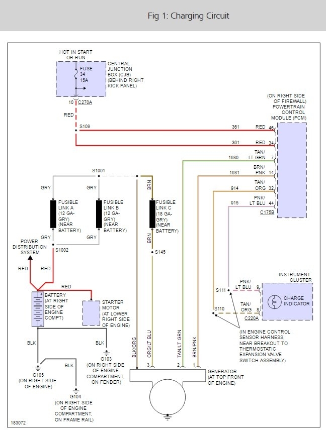
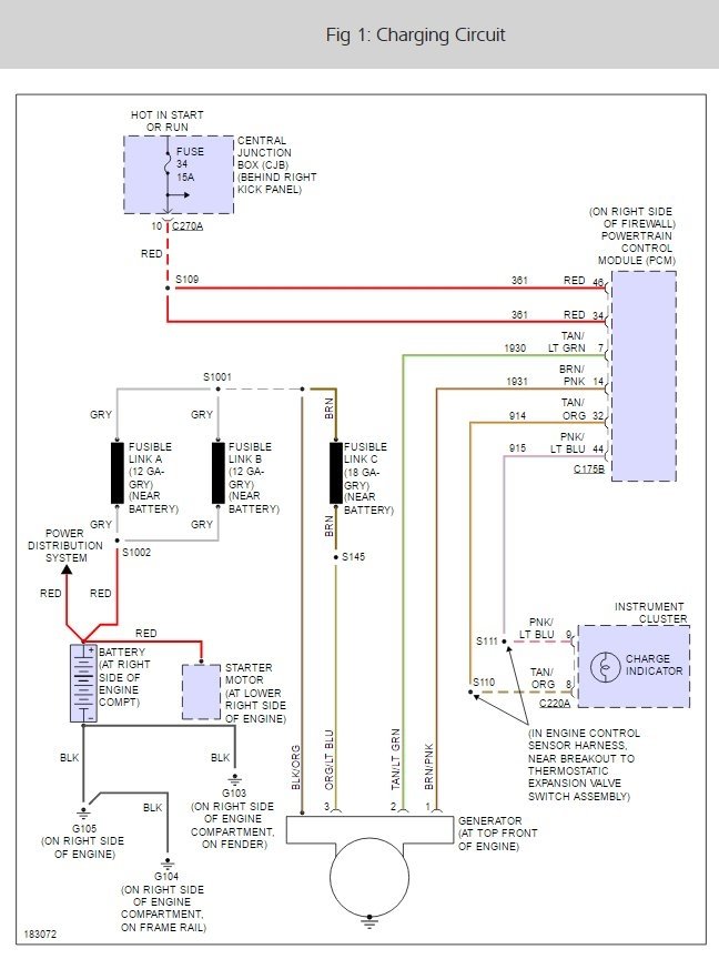
check fusible links in picture they should have twelve volts each side move them around a bit while checking if voltage drops then replace that one. if it continues have a mechanic scan for codes for a can/bus problem, one module may not be talking to other and he will have to find It with a scanner.
May 22, 2017 at 3:18 PM
Avatar
TOMSRANCHO
  • MEMBER
  • 2 POSTS
I have a 2003 Lincoln Navigator, 5.4 V8,4-wheel drive, 67,000 mi. Recently, the "Check Charging System" alert and a red battery icon appeared on the dash. I had Auto Zone check the battery and alternator. The battery (original) checked good, but the alternator failed. I installed a new (not rebuilt) alternator. After installation, the "Check Charging System" alert is still on. A recheck of the alternator output indicates its performance is good. I also checked the battery water levels, and added a slight amount of water to each cell. What else can cause the alert to activate? I've been told that the alert does not require an error system reset.
Thanks for your help.
Dec 31, 2019 at 6:40 PM (Merged)
Advertisement
Avatar
2CARPRO JACK
  • CERTIFIED EXPERT
  • 11,533 POSTS
Have Autozone scan the PCM, might have set a code for system voltage and it could need to be cleared out.

Here is a guide so you can try it yourself.

https://www.2carpros.com/articles/check-engine-light-clear-codes

Please let us know what you find.

Cheers,
Dec 31, 2019 at 6:40 PM (Merged)
Avatar
STRAILER
  • CERTIFIED EXPERT
  • 53,854 POSTS
Hello,

It sounds like a bad connection at the alternator plug also there is a fusible link that goes out in these cars, you should check the charge plug at the alternator to make sure it is not melted or burned as well. Here is a guide that will show you how to test the system and a wiring diagram to show you the way on what to check for power.

https://www.2carpros.com/articles/how-to-use-a-test-light-circuit-tester

Please let us know what happens. (DIAGRAM BELOW)

Cheers, Ken

Dec 31, 2019 at 6:40 PM (Merged)
Avatar
MDM
  • MEMBER
  • 1 POST
clearing the computer fixed my problem.
Dec 31, 2019 at 6:40 PM (Merged)
Avatar
OB1ROMERO
  • MEMBER
  • 2 POSTS
2004 Lincoln Navigator 60,000 miles
----------------------------------------------------------------
when i accelerate for a pass on the highway a message comes up that says check charging system, also on occasions either one of the headlights will not turn on. ( they are on day time running lights ) but i i turn them off and then back on it turns on. the dealer said they checked everything and even changed the battery. is there anything else that could be causing this?
Dec 31, 2019 at 6:40 PM (Merged)
Avatar
MERLIN2021
  • CERTIFIED EXPERT
  • 17,250 POSTS
As for the charging light, if the serp belt slips while accelerating, the light may come on, don't forget a new tensioner while youre at it. The headlight? Possibly a corroded connector at the bulb...
Dec 31, 2019 at 6:40 PM (Merged)
Avatar
GUERRAM
  • MEMBER
  • 1 POST
i have a 2003 lincoln navigator , 5.4 v8 2 wheel drive 112000 mi recently the check charging sistem alert and a red battery icom appered on the dash i check the battery and alternator are good what else can cause the alert to activate? thanks for you help.
Dec 31, 2019 at 6:40 PM (Merged)
Avatar
CARADIODOC
  • CERTIFIED EXPERT
  • 34,306 POSTS
How did you determine the battery and generator are okay? What tests did you do and what were the results?
Dec 31, 2019 at 6:40 PM (Merged)