My gear shift will not go into park

2006 MERCEDES BENZ 220CDI
55,000 MILES
Avatar
PAPACOMI
  • MEMBER
  • 1 POST
When I drive my car and park it will not go into park.
Jan 11, 2012 at 12:03 AM
Advertisement
Avatar
DRCRANKNWRENCH
  • CERTIFIED EXPERT
  • 3,380 POSTS
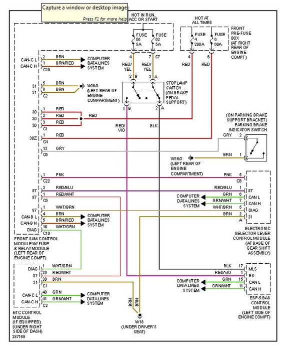
First, go and have the trouble codes pulled. Advance Auto or Auto Zone will do this for free.There is an interlock system that includes the brake light switch. a lockout on the shifter and the ignition switch.
Check to make sure the brake lights work. If they do not check the fuse and the switch which is located at the top of the pedal and should actuate brake light when moved even slighlty. Then use the wiring diagram to trace any other fuses you need to check.
I have included the diagram. You may have to get into the shifter if the aforementioned fails. The pin tht allows shifter to move in and out of park might be misaligned or out of adjustment. This goes as well for the linkage on the side of the transmission. Check it for any loose parts or anything that could im;pede movement.
Jan 11, 2012 at 3:27 AM