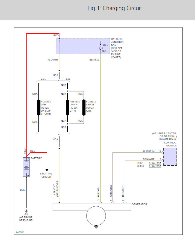
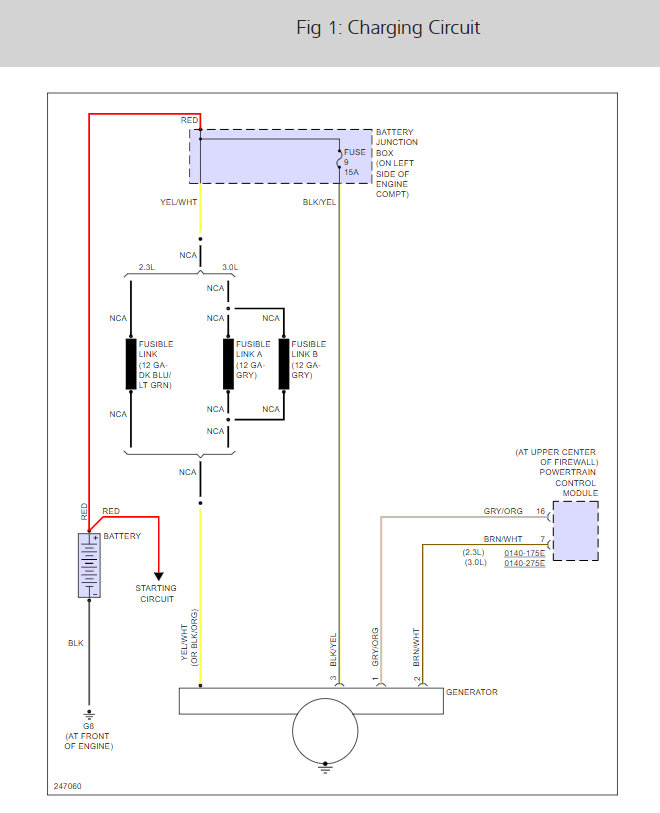
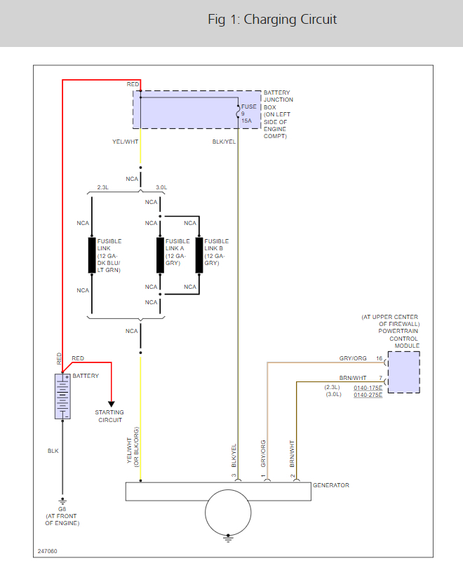
The battery light is on. I took the alternator off and took it to my local parts store to be tested, it tested good. I used a volt meter to test the alternator connectors, the 102b connector test with good voltage and on the 102a plug #1 and #3 have good voltage. The middle wire #2 not no voltage, I tested them all with the car running and not running. Is the #2 wire the field wire? Any help would be appreciated.
Nov 13, 2012 at 9:53 PM




