Reverse lights not working

2006 MAZDA TRIBUTE
Avatar
DANNAVARRA
  • MEMBER
  • 1 POST
Back up light do not work on my car. I changed bulbs and switch on trans still not working.
Mar 5, 2011 at 3:52 PM
Advertisement
Avatar
WRENCHTECH
  • CERTIFIED EXPERT
  • 20,761 POSTS
Hello,

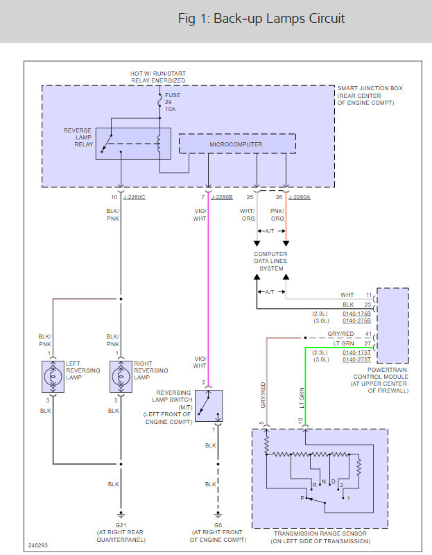
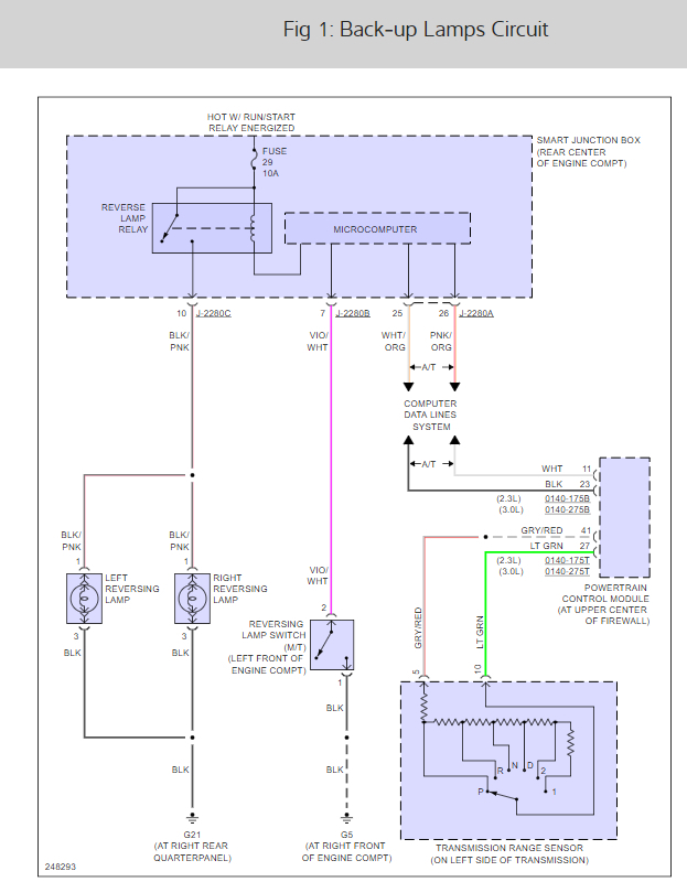
There is a reverse light relay that needs to be checked. Here is a guide and the wiring diagrams so you can see who the system works and the relay location below:

https://www.2carpros.com/articles/how-to-check-an-electrical-relay-and-wiring-control-circuit

#K3 in the smart junction box. Check out the diagrams (below). Please let us know what you find. We are interested to see what it is.

Cheers
Mar 5, 2011 at 4:20 PM
Avatar
TALLCLAYTON
  • MEMBER
  • 0 POST
Thank you so much for this post. It was the relay in my car. It cost me $32.00 all fixed!
Sep 4, 2018 at 1:50 PM
Advertisement
Avatar
MWATSON1949
  • MEMBER
  • 5 POSTS
I have the same issue with our 2006 Tribute. The Reverse switch on the transmission checks out okay, and the K3 relay, the bulbs, and the #29 fuse all check out too. Still no lights.
Apr 8, 2022 at 9:37 AM
Avatar
KASEKENNY
  • CERTIFIED EXPERT
  • 18,907 POSTS
More than likely the smart junction block has failed. This has a circuit board on it that contains logic to receive the signal from the TRS and then engage the relay.

So, let's jump the relay and see if the lamps come on.

https://www.2carpros.com/articles/how-to-check-an-electrical-relay-and-wiring-control-circuit

If they do, then we need to use a scan tool to confirm this TRS is sending the signal to the PCM and then the PCM will send the signal to the SJB. If it is, then you need to replace the SJB.

However, if this is a manual transmission, then jump then reverse switch and if it still doesn't come on then the SJB needs to be replaced.

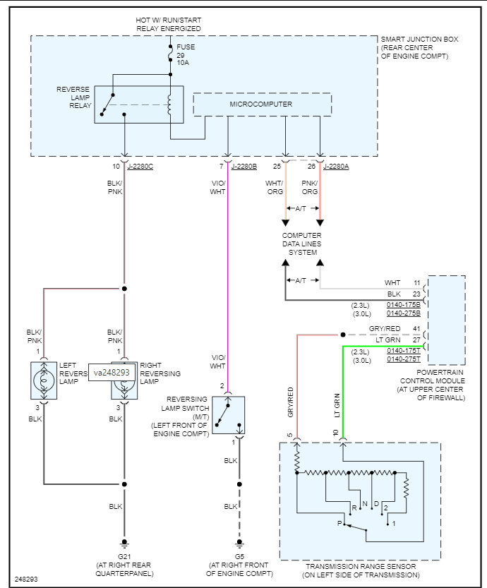
Below is the wiring diagram that will give more detail on this.

Let us know what questions you have, and we can go from there. Thanks
Apr 8, 2022 at 6:17 PM
Avatar
MWATSON1949
  • MEMBER
  • 5 POSTS
Thanks for your response. Based on your schematic, I have checked everything except a signal from the fuse through the relay to the bulbs, although I did get continuity from the wire (blk/pnk) on the j-2280c connector to the bulbs, and that was okay. I also checked continuity from the bulbs to ground, the reverse switch to ground, and the vil/wht lead from the reverse switch to connector j-2280b (going into the passenger fuse panel). They all check out. I also removed K3 based on your other schematic (assuming that's the correct relay for the reverse lights) and it bench-checked okay. I'm not sure about where the JSB is that you are referring to, however I think the K3 relay you show on your other schematic is on the back side of the Fuse circuit board and is accessed within the inside console. Really hard to get to. Not sure if that is the JSB or not, but all I could see where relays and harness connectors there, one being j-2280c. Also, the K3 relay (if I found the right one) is located at the top instead of the bottom, so I assume your schematic showing the relays is actually upside down. Everything else operates fine on the car, so I can't imagine anything as serious as the JSB that you mentioned, or whatever it is, would be bad without something else not working, and I'm reluctant to do any additional checking around the relay if it is somehow hooked into the car's computer or PCM. I leads me to believe there's an open circuit somewhere but I'm afraid that would be like finding a needle in a haystack. Any additional thoughts would be appreciated. Thanks.
Apr 11, 2022 at 6:43 AM
Avatar
MWATSON1949
  • MEMBER
  • 5 POSTS
Forgot to mention, it is a manual transmission.
Apr 11, 2022 at 6:53 AM
Avatar
MWATSON1949
  • MEMBER
  • 5 POSTS
Hello, and thank you so much for your website. There's nowhere else on the internet any better. Anyway, I haven't jumped the reverse switch yet. I will do that, but based on the tests I have already done, I doubt it will light up the reverse bulbs. I understand now that the JSB is the whole unit that holds the relays and the fuses, and what you said about the circuit in the JSB that accepts the signal from the reverse switch to energize the relay seems to make the most sense of what the problem is. But the JSB is very expensive, $300.00 - $400.00 new, so I don't want to go that route. Do you know if only the circuit board in the JSB is replaceable? Probably not. Not sure why they would combine so much different circuitry in one unit. I'd be almost inclined to rewire around the relay to somehow operate the lights only through the reverse switch, but that may not be a good idea either. Not sure what to do next. But Thanks again!
Apr 13, 2022 at 6:43 AM
Avatar
KASEKENNY
  • CERTIFIED EXPERT
  • 18,907 POSTS
Sorry for the delay. Sounds like you are on the right path. What I would suggest is not trying to find a short in any wiring harnesses. Just run a new wire and see if that causes the issue to go away. You can just run this external to the harness and then when it fixes it, you can secure it later.

Unfortunately, if we prove that this is the junction box then that means it needs to be replaced. There are some of these types of components that can be repaired but not this one.

You can try a salvage yard. This is a common enough vehicle that you may find one.

Thank you for the kind words. Let us know what else we can help with.
Apr 14, 2022 at 1:15 PM