blend door actuator motor location needed

2006 LINCOLN TOWN CAR
85,000 MILES
Avatar
ANONYMOUS
  • MEMBER
  • 1 POST
I understand how to replace the temperature blend door actuator motor, but you never said where it was located. Please help me locate the motor. There is very cold air on the drivers side on my feet. Thank you, Don
Mar 26, 2013 at 4:38 PM
Advertisement
Avatar
KASEKENNY
  • CERTIFIED EXPERT
  • 18,907 POSTS
I attached the info for this. The driver side actuator is under the dash towards the center of the vehicle. Let us know if you still can't find it and we will look for other information.
Nov 25, 2020 at 7:41 PM
Avatar
JACOBANDNICKOLAS
  • CERTIFIED EXPERT
  • 110,175 POSTS
Hi,

The actuator is located under the dash on the left side of the HVAC box. Here are the directions and pictures to help you locate it and replace it:

__________________________________

2006 Lincoln Town Car V8-4.6L VIN W
LH
Vehicle Heating and Air Conditioning Air Door Actuator / Motor Service and Repair Procedures Temperature Blend Door Actuator LH
LH
TEMPERATURE BLEND DOOR ACTUATOR - LH

Removal and Installation
1. Remove the LH lower instrument panel insulator.



pic 1



2. Remove the lighting control module.
1 Detach the vacuum line.
2 Remove the screws.
3 Disconnect the lighting control module electrical connectors and remove the lighting control module.



pic 2



3. Remove the LH temperature blend door actuator.
1 Disconnect the temperature blend door actuator electrical connector.
2 Remove the 3 temperature blend door actuator screws.
3 Remove the LH temperature blend door actuator.

4. To install, reverse the removal procedure.

_______________________

I hope this helps. Let me know if you have other questions.

Take care,
Joe
Nov 25, 2020 at 7:44 PM
Advertisement
Avatar
DAVID GRAZIANO
  • MEMBER
  • 1 POST
Heat and air work, but the air flow will not move from floor to vents or to defrost when requested. this problem occurred when the alternator shorted out and turned off the lights and fan and battery. I need to know which actuator has failed, its part number and more importantly where it is located and how to get to it?
Dec 15, 2020 at 6:58 PM (Merged)
Avatar
STRAILER
  • CERTIFIED EXPERT
  • 53,854 POSTS
Sure I can help you.

Here is a guide to show you what you are in for when changing the blend a door actuator:

https://www.2carpros.com/articles/replace-blend-door-motor

You will need to change the mode door actuator which is located (below) it looks like it is on top (bummer) Try to get it through the glove box.

Please let us know what happens.

Cheers, Ken
Dec 15, 2020 at 6:58 PM (Merged)
Avatar
STEVE W.
  • CERTIFIED EXPERT
  • 15,113 POSTS
I would also suggest testing the control head itself for faults before tearing the car apart. If the controller was working when the short happened it may have burnt out a circuit inside.
Dec 15, 2020 at 6:58 PM (Merged)
Avatar
MARTINMG42
  • MEMBER
  • 5 POSTS
1. Hello, I have the car listed above 1999 LTC and my mechanic replaced blend door actuator (OEM) and not so long after that I hear again weird noise from inside again (like farting noises). My mechanic told me it must be blend door itself. Where to order or what to do with that?

2. Problem is water leaking on driver floor. Front left and right drains were cleaned but still when its raining, my floor becomes wet quickly. I am totally mad about that and how to fix that?
Dec 15, 2020 at 6:58 PM (Merged)
Avatar
ASEMASTER6371
  • CERTIFIED EXPERT
  • 52,796 POSTS
Good evening,

Thanks for the video.

It sounds like the actuator but there are 3 in the dash.

Did he check the other actuators? There is an air door actuator and the blend door. The blend door is on top of the heater case and the dash has to be removed to access. The air door is behind the glove box.

As far as the leak, I would take it to a car wash and look under the dash when the high pressure water is hitting the roof and see where the water is coming from.

Roy
Dec 15, 2020 at 6:58 PM (Merged)
Avatar
MARTINMG42
  • MEMBER
  • 5 POSTS
Hello again and thank you for listening me.

I will show you the new video of "blend door" problem. I am a pretty sure that this noise is coming from this actuator (I touched it and also felt moving).
So this actuator is opening and closing blend door? How can I get only blend door? I do have a heating and AC but this noise is not good.

About water leaks..
I do have a vinyl top on my LTC. Can I remove it painless and put it back?
Dec 15, 2020 at 6:58 PM (Merged)
Avatar
ASEMASTER6371
  • CERTIFIED EXPERT
  • 52,796 POSTS
Okay, when you command heat and cold, does the noise get worse?

Change nodes as well. See if the noise changes.

The blend door is on top of the heater case under the windshield. The dash has to be removed to gain access.

No the top is not easy at all.

Roy
Dec 15, 2020 at 6:58 PM (Merged)
Avatar
MARTINMG42
  • MEMBER
  • 5 POSTS
Yes, noise is getting worse after I command or do a self check test.
I would take car to dealership but I live in Croatia, European Union and I am only owner of LTC here and they know nothing about this car.

Huh, what nodes needs to be changed? (Electrical cables?)
Martin
Dec 15, 2020 at 6:58 PM (Merged)
Avatar
2CP-ARCHIVES
  • MEMBER
  • 4,540 POSTS
where is the temperature blend door located
Dec 15, 2020 at 6:58 PM (Merged)
Avatar
HMAC300
  • CERTIFIED EXPERT
  • 48,601 POSTS
in the heater but check to see if vacuum motor is getting vacuum and opening door. both are pointed out in schematic i'm sending (BELOW) it may be the control has a vacuum leak.

This guide can help

https://www.2carpros.com/articles/air-vents-stay-in-the-defrost-position

Check out the diagrams (Below). Please let us know if you need anything else to get the problem fixed.
Dec 15, 2020 at 6:58 PM (Merged)
Avatar
ASEMASTER6371
  • CERTIFIED EXPERT
  • 52,796 POSTS
Again, in what mode does the noise change? I need to know which one is making the noise.

You stated in the beginning that your guy replaced the blend door actuator. Is he still around?

Roy
Dec 15, 2020 at 6:58 PM (Merged)
Avatar
MARTINMG42
  • MEMBER
  • 5 POSTS
Okay, so I checked that. First when I start a car without turning heating or AC I heard noise for 15 seconds, and when I push buttons there, no additional sounds are coming out. But also when I do a self test I get codes 16 and 24. When car is performing that test I also hear that noises and when it stops with test, I click on windshield and I hear for 10 seconds that some motor or actuator is struggling to do something there but without any results.

Yes, that guy is still around but he told that I need to replace "blend door", not the actuator. He tired to weld cracked doors but it didn't last long after service.
Dec 15, 2020 at 6:58 PM (Merged)
Avatar
ASEMASTER6371
  • CERTIFIED EXPERT
  • 52,796 POSTS
From your description of the noise and when it happens, it sounds like the mode actuator which direct air to the defroster.

Roy

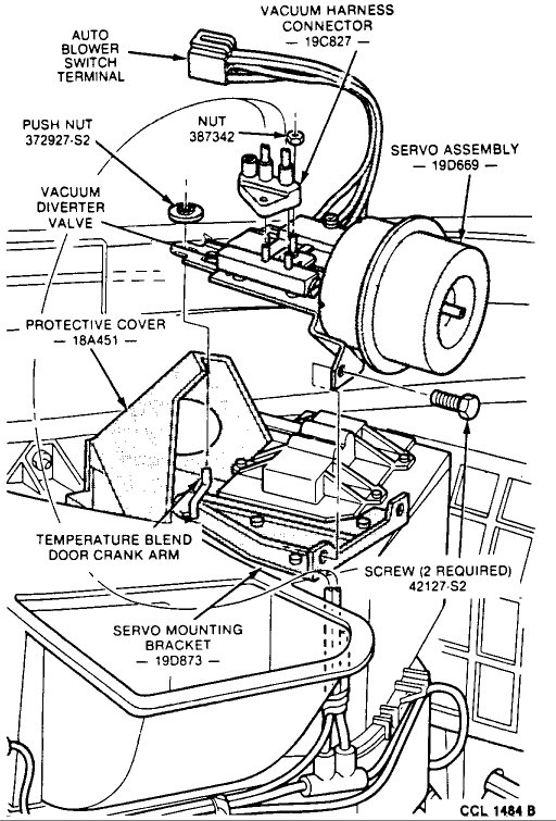
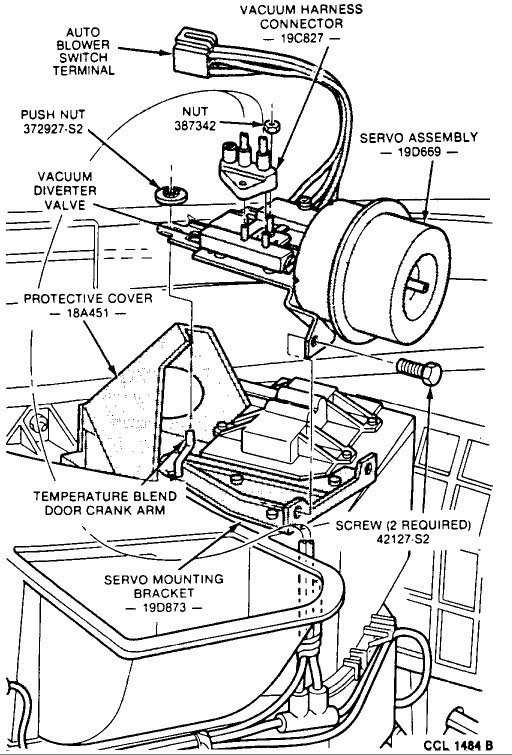
REMOVAL
1. Disassemble the instrument panel to remove the windshield defroster hose nozzle and evaporator register ducts.



imageOpen In New TabZoom/Print



2. Remove the screws.



imageOpen In New TabZoom/Print



3. Rotate the vacuum control motor, disengage the lever and remove the vacuum control motor.

CAUTION: Do not attempt to bend any part of the lever. It is brittle and will break.



imageOpen In New TabZoom/Print



INSTALLATION
1. Follow the removal procedure in reverse order.
Dec 15, 2020 at 6:58 PM (Merged)
Avatar
NICKGOINS
  • MEMBER
  • 9 POSTS
Heater problem
1997 Lincoln Town Car V8 Automatic

Hey Caradiodoc. Donated before for intermedeate steering shaft problem. Anyway, loud clicking noise by glove box. Think it is the actuator. Is there anyway I can remove the glove box only and acess the actuator? What is the easy way to remove glove box. There is a site for this but I could not get into it. Once glove box is removed, I do not object to cutting any plactic panel with dremmel tool behind or inside glovebox area to gain acess. Have also heard of disconnecting power to actuator, and manually opperating door with screwdriver. Old car so it does'nt matter. A little far fetched I guess, but the job is beyond me if done by the book. 5 hours. Pacemaker defibulator, co I cannot stay under a dash for that long. Appreciate your advice on this, and thanks for the intermedete shaft advice. Thanks, Nick
Dec 15, 2020 at 6:59 PM (Merged)
Avatar
CARADIODOC
  • CERTIFIED EXPERT
  • 34,306 POSTS
Sorry. I'm not an expert on heater boxes. I posed your problem to my cousin who had an actuator problem on his '97 Ranger. Here is his reply:


By actuator, are we talking the blend door? On the truck there is the blend door that is turned 90 degrees by a motor that is mounted above it. To get
at the door itself, I emptied the glove box, tipped it forward, and at that point, could see the heater/air box assembly. On the back side(seat side) left side, I cut a hole with the solder gun. Made the hold big enough that I could get my hand in. Put hand forward as far as you can reach and feel to the right--that's where the blend door is. A Ford mechanic told me that sometimes people put stuff on the dash, it falls down through an opening and jams the door, sometimes breaking the door. In my case, the top of the door shaft where the motor goes in was partly broken. I glued a small piece of plastic to the motor shaft, trying to get the door to turn with half of the
shaft missing, Make sure to put some lube on there, otherwise will squeak, and bind. My guess is that if it's making some kind of clicking noise, there will be some foreign object in the box. Feel around, and make sure to check behind the door in that compartment. The door without the motor
mounted moves real easy, and on the ranger, will give you full heat without the motor. Hope this helps. You should have plenty of room to work on it
with the glove box tipped forward. If you are going to pull out the whole assembly, not worth the grief or cost. When done, cut a piece of tin, etc, and mount over hole, and fasten with 2 screws.
Dec 15, 2020 at 6:59 PM (Merged)
Avatar
NICKGOINS
  • MEMBER
  • 9 POSTS
Actuator is not the door, but the motor that operates the door. Most of the time it is the gear in the motor, but it can also be the door broken also. There is a web www.heatertreater.net that sells a metal door and gives information on how to install by cutting out two different sections of the glove box to acess the actuator which is under the door. Anyway, was fooling around with the temp control read=out which will read between 60-90 degrees, Temp was set for 60 and when I raised it to 74 degrees clicking in dash stopped and would not cliick between 74 and 90, but any setting below 74, clicking would start again and continue until at least 74 was set. I can live with 74 for air or 74 or above for heat. Ask your cousin if he thinks it could be a temp sensor or something like that, but anyway as far as I am concerned, it it fixed, knock on wood. Weird. Please answer the following if you can. I would like to know how to unlatch glove box to downward position. Are there tabs you push in or something. Hopefully this will be of help to your memory banks. Thanks, Nick
Dec 15, 2020 at 6:59 PM (Merged)
Avatar
NICKGOINS
  • MEMBER
  • 9 POSTS
Hey guys, I spoke too soon. Actuator is clicking again. After I open the glove box, I need to know how to unlatch the glove box door, or take the glove box out.It is the actuator motor. The way to check it is to stabilize temp. Press Floor and Off at the same time, Let go and immediately press Auto button. Should see a segment check for 20 seconds. All segement will display simultaneously if nlo codes are found. If 024 or 025 code appears accompanied with a clicking sound the blend door actuator motor needs to be replaced. To exit self test, press Defrost toexit test. Ford states the noise is caused by a broken gear within the actuator. My question is how do I remove the glove box door or unlatch it so I can put it in a downward position before cutting out part of the panel inside the glovebox to gain access to the actuator motor? Hopefully it will help you guys with the memory banks in the future. Thanks, Looking forward to the answer. Nick
Dec 15, 2020 at 6:59 PM (Merged)
Avatar
CARADIODOC
  • CERTIFIED EXPERT
  • 34,306 POSTS
Hi Nick. Just got back from visiting my cousin. Look at the sides of your glove box when it is open. If there are slots on the back, you can squeeze the sides in. There are stops on the outside that have to pass through the opening, then the door should fold down.

caradiodoc
Dec 15, 2020 at 6:59 PM (Merged)
Avatar
BUZZ BUZARD
  • MEMBER
  • 2 POSTS
Under drivers dash fuze box Unplug 15a Fuze # 1 turn on key see if clicking goes away Plug Fuze back in if clicking stops run self test If it comes back removed fuze and install a 5/8 shut off valve in the upper heater hose turn it off to have AC on for Heat not great but is a cheap fix. will work on 95 to 97 Lin TC
The System will work without this fuze is power for the Blend door only the blend door is spring loaded to the full heat pos. at least you wont have to hear that click clack cluck.
Buzzy
Dec 15, 2020 at 6:59 PM (Merged)
Avatar
BUZZ BUZARD
  • MEMBER
  • 2 POSTS
shut off yhe engine side or upper (pressure) heater hose
Buzzy
Dec 15, 2020 at 6:59 PM (Merged)
Avatar
BEVERLY ROBBINS
  • MEMBER
  • 1 POST
Have no heat in car but have new thermostat. Blend door does not open.
Dec 15, 2020 at 6:59 PM (Merged)
Avatar
ASEMASTER6371
  • CERTIFIED EXPERT
  • 52,796 POSTS
Good morning.

The blend door is on top of the heater case. The bad part is that the dash board has to be removed to gain access to it.

Roy

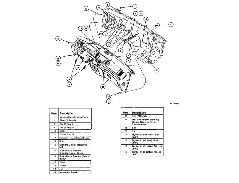
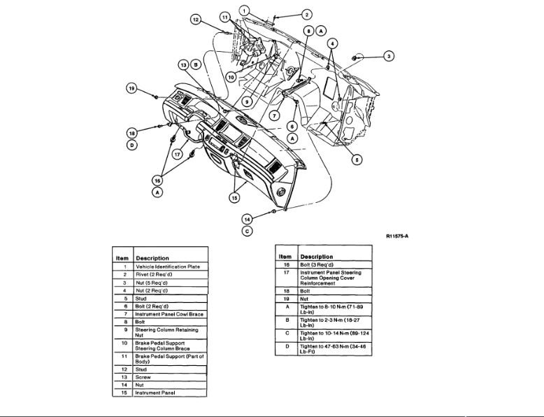
Removal

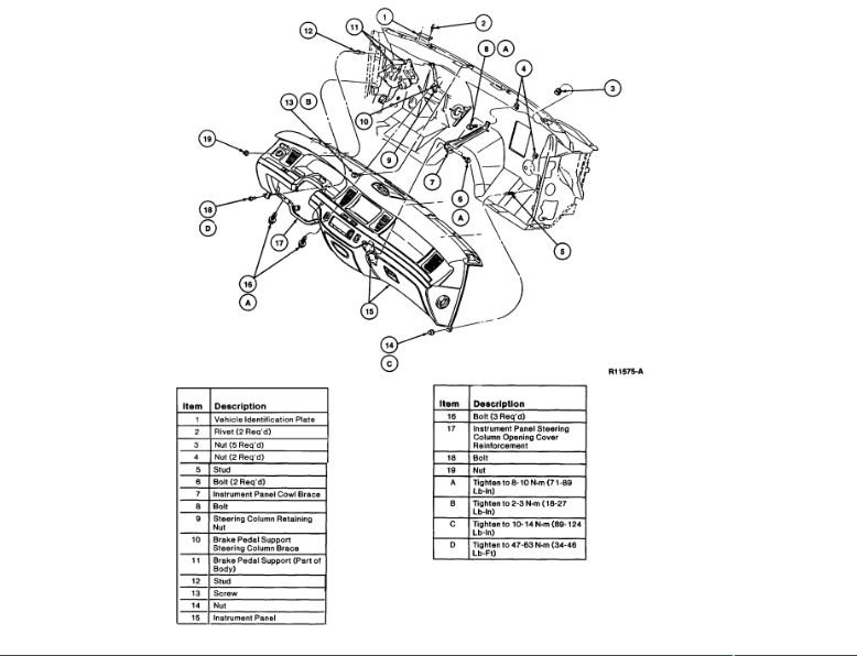
1. Remove instrument panel assembly. Refer to Instrument Panel/Service and Repair. See: Instrument Cluster / Carrier > Procedures
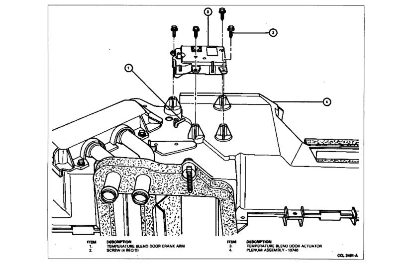
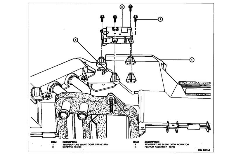
2. Disconnect the electrical harness, to the temperature controller on the control assembly, from the blend door actuator.

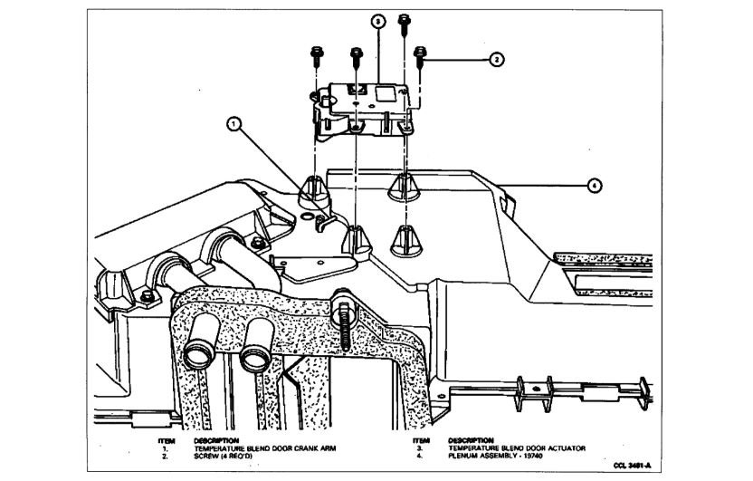
Temperature Blend Door Actuator
imageOpen In New TabZoom/Print

3. Remove four screws and remove the blend door actuator from the plenum assembly.

Installation

1. Position the blend door actuator on the plenum assembly. Be sure the actuator cam is properly engaged with the temperature blend door crankarm.
2. Install the four screws that secure the blend door actuator to the plenum assembly.
3. Connect the temperature controller electrical harness to the blend door actuator.
4. Install instrument panel. Refer to Instrument Panel/Service and Repair.
Dec 15, 2020 at 6:59 PM (Merged)
Avatar
BEVERLY ROBBINS
  • MEMBER
  • 1 POST
Do not know how to get dashboard off. I was told it was under dash and was just a lever to open but cannot find anything under dash. I was told this was a easy thing to do.
Dec 15, 2020 at 6:59 PM (Merged)
Avatar
ASEMASTER6371
  • CERTIFIED EXPERT
  • 52,796 POSTS
That information was not correct.

It is on top of the heater case and the dash has to come out.

Procedure

Roy

Removal
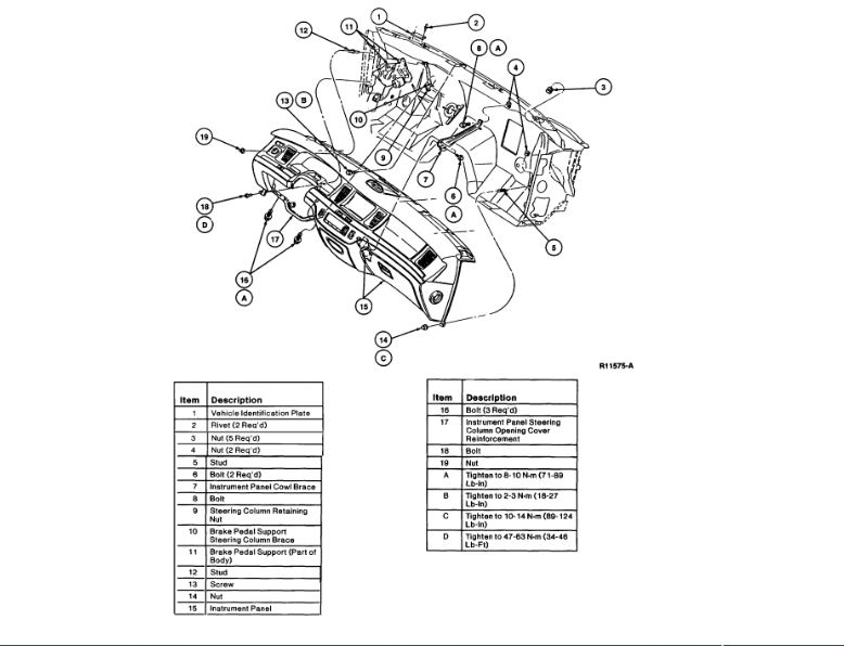
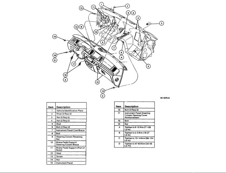
1. Position wheels straight ahead.
2. Disconnect battery ground cable.
3. Raise vehicle on hoist.
4. Remove RF wheel and tire assembly.
5. Remove retaining nut in radiator coolant recovery reservoir area.
6. Remove bolt retaining front fender apron to front fender.
7. Position front fender splash shield out of the way.
8. Lower vehicle.
9. Tag and remove wiring connectors.
10. Remove retaining screw in parking brake control. Remove parking brake control.
11. Remove screw retaining instrument panel steering column opening cover reinforcement.
12. Remove steering column assembly.
13. Remove from the LH and RH cowl side trim panels.


imageOpen In New TabZoom/Print


14. Remove lower cowl side trim panels.
15. Tag and disconnect wiring connectors in LH and RH cowls.
16. Remove ground wire assembly.
17. Remove retaining rivet in the passenger side of the instrument panel.


imageOpen In New TabZoom/Print


18. Unsnap the instrument panel finish panel, center and RH.
19. Unsnap the instrument panel finish panel, (LH).
20. Remove and disconnect the radio chassis.
21. Remove retaining screw in the instrument panel finish panel.
22. Position the instrument panel finish panel out of the way.
23. Tag and disconnect the wiring connectors.
24. Remove retaining screw in the passenger side air bag module.
25. Disconnect the electrical connector to the passenger side air bag module.
26. Remove and disconnect the instrument panel upper finish panel.
27. Remove instrument panel to cowl brace retaining screw.
28. Remove retaining nut on the instrument LH and RH lower finish panel.
29. Remove instrument panel cowl brace.
30. Disconnect vacuum hose on the harness assembly.
31. Remove upper and lower screws retaining instrument panel finish panel to dash panel.
32. If instrument panel is being replaced, transfer all parts to the new instrument panel.


imageOpen In New TabZoom/Print

Dec 15, 2020 at 6:59 PM (Merged)
Avatar
ARNOLD KNUTSEN
  • MEMBER
  • 2 POSTS
Can I remove a fuse to deactivate the blend door motor? Can I reach and cut a wire feeding it?
Dec 15, 2020 at 6:59 PM (Merged)
Avatar
KASEKENNY
  • CERTIFIED EXPERT
  • 18,907 POSTS
I assume that the issue is the actuator has failed and you have a clicking all the time?

If this is the case, you don't have a fuse for just the blend door so that option will not work. You could cut the wires but that is not a good idea just because if you ever fix it you would have to repair the wires as well. So if you are going to reach up there, you could just access it and unplug it. Or if you go to that extend, I would just replace it.

However, I get how you don't want to pull the cluster out but it is not as bad as it sounds. I included the process for your review.

If you do want to cut the wires, I included the connector view showing each wire.

Plus here is a guide that will help with some general info on this as well:

https://www.2carpros.com/articles/replace-blend-door-motor

Let us know what questions you have. Thanks
Dec 15, 2020 at 6:59 PM (Merged)
Avatar
LIONOFJUDAH
  • MEMBER
  • 1 POST
My AC blender door got stuck. Now it just blows hot air. Where is the blender door located? And where is the actuator located?
Dec 15, 2020 at 6:59 PM (Merged)
Avatar
STEVE W.
  • CERTIFIED EXPERT
  • 15,113 POSTS
Sounds like either the vacuum dashpot failed or a vacuum line came off. You can access it by removing the glove box door. See the pictures.
Dec 15, 2020 at 6:59 PM (Merged)
Avatar
CARPETWEB
  • MEMBER
  • 3 POSTS
i have a 1997 town car, i've been told i have a blend door actuator problem but when i run the self diagnostic it will reset itself. sometimes i get code 024 and 025 but no clicking noise, so i am having a hard time believing the actuator is bad...

could it be a temperture sensor or sensors and if so where are they and where would you start.

when it resets it will stay cooling or heating as long as you leave it in the coldest or warmest setting and off of automatic.
Dec 15, 2020 at 6:59 PM (Merged)
Avatar
TOBYU
  • MEMBER
  • 89 POSTS
Sounds like it is a blend door problem. They have a high failure rate in Town Cars.
You are lucky it will change from hot to cold and stay there. I had a 96 that would do the same. I had to reset it about 4-5 times to get it to switch and then keep it off of AUTO.
It is a labor intensive expensive job to replace such a small cheap part.
I would live with it as long as I could get it to go from hot to cold for the season changes.
Dec 15, 2020 at 6:59 PM (Merged)