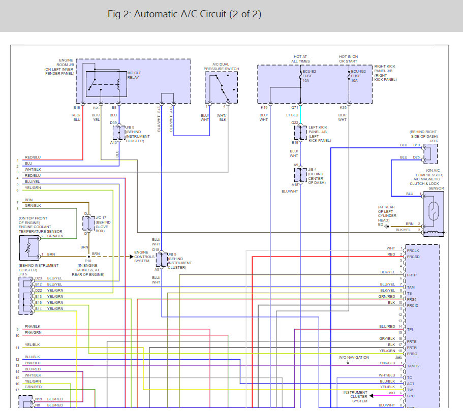
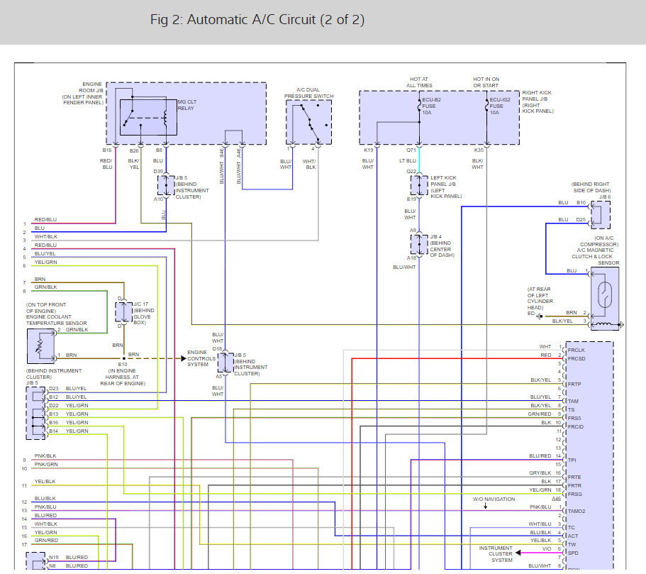
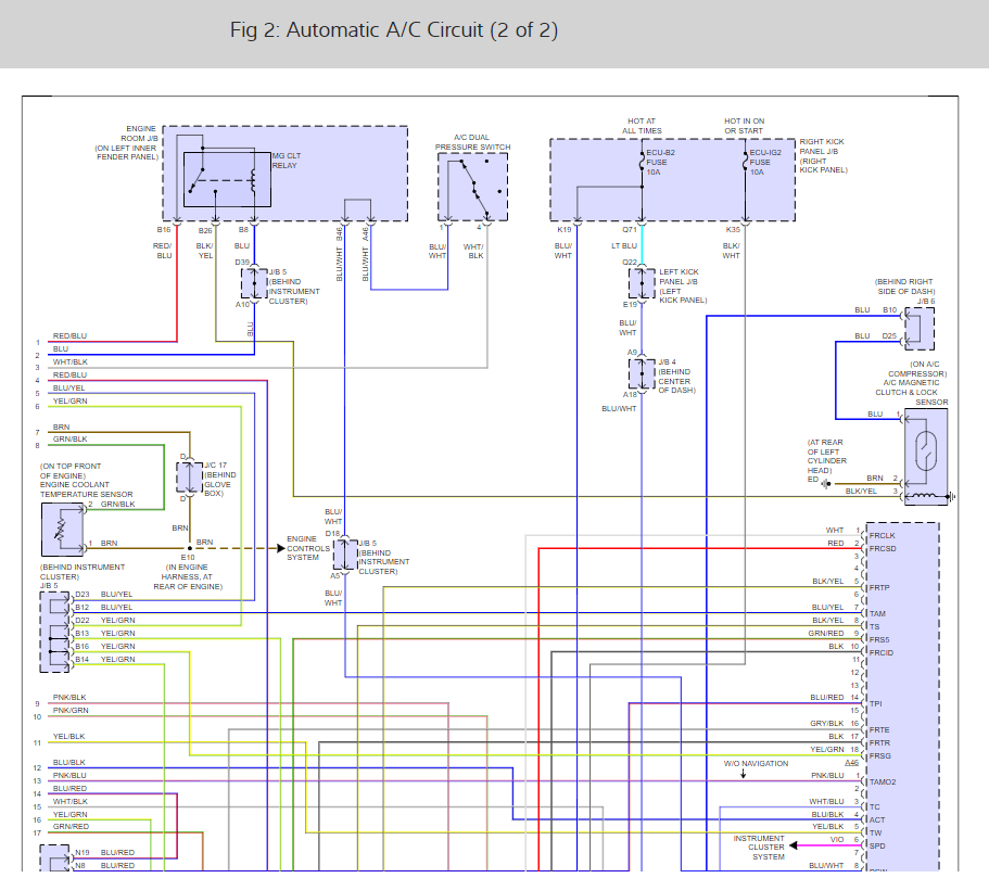
My AC amplifier is Toyota part number 88650-60B80. I have the field service volumes and the papar EWD book, and I have spare wires that I know go in there. So I am looking all over. It has three connector slots, 40 pin, 22 pin and 18 pin
Thank you
Thank you
Jan 11, 2018 at 4:03 PM







