Both my left turn signal bulbs started flashing quickly so I replaced both with the correct bulbs but they still flash quickly. They also do not light when I turn the lights on at night. I replaced the flasher module behind the emergency flasher and it still does the same thing. All bulbs flash slowly when the emergency flasher is on.
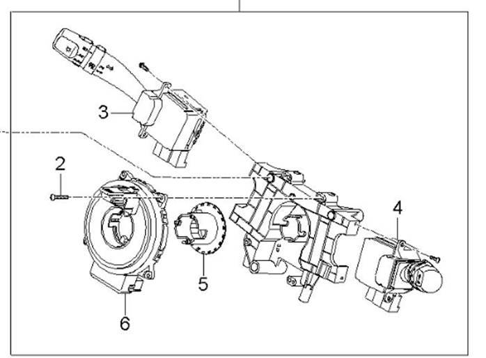
Could it be multi function light control lever assembly and how hard it is to replace that?
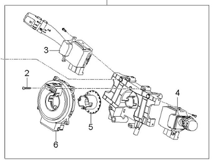
Could it be multi function light control lever assembly and how hard it is to replace that?
Oct 25, 2012 at 1:36 PM
