engine cranks, but does not start at times

2006 JEEP LIBERTY
144,000 MILES • 3.7L • 6 CYL • 4WD • AUTOMATIC
Avatar
TROY2006
  • MEMBER
  • 10 POSTS
2006 Jeep Liberty Sport with 3.7L engine. I recently replaced the fuel pump (not assembly) because of no pressure. Now have trouble starting at times, but once running does not cut out or cut off. Measured the pressure at fuel rail and was 36 psi with engine running (should be 56-60 psi).

When I turn the engine off the pressure gradually increases to 58 psi after about 5 minutes.What would cause the pressure to increase after the engine is turned off ? As a separate note, is the regulator, fuel filter, and the fuel pump all contained in the "assembly" ?


Please advise. Thanks.

.
Nov 17, 2014 at 4:02 PM
Advertisement
Avatar
JACOBANDNICKOLAS
  • CERTIFIED EXPERT
  • 110,175 POSTS
That is interesting. I think the fuel pressure gauge might not be plugged onto the fuel rail all the way causing the gauge not to read right.

As far as the regulator and filter, yes, the filter is in the tank and the regulator could be based on which set up you have. It sounds more like a fuel pump relay is failing.
Nov 18, 2014 at 5:10 AM
Avatar
TROY2006
  • MEMBER
  • 10 POSTS
There was only one place to connect the hose. The other was for the electrical connector.Could it have something to do with the check valve?
Nov 18, 2014 at 5:48 AM
Advertisement
Avatar
JACOBANDNICKOLAS
  • CERTIFIED EXPERT
  • 110,175 POSTS
No, a check valve wouldn't cause an increase in pressure. I feel it has something to do with the regulator. Since you just did the pump and not the entire assembly they can be the problem.
Nov 18, 2014 at 6:49 AM
Avatar
TROY2006
  • MEMBER
  • 10 POSTS
Thanks for your tip about the fuel pump relay. One I took the car into the garage that is what they found.

thanks for the tip I wish I would have listened to you earlier,, $160.00 earlier lol
Nov 18, 2014 at 10:54 AM
Avatar
JACOBANDNICKOLAS
  • CERTIFIED EXPERT
  • 110,175 POSTS
Glad you could get it fixed, that kind of problem can be tough. Please use 2CarPros anytime we are here to help

Cheers
Nov 18, 2014 at 6:09 PM
Avatar
CME92
  • MEMBER
  • 1 POST
won't start/ crank. First time I tried starting it since issue, it would start no problem then cut off after 2-3 seconds (this happened 3 times). Now it will not start or crank at all. No noises area de when key is turned in the ignition.
Jan 1, 2019 at 6:45 PM (Merged)
Avatar
HMAC300
  • CERTIFIED EXPERT
  • 48,601 POSTS
have battery checked for condition including load test. if battery ok then have a pro scan it for a bad tpim module. It sounds like it may have a communication error with the computer if it says "No Bus" in the drivers info center. This will require a scan tool to see whats going on
Jan 1, 2019 at 6:45 PM (Merged)
Avatar
MOD2069
  • MEMBER
  • 1 POST
Jeep will not turn over with the key. I have checked the starter and fuses
Jan 1, 2019 at 6:45 PM (Merged)
Avatar
JDL
  • CERTIFIED EXPERT
  • 16,098 POSTS
How did you check the starter? Did you check for voltage at the starter? Any testing at the starter, make sure tranny is in park or neutral and the parking brake is set.

Battery has a full charge and connections all clean and tight?
Jan 1, 2019 at 6:45 PM (Merged)
Avatar
JDL
  • CERTIFIED EXPERT
  • 16,098 POSTS
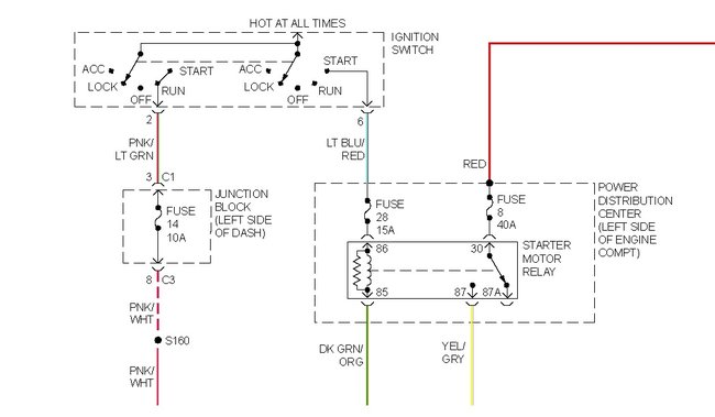
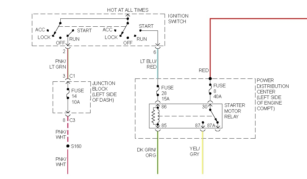
this is part of starter circuit. The yellow wire with gray tracer at the starter goes hot when the relay is energized. The red wire at starter is battery voltage, hot all the time.
Jan 1, 2019 at 6:45 PM (Merged)
Avatar
JUSTDOIT8
  • MEMBER
  • 4 POSTS
My 2006 Jeep Liberty Sport 3.7L starts just fine in the morning and at night when the weather and/or vehicle are cool. During the day I turn the key and get one starter relay click and no starter cranking at all.
During the past 2 weeks or so I had noticed that the vehicle would not start until I turned the key all the way to the stop, rather than just past the detent where the spring loaded resistance begins. I eliminated the starter relay by swapping it out with one of the wiper relays (same part #). I am assuming that the ignition switch is good since the starter relay is activating. Pretty sure my battery is good since all electrical systems seem normal. I tried moving the steering wheel and the shifter to exercise the neutral switch. Is it possible that I could have a bad ignition switch and still be sending some juice (but not enough) to the relay?
Jan 1, 2019 at 6:45 PM (Merged)
Avatar
DOCFIXIT
  • CERTIFIED EXPERT
  • 18,828 POSTS
Suspect starter motor possible worn bushings. When it won't start get to starter put test light on small wire at starter have helper turn key if it lights every time the motor faulty.
Jan 1, 2019 at 6:45 PM (Merged)
Avatar
JUSTDOIT8
  • MEMBER
  • 4 POSTS
It started fine this morning, allowing me to drive it up on ramps.
I used the test light to probe the wire. No light when attempting to start. I tried all angles of the conductor (slide-on end of connector, and crimp end of connector). The thick red wire running down from battery lights up nicely as expected. I re-affirmed that the starter relay inside the PDC clicks on every start attempt.
Jan 1, 2019 at 6:45 PM (Merged)
Avatar
JUSTDOIT8
  • MEMBER
  • 4 POSTS
I re-traced all electrical connections again with a voltmeter. Everything seems to check out fine. I noticed in my Haynes repair manual that my Jeep has a battery temperature sensor located under the battery in the bottom of the tray. Sounds like a candidate for causing this type of temperature related failure. I removed the battery and set a bag of ice on top of the sensor for about 5 minutes. I then re-installed the battery and the vehicle started with no problem. Now I think I have it narrowed down to either the temp sensor or the battery itself. Maybe my battery is marginally functional?
Jan 1, 2019 at 6:45 PM (Merged)
Avatar
DOCFIXIT
  • CERTIFIED EXPERT
  • 18,828 POSTS
Have a load test done on BATT local parts store will do
Jan 1, 2019 at 6:45 PM (Merged)
Avatar
JUSTDOIT8
  • MEMBER
  • 4 POSTS
I gave up and took it to my mechanic. They found that the ignition switch/steering column had a short in it somewhere. They had to replace the steering column with the switch.
Jan 1, 2019 at 6:45 PM (Merged)
Avatar
GERRI
  • MEMBER
  • 1 POST
I have a 2006 Jeep Liberty. It was running fine yesterday, went out to start it today. It wont turnover....just clicks. Everything lights up though.
Jan 1, 2019 at 6:45 PM (Merged)
Avatar
CJ MEDEVAC
  • CERTIFIED EXPERT
  • 11,004 POSTS
Just to kinda see if your battery is way down or alternator ain't chargin' it. Sorta a test, without using a voltmeter (let me know if you have one and know how to use it)

Turn you headlights on, have your buddy watch 'em...You try to crank it up...if they dim to nothingness or go completely out, you may want to check your battery/ charging system.

If they stay bright, check every mechanical connection from the battery to the starter on the Pos side, and also the same on the Neg side...Test as you go, this may let you know which connection was the problem. Leave nothing out, saying, "That looks good", as that's usually the one that will bite you in the butt!

The Medic
Jan 1, 2019 at 6:45 PM (Merged)
Avatar
PERRY31
  • MEMBER
  • 1 POST
My Jeep will not start. I have replaced the starter still nothing. The car is getting power but will not turn over.
Jan 1, 2019 at 6:46 PM (Merged)
Avatar
RASMATAZ
  • CERTIFIED EXPERT
  • 75,992 POSTS
No crank when key is turn to the starting position:

Could be the starter relay,transmission position switch and ignition switch assuming the battery and connections are good.
Jan 1, 2019 at 6:46 PM (Merged)
Avatar
TPG
  • MEMBER
  • 3 POSTS
First of all I've had the battery replaced, some cables that connect to the battery via a dealer that were exposed as well as the ignition/cylinder switch (?) Sometimes the truck will start with no problem other times I have to press on the gas for it to start. All of the lights, radio, clock etc. come on. There is no grinding sound nor is it slow to turn. You hear a click as if it's trying to connect but won't...until I press on the gas.This has been going on for some months now, the replacements have taken place during this time. I have been online searching for suggestions, I have heard that the starter and/or relay needs to be replaced, spark plugs and even fuel injector cleaner. What do you suggest?
Jan 1, 2019 at 6:46 PM (Merged)
Avatar
HMAC300
  • CERTIFIED EXPERT
  • 48,601 POSTS
try replacing the starter relay with a like relay and have the starter checked for draw. have you rfuel pressure checked and scan for codes.
Jan 1, 2019 at 6:46 PM (Merged)
Avatar
TPG
  • MEMBER
  • 3 POSTS
Thanks for the prompt response. What do you mean when you say to have the fuel pressure checked? A diagnostic was run on the truck twice, once by the dealer another time by an O'
Reilly's. Nothing was ever found and I would expect it to be surely found by the dealer.
Jan 1, 2019 at 6:46 PM (Merged)
Avatar
HMAC300
  • CERTIFIED EXPERT
  • 48,601 POSTS
a tol has to be dhooked to it to see what eh fuel pressure is if it's low it won't start, idle run rough or misfire to name a few. Not sure if a dealer checks that when it is scanned.
Jan 1, 2019 at 6:46 PM (Merged)
Avatar
TPG
  • MEMBER
  • 3 POSTS
Okay I'm assuming that the mechanic will know what a 'tol' is ??? and that it has to be 'dhooked'??? Not being funny I just want to be able to go in and give him clear direction. Is this something that a tune-up would correct?
Jan 1, 2019 at 6:46 PM (Merged)
Avatar
HMAC300
  • CERTIFIED EXPERT
  • 48,601 POSTS
hey that is what happens when you get old and type to fast the keyboard doesn't cooperate lol just tell the guy you need to know what fuel pressure is or if ok. a lot of times this is missed.
Jan 1, 2019 at 6:46 PM (Merged)
Avatar
JUANMEL
  • MEMBER
  • 2 POSTS
Have replaced battery, fuel pump, cam and crank shafts. At wits end.
Jan 1, 2019 at 6:46 PM (Merged)
Avatar
HMAC300
  • CERTIFIED EXPERT
  • 48,601 POSTS
won't turn over or won't start? check fuel pressure.
Jan 1, 2019 at 6:46 PM (Merged)
Avatar
JUANMEL
  • MEMBER
  • 2 POSTS
won't turn over
Jan 1, 2019 at 6:46 PM (Merged)
Avatar
HMAC300
  • CERTIFIED EXPERT
  • 48,601 POSTS
ok check to see ifyou are getting power to starter when you go to start . you'll need someone to help you with this. if you have atest light and it is bright at starter then take a hammer an dhit the body of the starter. if it starts you'll need anew starter. if the light isn't bright then it's aproblem with the relay, ignition switch or nuetral safety switch.
Jan 1, 2019 at 6:46 PM (Merged)
Avatar
MRBKB09
  • MEMBER
  • 1 POST
Engine Mechanical problem
2003 Jeep Liberty 6 cyl Four Wheel Drive Automatic

the jeep died on my while driving cut off will not fire. I have replaced both the cam and crank sensors. coils are sparking. getting fuel to the rails. it could have jumped time. it turns over but will not start any ideas on where to look and what to try next.
Jan 1, 2019 at 6:46 PM (Merged)
Avatar
RASMATAZ
  • CERTIFIED EXPERT
  • 75,992 POSTS
coils are sparking. it should fire up -Check the fuel pressure if its within specs and also for injection pulses
Jan 1, 2019 at 6:46 PM (Merged)
Avatar
MVIVIAN17
  • MEMBER
  • 1 POST
My car won't start. Battery had a lot of corrosion on it. Cleaned it good, still wouldn't start. Original battery. No noise when I turn the key. Lights and radio work good. Tried tapping the starter and still didn't start. Is it the battery? Is it the starter?
Jan 1, 2019 at 6:46 PM (Merged)
Avatar
JACOBANDNICKOLAS
  • CERTIFIED EXPERT
  • 110,175 POSTS
Check the battery to see how many volts it is producing. It should be slightly over 12 volts. If it is, then have a helper turn the key to the start position while you check to see if there is 12 volts going to the smaller wire on the starter. If there is, the starter is most likely bad. Also, you can have the battery load tested at most parts stores for free. You may want to consider that if you don't have a volt meter.

Let me know what you find.
Joe
Jan 1, 2019 at 6:46 PM (Merged)
Avatar
ANGELMILLER
  • MEMBER
  • 1 POST
Car wont start but lights are on on dashboard and when I try to start it I hear a clicking noise...could this be the battery that has gone dead or can it be something else...power locks doesn't work either I have to lock them manually.
Jan 1, 2019 at 6:46 PM (Merged)
Avatar
SATURNTECH9
  • CERTIFIED EXPERT
  • 30,869 POSTS
I would first have the battery tested do you have a multi meter to do some testing?Also whats actually clicking?
Jan 1, 2019 at 6:46 PM (Merged)
Avatar
PJMARTINEK
  • MEMBER
  • 1 POST
Engine Performance problem
2002 Jeep Liberty 55,000 miles

I had never had any problems starting my car until recently when it began -- every once in a while -- not to start on the first try. It used to happen once it a blue moon, but it is getting frequent, almost daily. It never happens when you've already been driving that day. Usually the next morning. No weather problems, as I'm in a warm climate. The battery is relatively new. Is it the starter?
Jan 1, 2019 at 6:46 PM (Merged)
Avatar
RASMATAZ
  • CERTIFIED EXPERT
  • 75,992 POSTS
Hi pjmartinek, Welcome to 2carpros and TY for the donation.

If its a hard initial start- Check and test the coolant temperature sensor, ASD relay and also the fuel pressure . Let me know
Jan 1, 2019 at 6:46 PM (Merged)