Will not start and multiple issues

2006 JAGUAR XJ6
71,000 MILES • 2.7L • V6 • TURBO • 2WD • AUTOMATIC
Avatar
OLDGEEZER
  • MEMBER
  • 2 POSTS
My car (X350?) (2.7TDVi,)was unused for approximately 3 weeks and when I went to start it the battery had died.I tried to charge it while it was still connected to the car but nothing was working. I then disconnected the cables and fully recharged it, upon reconnecting the terminals the cooling fan went into overdrive and I thought the car was going to take off. the engine started and the fan slowed down but after running for a while when I switched off the fan started up again?
I disconnected the battery and left it for a few days, when I reconnected no fan (great) except I now had the following warnings on the message center:

1. gearbox fault.
2. DSC not available.
3. air suspension fault.
4. ABS fault.
5. park brake and foot brake fault.
6. cannot apply park brake.
7. limiter not available.
8. cruise not available.

Also the following warning lights were on:

1. battery.
2. oil.
3. engine malfunction.
4. engine temperature.

I have replaced the battery with a new one and replaced the earth leads behind the headlights, my problem is that along with the above warnings now the car will not crank at all. when I turn the ignition key to crank the engine the only thing that happens is that the information/radio screen goes blank but the dash remains fully lit? what's going on? The EGR valves were replaced recently and along with some other work (£2500) the car has been fully maintained by jaguar specialists and has only 71,000 miles on the clock and at the moment is a beautiful ornament in my garage. Do I take it back to a specialist, try to fix it myself or send it to the great car park in the sky i.e. scrap it?
regards,
John
Feb 23, 2020 at 4:20 AM
Advertisement
Avatar
JOETECHPRO
  • CERTIFIED EXPERT
  • 705 POSTS
Hey OLDGEEZER,

As with all electrical faults as weird and wonderful as they can be the best place to start is to check the fuses and ensure all are intact.

Replace any that have blown and retest.

Sounds simple but you have to rule out the basic things first.

There is a guide to checking fuses below.

https://www.2carpros.com/articles/how-to-check-a-car-fuse

The process is a-lot quicker with a 12V test light or multimeter.

Let us know what you find here.

Regards, Joe
Feb 23, 2020 at 4:19 PM
Avatar
KASEKENNY
  • CERTIFIED EXPERT
  • 18,907 POSTS
Let's start with the basics. First let's check for codes due to the various lights that are on. If you cannot pull codes yourself then most parts stores can pull them for you.

Next we need to check for fuses that are blown. Clearly if there are any then we need to replace them. Then retest the operation.

If there are no blown fuses, let me know what the codes are and we can go from there.

Thanks

https://www.2carpros.com/articles/how-to-check-a-car-fuse
Feb 23, 2020 at 4:34 PM
Advertisement
Avatar
ANDREW CHRISTIAN
  • MEMBER
  • 4 POSTS
Hello, I happen to have a similar problem, I don't have any codes in the dashboard and my navigation screen goes blank when trying to start the car, but absolutely nothing happens! Fuses where checked along with ground points, only strange thing is that the remote does not lock the car and the car makes 2 or 3 beeps when pressing lock/unlock button, so can lock/unlock only with the metal key.
Best regards,
Andrew
Jan 16, 2022 at 9:21 AM
Avatar
KASEKENNY
  • CERTIFIED EXPERT
  • 18,907 POSTS
Okay. I am sure we can figure something out. Just to be sure what the issue is, when you try to start the engine, the cluster goes blank, and nothing happens with the starter?

Does it click or make any noise at all when trying to start?

If not, we need to start with going to the starter and check for voltage on both wires. You should have 12 volts on both when trying to start the engine.

https://www.2carpros.com/articles/how-to-check-wiring

If you don't then we need to track the circuits back on whichever doesn't.

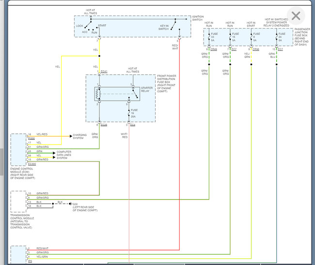
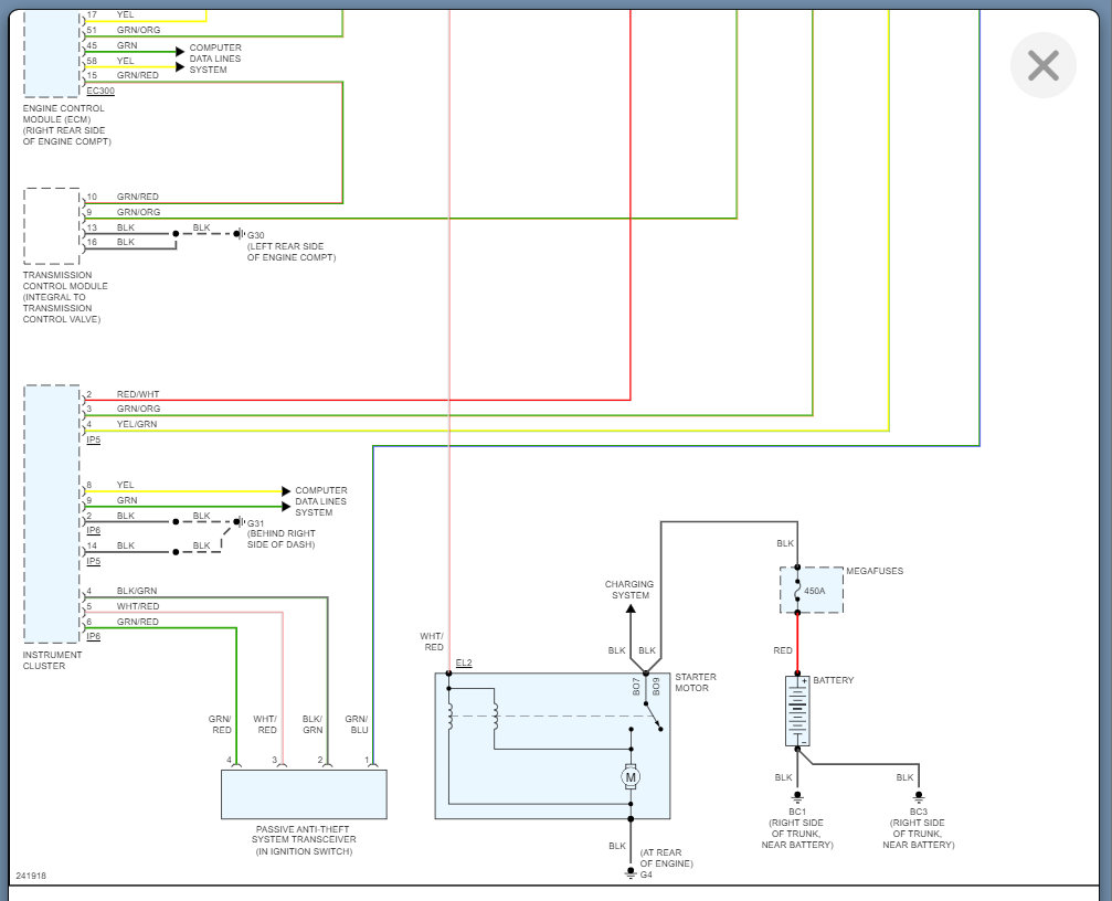
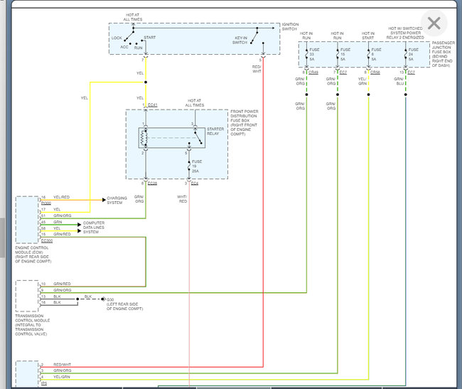
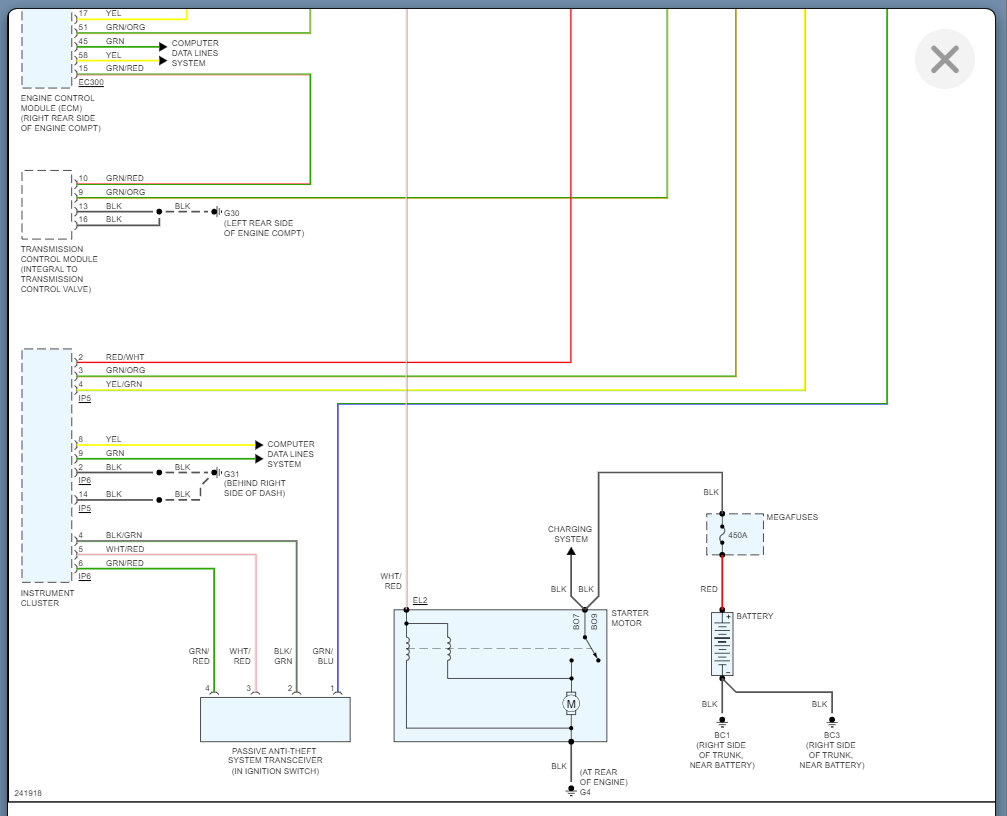
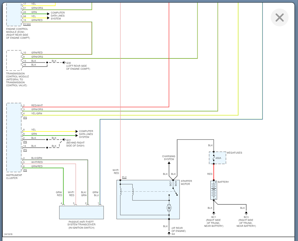
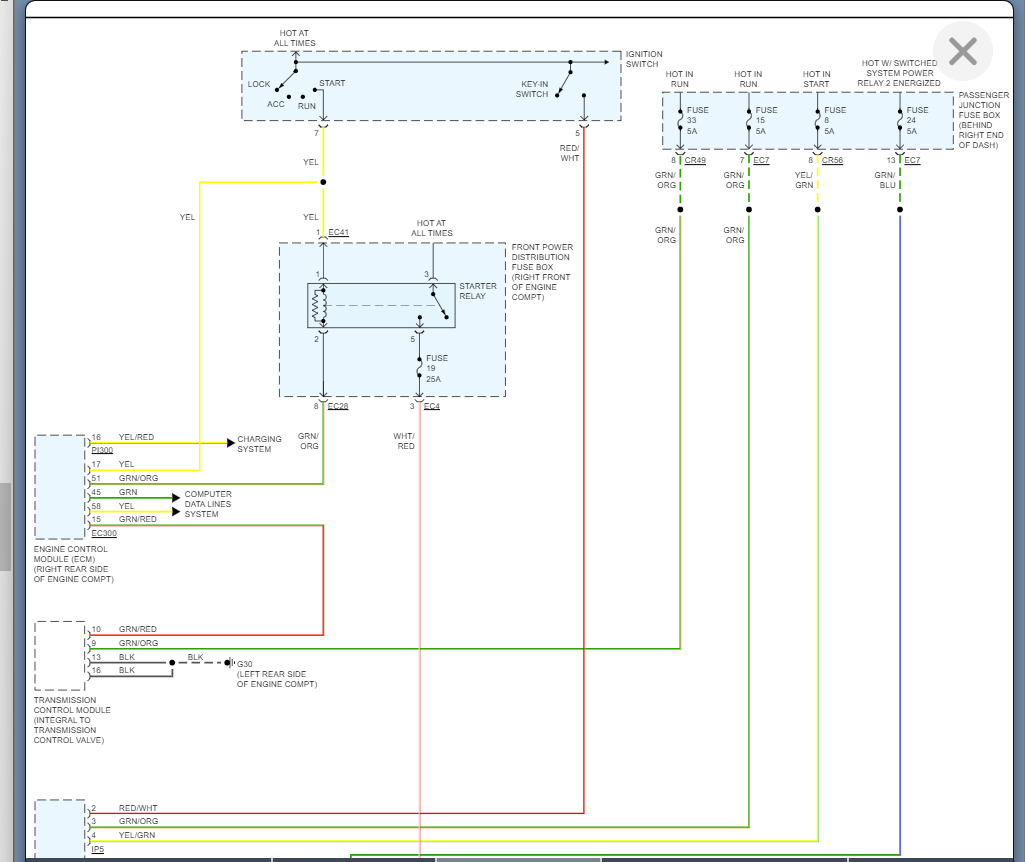
I am attaching the wiring diagram and I suspect we have an issue on the trigger wire that may be caused by the theft system or even the cluster.

However, we need to start with the basics so that we can start to zero in on where the issue is.
Jan 16, 2022 at 11:34 AM
Avatar
ANDREW CHRISTIAN
  • MEMBER
  • 4 POSTS
Hi and thank you for your fast response. I actually have a video of the car: https://youtu.be/LyvsL1X_um8 1:26 is when I start to crank it after connecting a charged enough battery.
The starter does not make any noise, i remember the guys from the shop checked if the starter gets power from the car, even connected it to 12V to see if the starter is bad and it cranked. However, I am sure they did not check the wire that seems to be in the rear, somewhere near the battery, so they only checked the wire/s at the engine bay. I hope this insight helps. I also think you may be right that it is an issue on the trigger wire, maybe related to the theft system, which is why I no longer can lock the car with the key.
What should I ask them to check?
Thank you very much,
Andrew Christian
Jan 17, 2022 at 3:35 AM
Avatar
KASEKENNY
  • CERTIFIED EXPERT
  • 18,907 POSTS
Even if the theft system is active, you should still be able to lock the doors so I would suggest we start by confirming the starter is not the issue.

Basically, we need to check the voltage at the starter on the trigger wire when you are cranking the engine.

That is going to tell us a lot. If you have no voltage, then we know the starting is not being allowed either due to another issue or even a failed relay.

If there is voltage, then the starter is the issue.
Jan 17, 2022 at 11:57 AM
Avatar
ANDREW CHRISTIAN
  • MEMBER
  • 4 POSTS
Hello, after checking the voltage and starter, I think I have the transmission locked in reverse, with the 2 bolts that connects the cable of the transmission loose, going to check that, meanwhile, is it possible that if the car was in R the remote would not work to lock/unlock the car? Thank you
Feb 20, 2022 at 2:45 PM
Avatar
KASEKENNY
  • CERTIFIED EXPERT
  • 18,907 POSTS
That is interesting. I have not tried to use the remote when it is in reverse, so I don't know if that is the case. However, it would make sense. Normally the BCM will ignore lock operation when in gear because I would think this would apply to the remote as well.

Please let us know what happens with this because that would be good to know.
Feb 21, 2022 at 6:56 AM