cluster gauges not working

2006 INFINITI M45
97,000 MILES
Avatar
BADDAD2986
  • MEMBER
  • 2 POSTS
I have a 2006 m45. All the gauges in the cluster light up but don't work. The electronic prndl lock won't disengage unless I use the manual press button. The climate control and blowers stopped working too. I do have radio..what fuse blew and where is it located?
Aug 29, 2013 at 7:19 PM
Advertisement
Avatar
HMAC300
  • CERTIFIED EXPERT
  • 48,601 POSTS
fuse 83 for dash in idpm box underhood fuse 10 & 11 for a/cpass compt fuse 17&18 same box. see pic
Aug 30, 2013 at 12:17 PM
Avatar
BADDAD2986
  • MEMBER
  • 2 POSTS
I found the fuse..thanks. now my ac doesn't blow cold air. Pressure seems to be good but clutch never engages to compressor even on max air. No known blown fuses. Or error codes. Any ideas or things to check?
Aug 31, 2013 at 7:10 AM
Advertisement
Avatar
HMAC300
  • CERTIFIED EXPERT
  • 48,601 POSTS
because you have auto temp control you need to have it scanned there are a bunch of things that can cause it to not work you can start by checking these fuses in pic otherwise have apro look at it.
Aug 31, 2013 at 7:20 AM
Avatar
INFINITI06
  • MEMBER
  • 1 POST
where is Fuse 83 for dash in idpm box and fuse 10 is air condition 10 amp fuse 11 rr def 20 amp, can not fix problem, i have 2006 m45
Dec 29, 2015 at 9:22 PM
Avatar
RIGOMA12
  • MEMBER
  • 7 POSTS
where could i buy fuse 83? i have the same problem and how do i get to idpm box? do i remove the battery?
Nov 24, 2017 at 12:23 PM
Avatar
STRAILER
  • CERTIFIED EXPERT
  • 53,854 POSTS
You can get a fuse to fix the problem at any auto parts store. Here are some guides and fuse panel diagrams (Below) so you can get the problem fixed and back on the road.

https://www.2carpros.com/articles/how-to-check-a-car-fuse

and

https://www.2carpros.com/articles/how-to-check-an-electrical-relay-and-wiring-control-circuit

Please let us know what happens.

Cheers, Ken
Nov 26, 2017 at 7:34 PM
Avatar
RIGOMA12
  • MEMBER
  • 7 POSTS
all of the fuses were fine, what else could be the problem?
Nov 29, 2017 at 8:13 PM
Avatar
STRAILER
  • CERTIFIED EXPERT
  • 53,854 POSTS
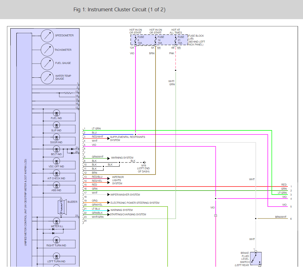
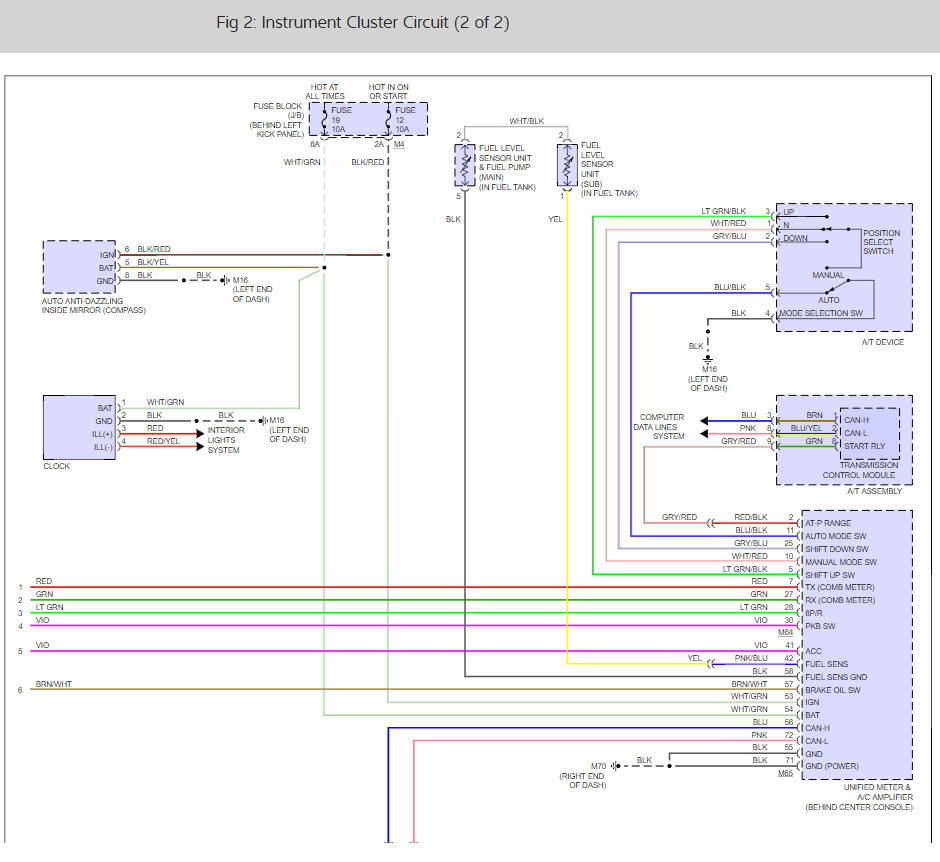
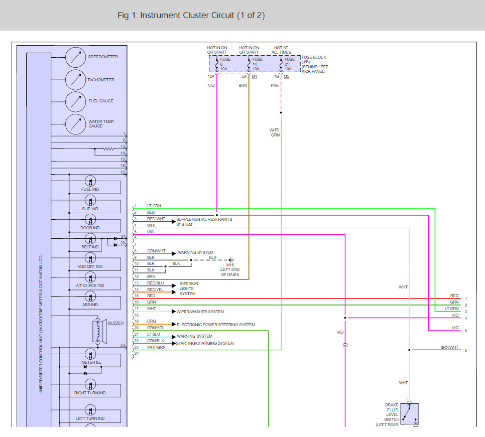
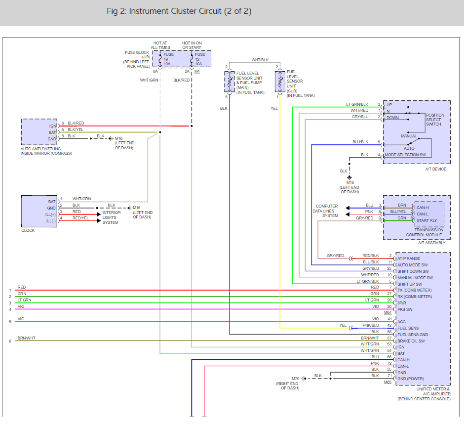
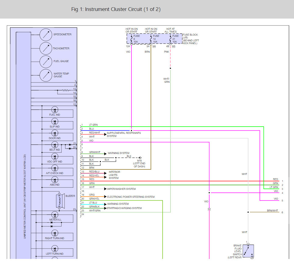
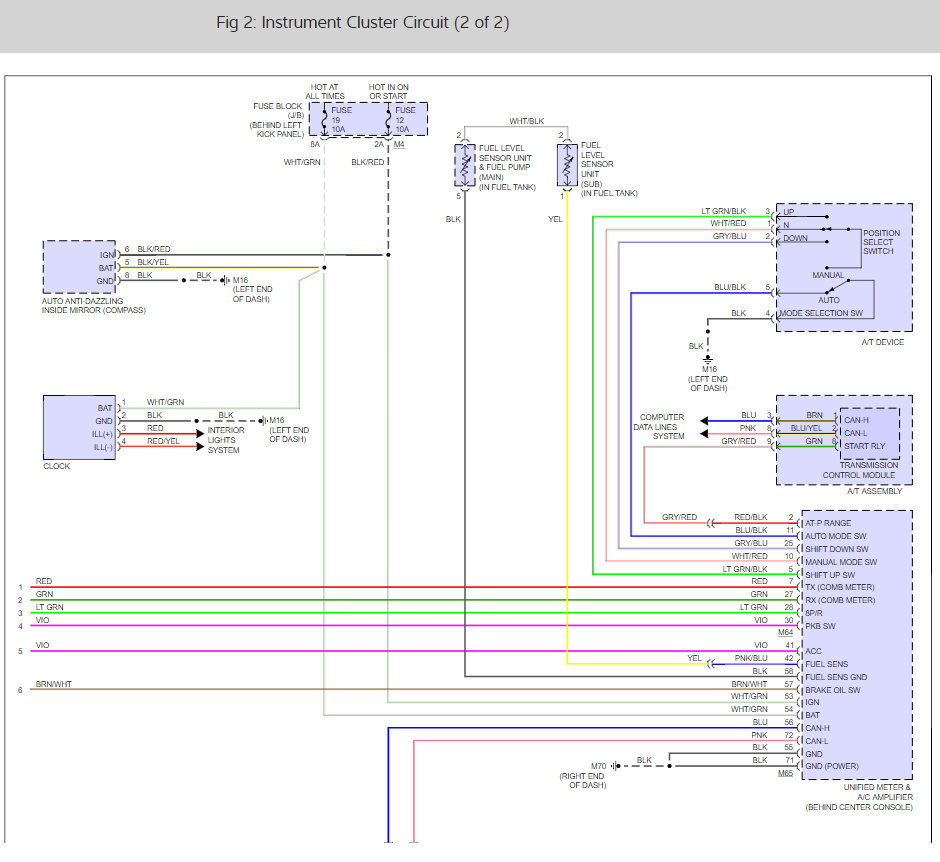
Did you check fuses #6 14 and 21? All of these fuses run the instrument cluster.

Here is a wiring diagram so you can check for power and ground. If the cluster has power and ground then it sounds like the cluster needs to be rebuilt.

https://www.2carpros.com/articles/how-to-use-a-test-light-circuit-tester

This video will give you an idea for what you are in for when doing the job

https://youtu.be/_HEC44xENxw

Check out the instrument cluster wiring diagrams (Below)

Please run this test and get back to us.

Cheers, Ken
Nov 30, 2017 at 11:59 AM
Avatar
RIGOMA12
  • MEMBER
  • 7 POSTS
how could i check those? is it apart of the relay?
Dec 2, 2017 at 11:11 AM
Avatar
STRAILER
  • CERTIFIED EXPERT
  • 53,854 POSTS
Not sure what you are saying? The cluster or the ground and power supply?
Dec 2, 2017 at 3:15 PM