Rear speakers quit working

2006 HUMMER H3
192,000 MILES • 3.5L • 5 CYL • 4WD • AUTOMATIC
Avatar
LARNELSON3
  • MEMBER
  • 1 POST
Suddenly with no apparent reason the rear speakers in my 2006 H3 quit working?
Sep 21, 2014 at 7:59 AM
Advertisement
Avatar
HMAC300
  • CERTIFIED EXPERT
  • 48,601 POSTS
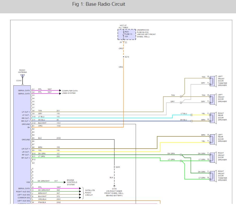
Hello, there is an AMP fuse #38 that needs to be checked here is a guide to help you and the fuse location with the radio wiring diagrams to help you see how the system works.

https://www.2carpros.com/articles/how-to-check-a-car-fuse

Check out the diagrams (Below). Please let us know what happens.

Cheers
Sep 21, 2014 at 2:50 PM
Avatar
BOOPERIII
  • MEMBER
  • 1 POST
Thank you for this post I had this problem it was the fuse because the amp blew out! lol
Sep 24, 2018 at 2:01 PM
Advertisement