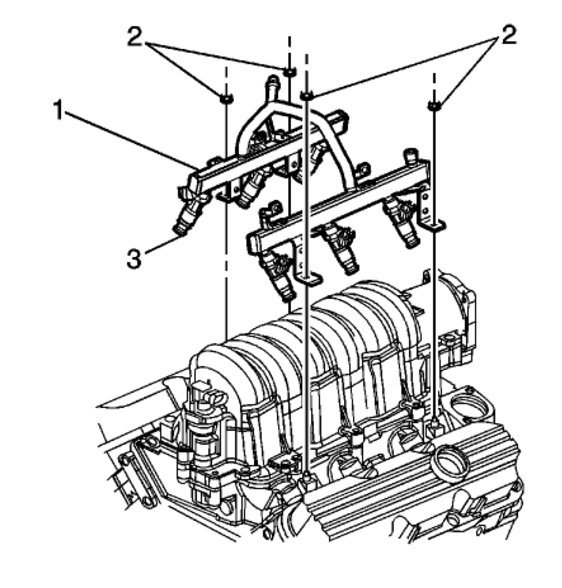
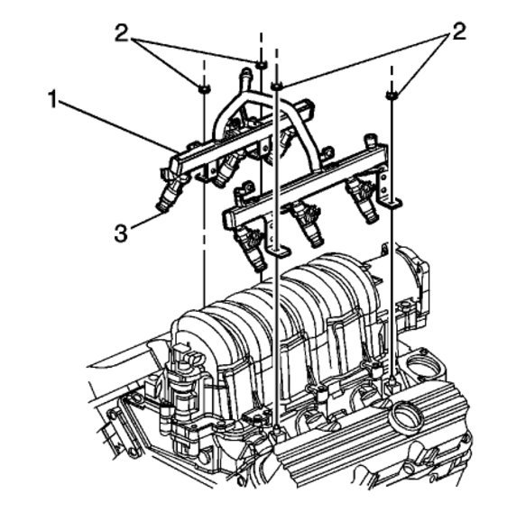
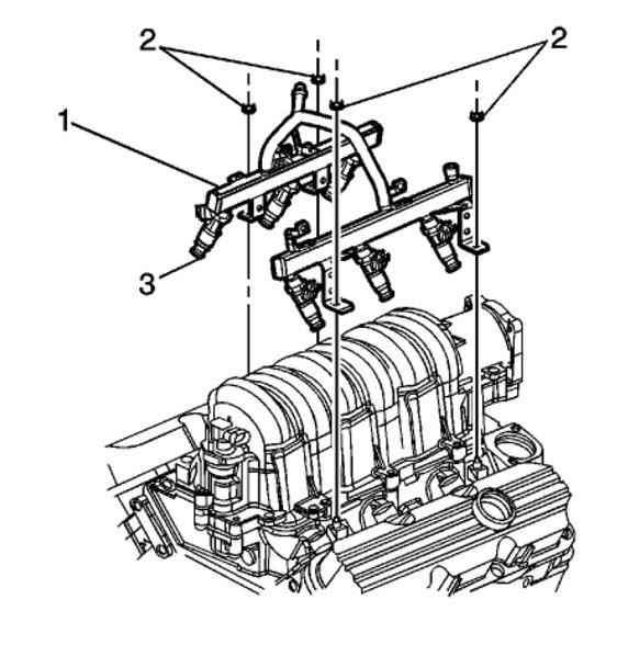
p2008 code..imrc circuit low... have taken valve out was stuck, is now free but code still comes up, is it time to replace. 3.6 v6 alloy tec engine. I should say can clear code but comes up when you start car, which is fault code p2008 circuit low Thanks peter.
Dec 14, 2011 at 1:04 PM




