2006 Ford Windstar Auto locks reset?

2006 FORD WINDSTAR
130,000 MILES • 6 CYL • 2WD • AUTOMATIC
Avatar
KIER
  • MEMBER
  • 2 POSTS
My wife, siting in the passenger seat, while i was outside the van, put her key into the ignition, turned it down towards the floor so she could use the power window.
i returned to the van, using my key, we drove home. When we got out the power locks stopped working properly. Only the drivers side was working, the rear power doors would not lock/unlock or open and close, the rear hatch-same thing, passenger door-nothing.
Did she do something? Or was this just a coincidence, since we have never turned the key downward before, and have never had any issue with the locks prior to this.
Could it be a fuse, or do i need to reset something?

P.S. I turned the key downward a second time and i got the power doors to open and close but they still don't lock/unlock. I tried this a few more times to see if the locks would work and nothing. Don't know if that means anything.
Sep 14, 2015 at 9:32 AM
Advertisement
Avatar
HMAC300
  • CERTIFIED EXPERT
  • 48,601 POSTS
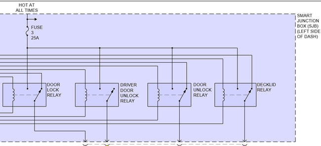
there is no Windstar in 2006 so this is from a freestyle so may not be right. but check relays and fuse in pic
Sep 16, 2015 at 8:09 AM