At low idle charge light will come on and off?

2006 FORD TAURUS
261,000 MILES • 6 CYL • 2WD • AUTOMATIC
Avatar
ODISPITTS
  • MEMBER
  • 1 POST
At low idle charge light will come on and off, sometimes clearing out display on dash and causing rpm gauge to go to zero, and speedometer to go to zero does this at highway speeds occasionally replaced alternator thinking this was the problem, but that did not correct the situation this is a fleet car with 261K miles, always been maintained on time no other problems other than this, so I am stumped, especially since the alternator did not fix the problem
Dec 14, 2010 at 8:43 AM
Advertisement
Avatar
JACOBANDNICKOLAS
  • CERTIFIED EXPERT
  • 110,175 POSTS
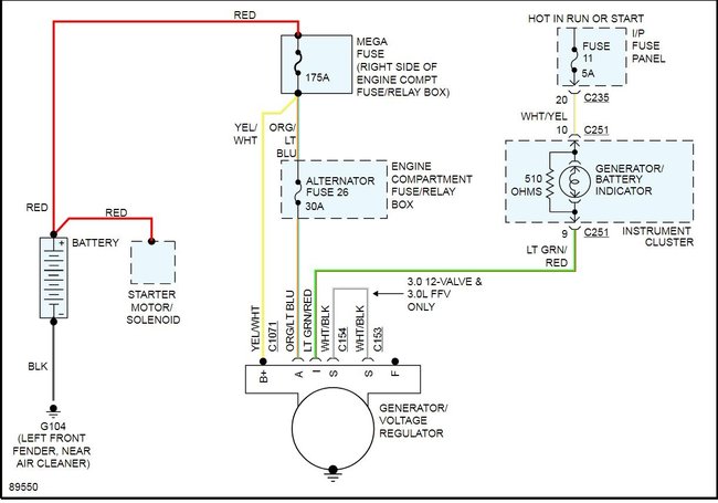
Check the fusible link between the alt and battery. It could be the alternator has gone out but to be sure lets run down this guide to help you find the problem. Also I have included the wiring diagrams so you can see how the system works.

https://youtu.be/Z-p4dMJUpUw

and

https://www.2carpros.com/articles/how-to-check-a-car-alternator

this guide can walk you through the steps of th alternator replacement with diagrams below to show you how on your car.

https://www.2carpros.com/articles/how-to-replace-an-alternator

Check out the diagrams (Below). Please let us know what happens.
Feb 6, 2011 at 3:17 AM
Avatar
TRULYTAM
  • MEMBER
  • 2 POSTS
Car started losing power while I was driving (radio filled with static, speed went to 0 regardless of pressing gas pedal, charge light came on). Pulled over and cut the car off and tried to recrank but it wouldnt start. Took terminals off battery and cleaned them then car tried to crank but didnt (windows, lights, and radio were worked now). Got a jump start and drove 20 miles home. Got a new battery BUT guy put it in backwards and it sparked and horn blew as if I was pressing and holding it. Radio, clock, cigarette lighter no longer worked after that but charge light was on. Got a new alternator and drove the car maybe 30 minutes then RPM went to 0, charge light still on, airbag light came on so i pulled over and put car in neutral and the car rev'd up on its on for a few seconds then tried cutting off so I put it in park and cut the switch off. Car sat for 5 minutes and when i turned the key it wouldnt crank but tried to turn. waited for a relative to show up so I tried to crank again and car crunk up just fine but charge light was still on & when i pressed the brakes to put the car in gear it wanted to cut off so i turned it off and it hasnt crank sense only tries to crank. Im now being told it could be a starter issue or blown mega fuse due to battery being placed in backwards. I put a new starter on the car about a year ago, new motor, plugs & wires, pcv valve all within the last 8 monts. What's causing the charge light to be on when i have a new battery (bought last week) and new alternator (yesterday)?
Jun 29, 2021 at 10:35 AM (Merged)
Advertisement
Avatar
JACOBANDNICKOLAS
  • CERTIFIED EXPERT
  • 110,175 POSTS
Have you checked the fusible link between the alt and battery? It works like a fuse but looks like s typical wire. If it goes bad, the battery won't charge.
Jun 29, 2021 at 10:35 AM (Merged)
Avatar
TRULYTAM
  • MEMBER
  • 2 POSTS
I actually went ahead and purchased a 175 amp mega fuse from Autozone for $5 and it solved the issue! Car cranks & drives as it did the day I bought it & the charge light has gone out! Thanks!
Jun 29, 2021 at 10:35 AM (Merged)
Avatar
JACOBANDNICKOLAS
  • CERTIFIED EXPERT
  • 110,175 POSTS
Excellent!!! Glad you got it fixed.

Have a great holiday,
JOe
Jun 29, 2021 at 10:35 AM (Merged)
Avatar
SHKURBON
  • MEMBER
  • 1 POST
I got this car in Aug 08' with 58K miles on it. I had to replace alternator in Sept, new battery, transmission and now ABS module is gone out. Problem now is, the battery light will flicker on and off, car doesn't want to always start, battery light will come on while idling. Could this be a bad connection or possibly a battery? Does this particular model have a computer controlled Alternator? Please help! Costing me a fortune!
Jun 29, 2021 at 10:35 AM (Merged)
Avatar
MHPAUTOS
  • CERTIFIED EXPERT
  • 31,937 POSTS
HI there,

The charge light is an indication that the battery is being discharged and the alternator is not keeping up a correct charge rate, check all earth points, battery terminals are clean & tight, (remove and clean if unsure) and get the alt charge rate checked under load, start here.

mark (mhpautos)
Jun 29, 2021 at 10:35 AM (Merged)
Avatar
CHRISTINA LOPEZ
  • MEMBER
  • 3 POSTS
My alternator has been tested and is good got a new battery, the battery light still goes on. When I turn the A/C on it pulsates then eventually kills the car. While driving the power flickers it looses a lot of power while driving.
Jun 29, 2021 at 10:37 AM (Merged)
Avatar
ASEMASTER6371
  • CERTIFIED EXPERT
  • 52,796 POSTS
Good morning,

Do you know the voltage of the charging system while running? That is important. It can charge and still be bad.

https://www.2carpros.com/articles/how-to-check-a-car-alternator

Are there any codes in the system for the engine operation?

https://www.2carpros.com/articles/engine-surges

https://www.2carpros.com/articles/stall-at-idle



Roy
Jun 29, 2021 at 10:37 AM (Merged)
Avatar
CHRISTINA LOPEZ
  • MEMBER
  • 3 POSTS
There are no codes just the battery light constantly flickers on and off, only time it doesn't is when I use the brakes and also when I am idling.
Jun 29, 2021 at 10:37 AM (Merged)
Avatar
CHRISTINA LOPEZ
  • MEMBER
  • 3 POSTS
It was the alternator I guess the test missed it, one of the diodes must have been leaking.
Jun 29, 2021 at 10:37 AM (Merged)
Avatar
LORBEE73
  • MEMBER
  • 1 POST
I have had the alternator and battery tested and changed out...The battery light is still on...i have no other clue as to why my battery light is still on, if anyone knows why please help...Is there a reset button?
Jun 29, 2021 at 10:38 AM (Merged)
Avatar
JACOBANDNICKOLAS
  • CERTIFIED EXPERT
  • 110,175 POSTS
There are fuseable links between the alternator and the battery. If one is bad, it will not charge the battery and the light will come on. Check them for continunity and let me know what you find.
Joe
Jun 29, 2021 at 10:38 AM (Merged)
Avatar
DDENES
  • MEMBER
  • 4 POSTS
1998 Ford Taurus 3.0 engine. Alternator does not work while on car. Took alternator to two different auto parts stores and it tested fine on bench test. Put on new plugs where wires go into alternator. Battery tested well also. Can you tell me the procedure or where I can get information on how to check the wiring? Or anything else to check.
Jun 29, 2021 at 10:39 AM (Merged)
Avatar
JDL
  • CERTIFIED EXPERT
  • 16,098 POSTS
If you have a digital multimeter take a reading across the battery posts, Everything turned off, note the reading. Take second reading across battery posts, engine running. The second reading should be higher than the first, if it isn't, leave engine running, take a reading at the alternator bat terminal, if that is higher, there is a circuit problem between the alternator and battery, my info did show a fuse in that circuit. I believe it said 175 amp fuse, I'd have to double check. I'm not sure how your alternator connector is labeled, engine running, B--A--I should all be hot.
Jun 29, 2021 at 10:39 AM (Merged)
Avatar
DDENES
  • MEMBER
  • 4 POSTS
Battery light stays on in dash. How do I check the wiring that plugs into the alternator? The plug has 3 wires. Need to know how to check each individual wire at plug to make sure there they are working properly. And that I don’t have a short some where

I do not know what they do so not sure if when checking if engine needs to be running or off or what is ground and what is power. I do know the main red wire going to alternator has power.

Need step by step instructions on how to test these 3 wires on the plug.

#1(orange & gray stripe? This wire is a little heavier gage than the other 2)

#2(White with black stripe this wire loops back into the alternator with a plug)

#3(green with black stripe?)

Took alternator to two different auto parts store and Alternator bench test good, but when on car it shows bad per auto parts store. Battery test good

.This is what I did to do my own test. Fuse test good with ohm meter.
Test battery with volt meter engine off about 12 volt. Test battery with engine running the same voltage. Put one test lead on neg post on battery and other touching red main wire on alternator same voltage about 12 volts. The reason aims saying about 12 volts because using cheap volt ohm meter with small lines.
Jun 29, 2021 at 10:40 AM (Merged)
Avatar
RASMATAZ
  • CERTIFIED EXPERT
  • 75,992 POSTS

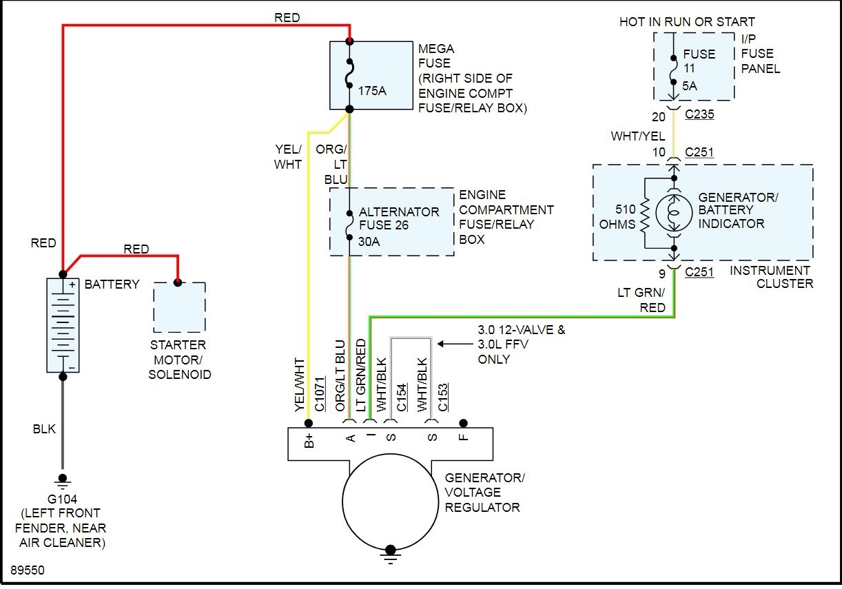
Test the mega fuse 175amp , alternator fuse no.26 30amp and fuse no.11 5amp, to include reviewing the diagram below and report back asap with your findings so that I can continue to assist.

Wiring diagram is attached below
Jun 29, 2021 at 10:40 AM (Merged)
Avatar
DDENES
  • MEMBER
  • 4 POSTS
Thanks for your help ! The 30 amp fuse is one of the 3 fuses that you ask me to check was the problem.

Thanks again for the detailed written information along with the wiring diagram, because iam not good with reading them.
Jun 29, 2021 at 10:40 AM (Merged)