Not familiar with your rig.
HOWEVER!
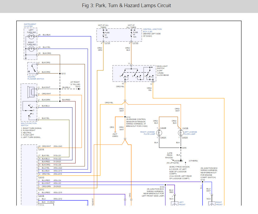
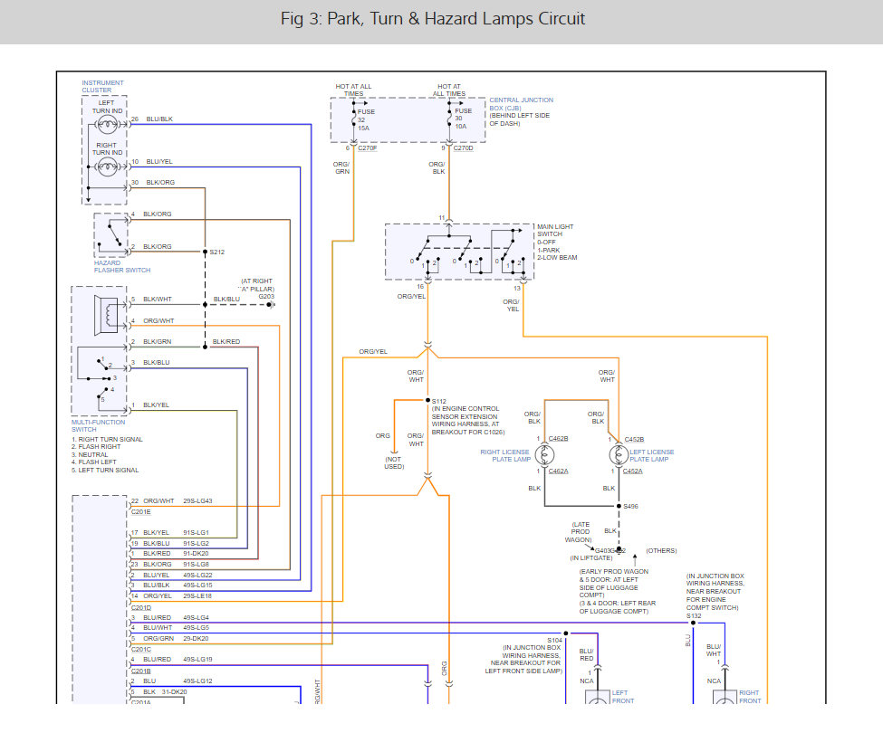
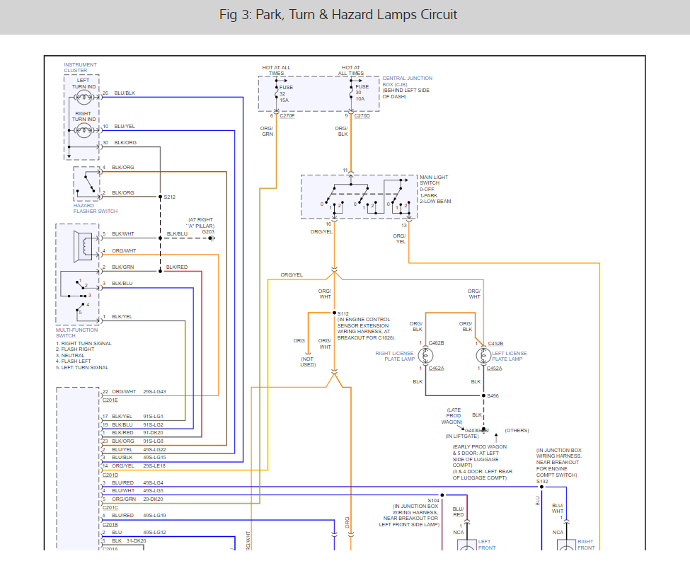
I was able to screenshot (3 shots) from "Prodemand" the stop lights diagram
I guessed at it being an "LX" (This particular diagram may be the same for all sub models)
If you see something that just ain't right, send back all of the info you can on your car I'll search again for the correct diagram.
I insured my shots overlapped so nothing is missing. Locations of stuff is usually noted on the diagram, as well as fuse numbers and amp rating.
See my pics below,
1st is the top/ 2nd is middle/ 3rd is bottom
Let us know how progress is coming.
The Medic
Images (Click to enlarge)
Mar 24, 2020 at 1:13 PM
(Merged)