Where are the relays and fuses

2006 FORD EXPEDITION
Avatar
2MCH4U2HNDL
  • MEMBER
  • 4 POSTS
Where are the relays and fuses for the temperture control for heater
Jan 9, 2013 at 12:38 PM
Advertisement
Avatar
ASEMASTER6371
  • CERTIFIED EXPERT
  • 52,796 POSTS
there is a blend door motor in the center of the dash that is common for failing. as far as the rest. a fuse in the fuse box, test all with a test light. does the blower work??

This guide will help you check the fuse with the fuse panel diagrams below.

https://www.2carpros.com/articles/how-to-check-a-car-fuse

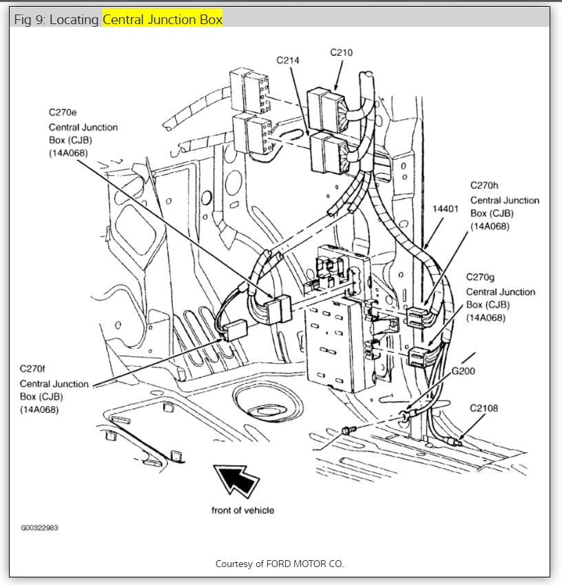
Check out the diagrams (Below). Please let us know what you find. We are interested to see what it is.
Jan 9, 2013 at 12:42 PM
Avatar
2MCH4U2HNDL
  • MEMBER
  • 4 POSTS
Yes the blower works. But it is not blowing out heat. The blend door was stuck open by objects removed that but still no heat
Jan 9, 2013 at 12:57 PM
Advertisement
Avatar
ASEMASTER6371
  • CERTIFIED EXPERT
  • 52,796 POSTS
those objects may have damaged the blend door actuator

Roy
Jan 9, 2013 at 1:06 PM
Avatar
2MCH4U2HNDL
  • MEMBER
  • 4 POSTS
So where is that and how do I fix it or how would I find that out if that's what wrong
Jan 9, 2013 at 1:11 PM
Avatar
2MCH4U2HNDL
  • MEMBER
  • 4 POSTS
Would that cause it to not blow out heat tho. Or would there be another reason why it's not blowing heat
Jan 9, 2013 at 1:15 PM
Avatar
ASEMASTER6371
  • CERTIFIED EXPERT
  • 52,796 POSTS
the blend door motor controls the heat mode door. common failure

Roy
Jan 9, 2013 at 2:05 PM
Avatar
QUWANDA PARKS
  • MEMBER
  • 1 POST
I need the location of the cigarette lighter fuse.
Nov 23, 2019 at 11:00 AM (Merged)
Avatar
WRENCHTECH
  • CERTIFIED EXPERT
  • 20,761 POSTS
It is powered by a 20amp fuse in the under dash box at the driver's side and the fuse is marked F2.41.

This guide will help you test for power check out the guides below

https://www.2carpros.com/articles/how-to-check-a-car-fuse

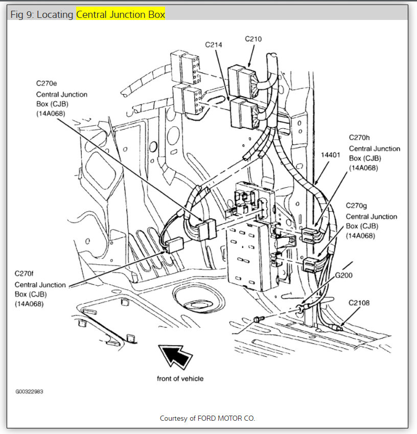
Check out the diagrams (Below). Please let us know if you need anything else to get the problem fixed.
Nov 23, 2019 at 11:00 AM (Merged)