Good afternoon,
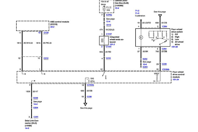
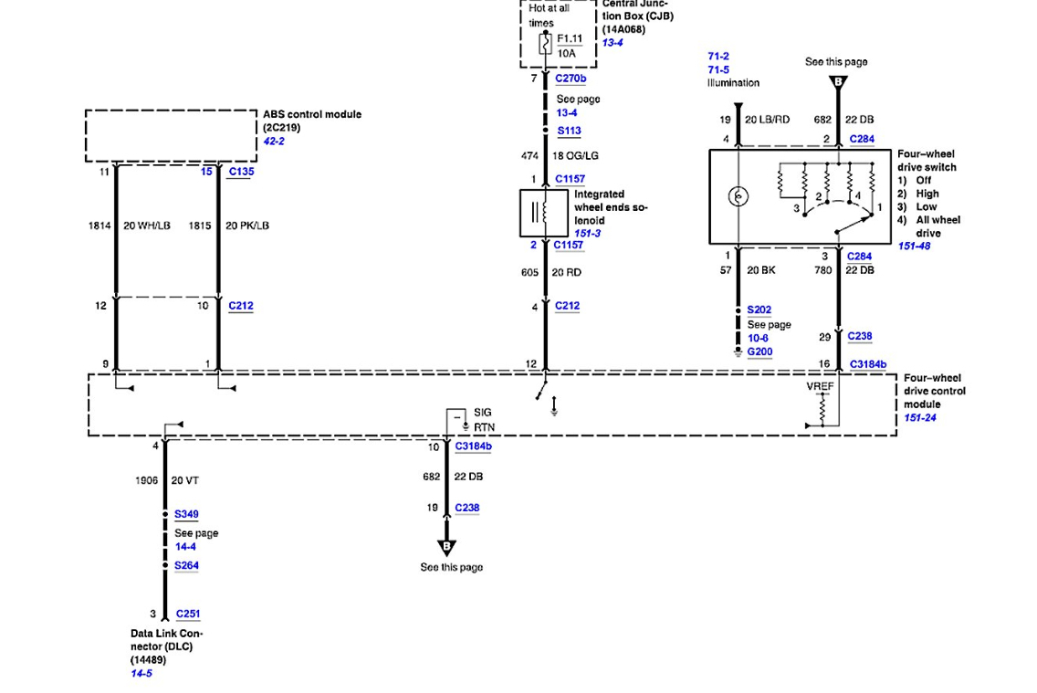
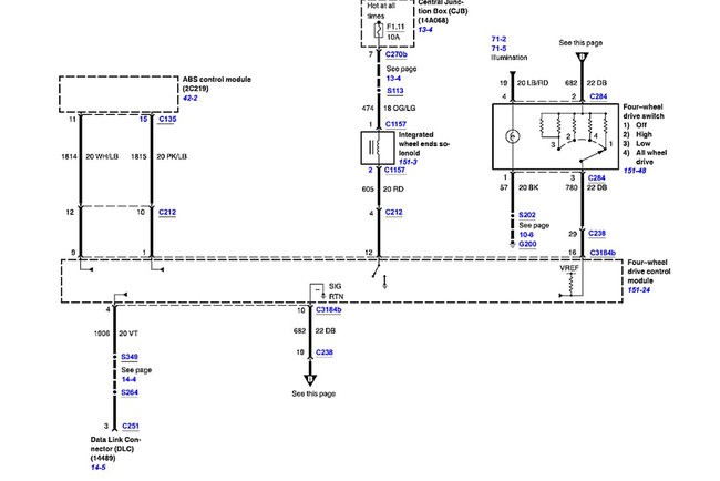
I attached a wiring diagram of the system for you.
https://www.2carpros.com/articles/how-to-check-wiring
You need to test for power to the motor on the transfer case to be sure it has power when you command 2 and 4 wheel drive. Check the fuses I circled for power on both sides to be sure available power is available.
https://www.2carpros.com/articles/how-to-check-a-car-fuse
The motor is common for failing for this issue.
I attached the flow chart for the issue below with some pictures.
Roy
Pinpoint Test C: The Vehicle Does Not Shift Between 2WD And 4WD Modes Correctly
Normal Operation
The mode select switch communicates the operator's choice to the 4x4 module (PCM). The 4x4 module (PCM) then controls the transfer case clutch, transfer case motor and integrated wheel ends (IWE's) as necessary. If the vehicle is not responding to the operator's intentions, systematically check the necessary inputs and outputs of the 4x4 module (PCM), components of the transfer case, IWE components and halfshafts. Check all circuits for opens and shorts to power or ground.
Possible Causes
Transfer case
Integrated wheel ends (IWE)
IWE solenoid
4x4 module (PCM)
Front axle assembly
Mode select switch (MSS)
Circuit 682 DB/WH)
Circuit 780 (DB)
Circuit 704 (DG/LG)
CJ13 Fuse 115 (30A)
Images (Click to enlarge)
Nov 17, 2020 at 1:24 PM