Dash lights went out

2006 FORD E-SERIES VAN
200,000 MILES
Avatar
CRAIG JASTER
  • MEMBER
  • 46 POSTS
I have a E-250 Cargo Van that the dash lights went out. The illuminated gauge needles still light up but other than that there are no other dash lights. Recently I rented a moving truck that was roughly the same year/make/model, and it was having the same problem. All the fuses are good, I just cannot see all the lights except the needle lights going out at once. Is this a common problem?
Feb 8, 2012 at 7:20 PM
Advertisement
Avatar
JACOBANDNICKOLAS
  • CERTIFIED EXPERT
  • 110,175 POSTS
Hello,

This is a problem with the fuse or a bad connection with the fuse # 10 - 20 amp. Here is a guide that will help you do a simple test and get the problem fixed:

https://www.2carpros.com/articles/how-to-check-a-car-fuse

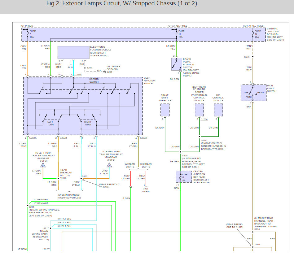
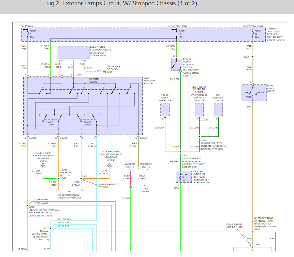
Check out the diagrams of the fuse panel and running light wiring (below).

Please let us know what you find. We are interested to see what it is.

Cheers
Feb 8, 2012 at 8:08 PM
Avatar
CRAIG JASTER
  • MEMBER
  • 46 POSTS
All the wiring is tight in the plugs and everything is properly grounded. The gauges all work properly, it is just the background lighting. The illuminated needles light up properly also. There is a dimmer knob and it does not change anything no matter what position it is in so I checked the fuse you told me to and BAM! Problem fixed I do not know how I missed it the first time. I love this site BTW. :)
Feb 8, 2012 at 11:30 PM
Advertisement
Avatar
STRAILER
  • CERTIFIED EXPERT
  • 53,854 POSTS
Here are the dash light wiring diagrams if the fuse does not fix it:

https://www.2carpros.com/articles/how-to-use-a-test-light-circuit-tester

Test through the headlight switch. Check out the diagrams (below). Please let us know what you find.

Cheers, Ken
Jun 12, 2018 at 11:56 AM